EasyManua.ls Logo

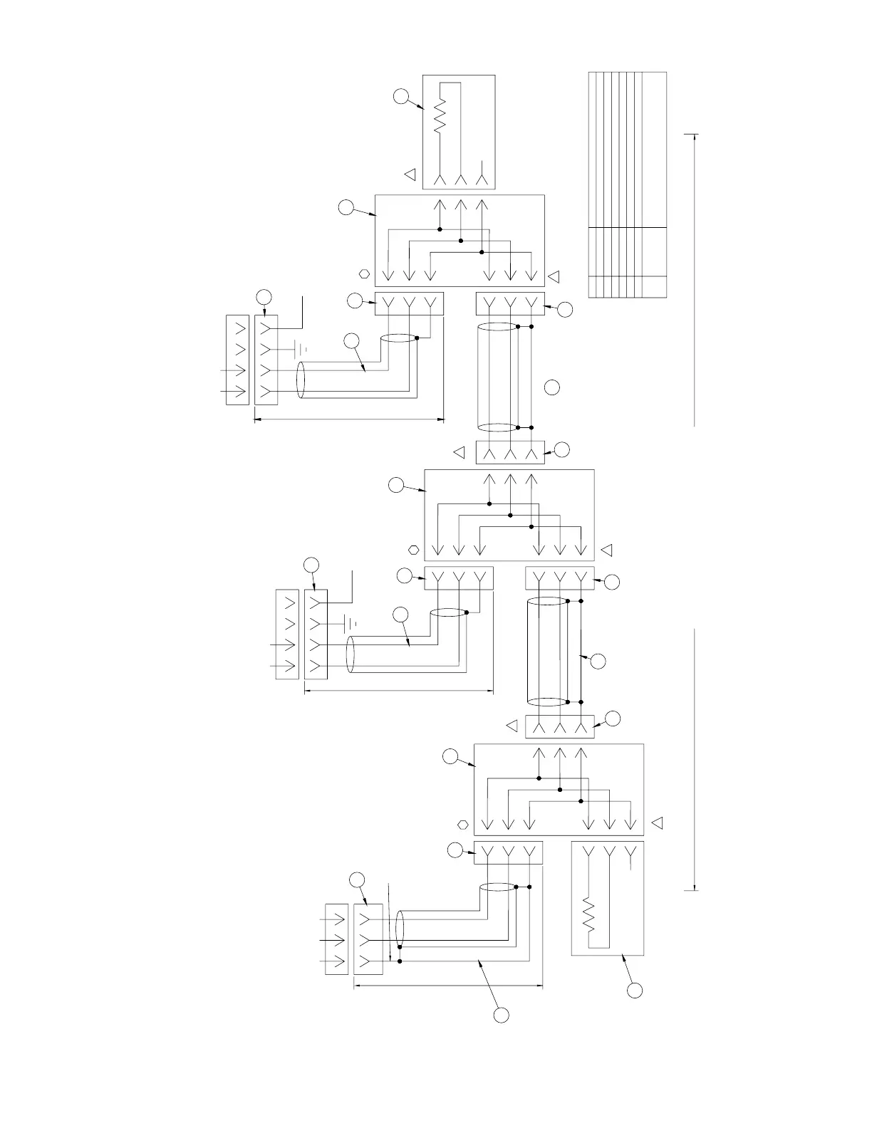
Akron 6032 - Figure 2-9 J1939 CAN Wiring

Akron 6032
56 pages
Print Icon
To Next Page IconTo Next Page
To Next Page IconTo Next Page
To Previous Page IconTo Previous Page
To Previous Page IconTo Previous Page
Loading...
Figure 2-9 J1939 CAN Wiring
NETWORK LENTGH (TERMINATOR TO TERMINATOR) NOT TO EXCEED 40 METERS
ITEM MANUFACTURER DESCRIPTION
A Deutsch IPD HDP26-24-29SE PLUG
B Deutsch IPDDT06-3S-EP11 PLUG w/ W3S-P012 WEDGE LOCK
C Deutsch IPDDT06-3S-P006 TERMINATING RESISTOR ASSEMBLY
D Deutsch IPDDT04-3P-P007 "Y" RECEPTACLE
E Deutsch IPDDT06-3S-EP11 PLUG w/ W3S-1939-P012 WEDGE LOCK
F Deutsch IPDDT06-4S w/ W4S WEDGE LOCK
G
Champlain Wire
Raychem
Northwire
Judd Wire
SAEJ1939/1802SHBLK or
2018E0309 or
FJ1939182-005 or
M0702001
GREEN
YELLOW
A
B
C
A
B
C
120 ohm
GREEN
YELLOW
TO BATTERY
POSITIVE (+)
A
B
C
A
B
C
GREEN
YELLOW
A
B
C
A
B
C
A
B
C
A
B
C
A
B
C
A
B
C
120 ohm
CAN JOYSTICK (6035)
CUSTOMER WIRING USES
DEUTSCH DT06-4S PLUG
DIRECTION INDICATOR (6036)
CUSTOMER WIRING USES
DEUTSCH DT06-4S PLUG
UNIVERSAL II (6032) (CONNECTOR J1)
CUSTOMER WIRING USES
DEUTSCH HDP26-24-29SE
1
2
3
4
GREEN
YELLOW
GREEN
YELLOW
23
24
25
VEHICLE CAN HI
VEHICLE CAN LO
COMMON
SHIELD DRAIN WIRE MAY BE OPTIONALLY CONNECTED HERE.
IF SO, MUST NOT BE CONNECTED ELSEWHERE TO
COMMON OR BATTERY NEGATIVE (-)
(SEE J1939/11 SECTION 5.2.4)
23
24
25
C
D
B
E
G
E
D
B
F
F
E
G
E
D
B
C
A
G
G
G
TO BATTERY
POSITIVE (+)
1
2
3
4
MUST NOT EXCEED 1 METER LENTGH
MUST NOT EXCEED 1 METER LENTGH
MUST NOT EXCEED 1 METER LENTGH
SUGGESTED PARTS LIST
**INSTEAD OF TERMINATING RESISTOR,
MAY CONTINUE ON TO REMAINING
VEHICLE CAN NETWORK**
A
B
C
A
B
C
A
B
C
A
B
C
A
B
C
A
B
C
A
B
C
A
B
C
- KEY CODE
- KEY CODE
- KEY CODE
- KEY CODE
- KEY CODE
- KEY CODE
- KEY CODE
- KEY CODE
- KEY CODE
16

Table of Contents