EasyManua.ls Logo

Alemite 8700 - Page 7

Alemite 8700
9 pages
Print Icon
To Next Page IconTo Next Page
To Next Page IconTo Next Page
To Previous Page IconTo Previous Page
To Previous Page IconTo Previous Page
Loading...
High-Pressure Hydraulic Pump SER 8700
Alemite LLC 7 Revision (2-13)
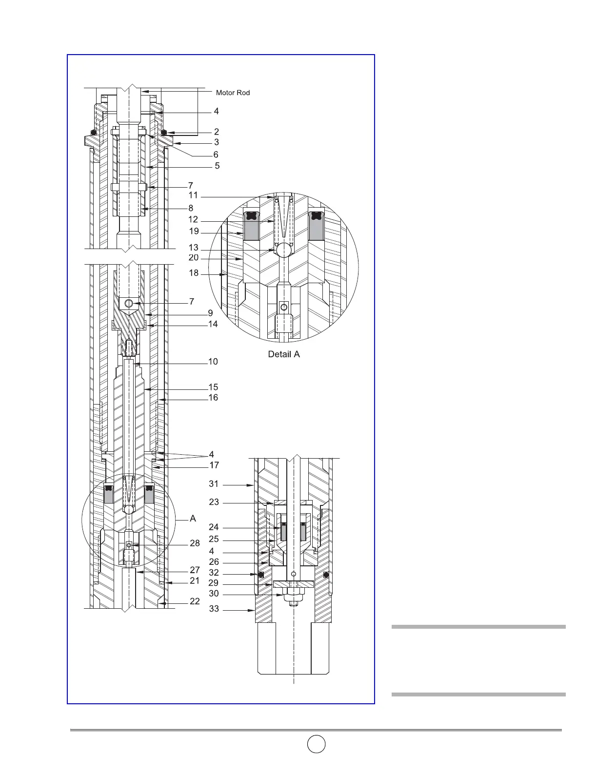
12. Screw the Coupling assembly onto the
hydraulic motor rod until the pin holes
align.
Install Pin (6).
Pump Tube (Outer Components)
13. Install and seat Seal (19) [lips first]
into the bottom of Retainer (18). See
Figure 2.
14. Install and seat Bearing (20) into the
bottom of the Retainer.
15. Install Gasket (21) onto the top of
Extension (22).
IMPORTANT: If a primer is used
with Loctite 222, the curing time
is greatly reduced.
16. Screw the Extension [with Loctite 222]
(Gasket end first) into the bottom of
the Retainer.
Follow the thread sealant
manufacturers recommendations.
Do not tighten at this time.
17. Install Gasket (4) into the top of the
Retainer.
18. Install and seat Bearing (17) [small
diameter first] and additional Gasket
(4) into the top of the Retainer.
19. Screw Tube (16) [with Loctite 222]
into the top of the Retainer.
Do not tighten at this time.
20. Install and seat Gasket (4) into Adapter
(3).
21. Screw the Tube assembly [with Loctite
222] into the Adapter.
Do not tighten at this time.
22. Install O-Ring (2) onto the Adapter.
23. Apply grease to Piston (15).
This will aid the installation process.
CAUTION
Install the outer component assembly
onto the inner assembly with care. Dam-
age to Seal (19) can occur.
Figure 5 Pump Tubes 337384-A1, B1, and G1 - Section View
Refer to Figure 2 Parts List
for Parts Identification

Related product manuals