EasyManua.ls Logo

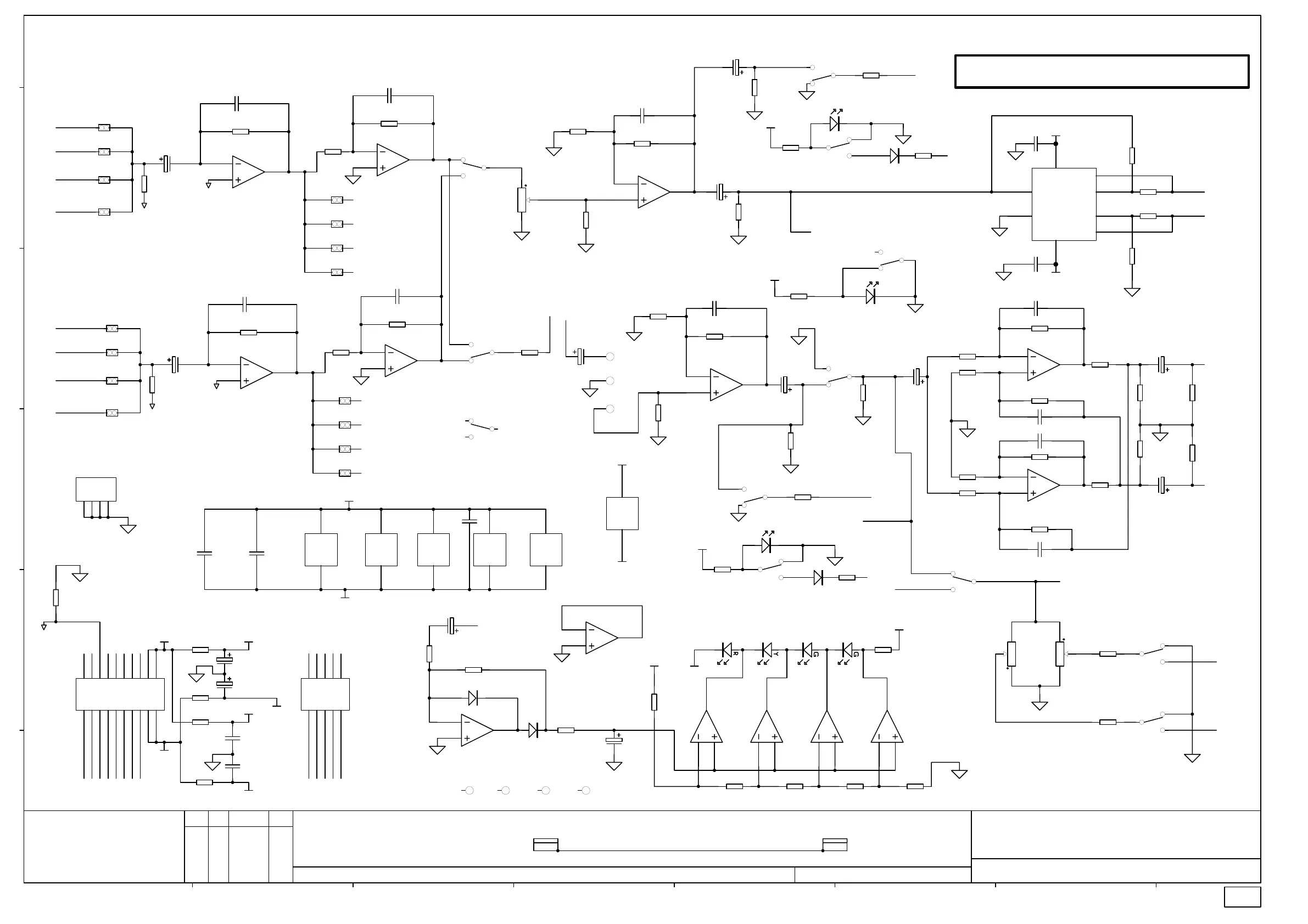
ALLEN & HEATH 14:4:2 MixWizard WZ3 - Group PCB Schematic; Group Input and Output Stages; PFL;AFL and Meter Circuits

ALLEN & HEATH 14:4:2 MixWizard WZ3
78 pages
Print Icon
To Next Page IconTo Next Page
To Next Page IconTo Next Page
To Previous Page IconTo Previous Page
To Previous Page IconTo Previous Page
Loading...
Kernick Industrial Estate,
Penryn, Cornwall,
England. TR10 9LU
+44 (0)8707 556250
+44 (0)8707 556251
1
WZ³14:4:2 GROUP
5396 1 2
PAGE:
TITLE:
DRG No: ISSUE: SHEET: OF
ISSUE BY DATE
FILE: AG5396_1P1.Sch 10:41:18 24-Aug-2004
ALLEN&HEATH
Tel:
Fax:
PRINTED:
ABCDEFGH
a
b
c
d
e
CHK
BY
3
2
1
U1A
NE5532 SMD
GC
R12
15K 1% 0805
C3
33P 0805
R54
68R 0805
P1
RED
P2
GRN
P3
BLU
3
2
1
U2A
TL072D SMD
R13
10K 1% 0805
R14
10K 1% 0805
C4
33P 0805
C1
1000/6.3
R1
47K 0805
GC
2
1
3
SW4A
SW4PCOL (SPUJ)
5
4
6
SW4B
SW4PCOL (SPUJ)
11
10
12
SW4D
SW4PCOL (SPUJ)
5
6
7
U1B
NE5532 SMD
GC
R16
18K 1% 0805
C5
33P 0805
C15
47/25
5
6
7
U2B
TL072D SMD
R17
10K 1% 0805
R18
10K 1% 0805
C6
33P 0805
C2
1000/6.3
R4
47K 0805
GC
8
7
9
SW4C
SW4PCOL (SPUJ)
1 3
2
VR8A
POT11 20KK
R15
10K 1% 0805
3
2
1
U3A
NE5532 SMD
V-
4
V+
8
U3C
NE5532 SMD
V-
4
V+
8
U1C
NE5532 SMD
V-
4
V+
8
U2C
TL072D SMD
V-
4
V+
8
U4C
TL072D SMD
V-
4
V+
8
U5C
TL072D SMD
R31
2K2 1% 0805
R35
4K7 1% 0805
C9
22P_S
INSEND
INSRET
5
6
7
U3B
NE5532 SMD
R32
2K2 1% 0805
R36
4K7 1% 0805
C10
22P_S
R5
33K 1% 0805
R2
47K 0805
-VA
R50
68R 0805
R51
68R 0805
+VAC25
100N 0805
C26
100N 0805
AUX_OUT+
AUX_OUT-
R46
0R0
R47
0R0
C16
47/25
R3
47K 0805
2
1
3
SW3A
SW2PCOL (SPUN)
5
4
6
SW3B
SW2PCOL (SPUN)
R42
18K 1% 0805
+VB
R37
3K3 1% 0805
LD3
LED T1 3MM YELLOW
D1
BAS16
R62
10R PF RAD
R63
10R PF RAD
R65
10R PF RAD
R64
10R PF RAD
C20
47/25
C21
47/25
C29
100N 0805
C30
100N 0805
+VB
+VA
-VB
MAIN BUS HARNESS
-VA
GC
R61
10K 1% 0805
20
20
1
1
19
19
2
2
18
18
3
3
17
17
4
4
16
16
5
5
15
15
6
6
14
14
7
7
13
13
8
8
12
12
9
9
11
11
10
10
CN1
BOX 10X2 M 90 DEG
GRP1GRP2
GRP3GRP4
PFL_DET
PFL/AFL
AUX1
AUX2
AUX3
AUX4
AUX5
AUX6
MIXL
MIXR
48V
+VS
-VS
PFL_DET
PFL/AFL
R20
10K 1% 0805
R19
10K 1% 0805
R21
10K 1% 0805
R22
10K 1% 0805
R33
2K2 1% 0805
R34
2K2 1% 0805
R59
47R 0805
R60
47R 0805
3
2
1
U4A
TL072D SMD
5
6
7
U4B
TL072D SMD
C11 22P_S
C12 22P_S
C13 22P_S
C14 22P_S
GROUP_OUT+
GROUP_OUT-
R55
4K7 1% 0805
R56
4K7 1% 0805
R57
4K7 1% 0805
R58
4K7 1% 0805
C17
47/25
C33
100/25
C34
100/25
R8
47K 0805
R9
47K 0805
16
4
VR9A
POT14 10KAC C/D
2 5
3
VR9B
POT14 10KAC C/D
8
9
BRKT
VR9C
POT14 10KAC C/D
R69
10K 1% 0805
R70
10K 1% 0805
C18
47/25
R6
47K 0805
2
1
3
SW7A
SW2PCOL (SPUN)
5
4
6
SW7B
SW2PCOL (SPUN)
R43
18K 1% 0805
+VB
R39
3K3 1% 0805
LD5
LED T1 3MM YELLOW
D2
BAS16
PFL_DET
PFL/AFL
MIXR
MIXL
FLIP_SUBMIX
FLIP_SUBMIX
3
2
1
U5A
TL072D SMD
R66
56K 0805
R67
120K 1% 0805
D3
BAS16
D4
BAS16
R72
1K8 0805
5
4
2
U6A
LM339 SMD
7
6
1
U6B
LM339 SMD
9
8
14
U6C
LM339 SMD
11
10
13
U6D
LM339 SMD
V-
12
V+
3
U6E
LM339
R23
2K7 0805
R73
4K7 1% 0805
R74
1K2 1% 0805
R75
1K0 1% 0805
R76
120R 1% 0805
+VB
-VB
+VB
METER
AI1
HOLE-AI
AI2
SLOT-AI
FID1
FIDUCIAL
FID2
FIDUCIAL
2
1
3
SW6A
SW2PCOL (SPUN)
5
4
6
SW6B
SW2PCOL (SPUN)
C19
47/25
R7
47K 0805
FADER
5
6
BRKT
VR8B
POT11 20KK
1
2
3
4
CN2
EARTH SCREW TERMINAL NARROW
+VA
-VA
+VB
R38
6K8 1% 0805
LD4
LED RECT 5X2.5MM TOMB RED
5
4
6
SW5B
SW2PCOL (SPUN)
2
1
3
SW5A
SW2PCOL (SPUN)
5
6
7
U5B
TL072D SMD
AUX1
AUX2
AUX3
AUX4
GRP1
GRP2
GRP3
GRP4
POST_GRPn
A MG 7-7-03
1
1
2
2
3
3
4
4
5
5
6
6
7
7
8
8
9
9
10
10
CN4
BOX 5X2 M 90 DEG
AUX_OUT+AUX_OUT-
GROUP_OUT+GROUP_OUT-
MARTIX_OUT+MATRIX_OUT-
TO REAR CONNECTOR PCB
C28
100N 0805
C27
100N 0805
MUTE FADER
AFL FADER
AFL ROTARY
INSENDINSRET
JS1
SOLDER ASSIG
JS2
SOLDER ASSIG
JS3
SOLDER ASSIG
JS4
SOLDER ASSIG
JS12
SOLDER ASSIG
JS9
SOLDER ASSIG
JS10
SOLDER ASSIG
JS11
SOLDER ASSIG
JS5
SOLDER ASSIG
JS6
SOLDER ASSIG
JS7
SOLDER ASSIG
JS8
SOLDER ASSIG
SYS_AUX1
SYS_AUX2
SYS_AUX3
SYS_AUX4
JS13
SOLDER ASSIG
JS14
SOLDER ASSIG
JS15
SOLDER ASSIG
JS16
SOLDER ASSIG
SYS_GRP1
SYS_GRP2
SYS_GRP3
SYS_GRP4
C36
47/25
METER
C37
100N 0603
R68
6K8 1% 0805
+VB
-VB
METER MOULDING
MTR1
LED BAR 4 TOMB_WZ3
EXT_IN+EXT_IN-
C35
1/63
R79
100K 1% 0805
R78
100K 1% 0805
B JB 7-11-03
1 AAT 03-02-04 KV
VIN
4
GND
3
FORCE+
8
FORCE-
1
SENSE+
7
SENSE-
2
V+
6
V-
5
U7
BALANCED OUTPUT DRIVER (SOCKET FITTED AL0013)
BALANCE OUTPUT DEVICE. SEE PAGE 2 FOR FITTING INSTRUCTION
003-210 iss.1

Related product manuals