EasyManua.ls Logo

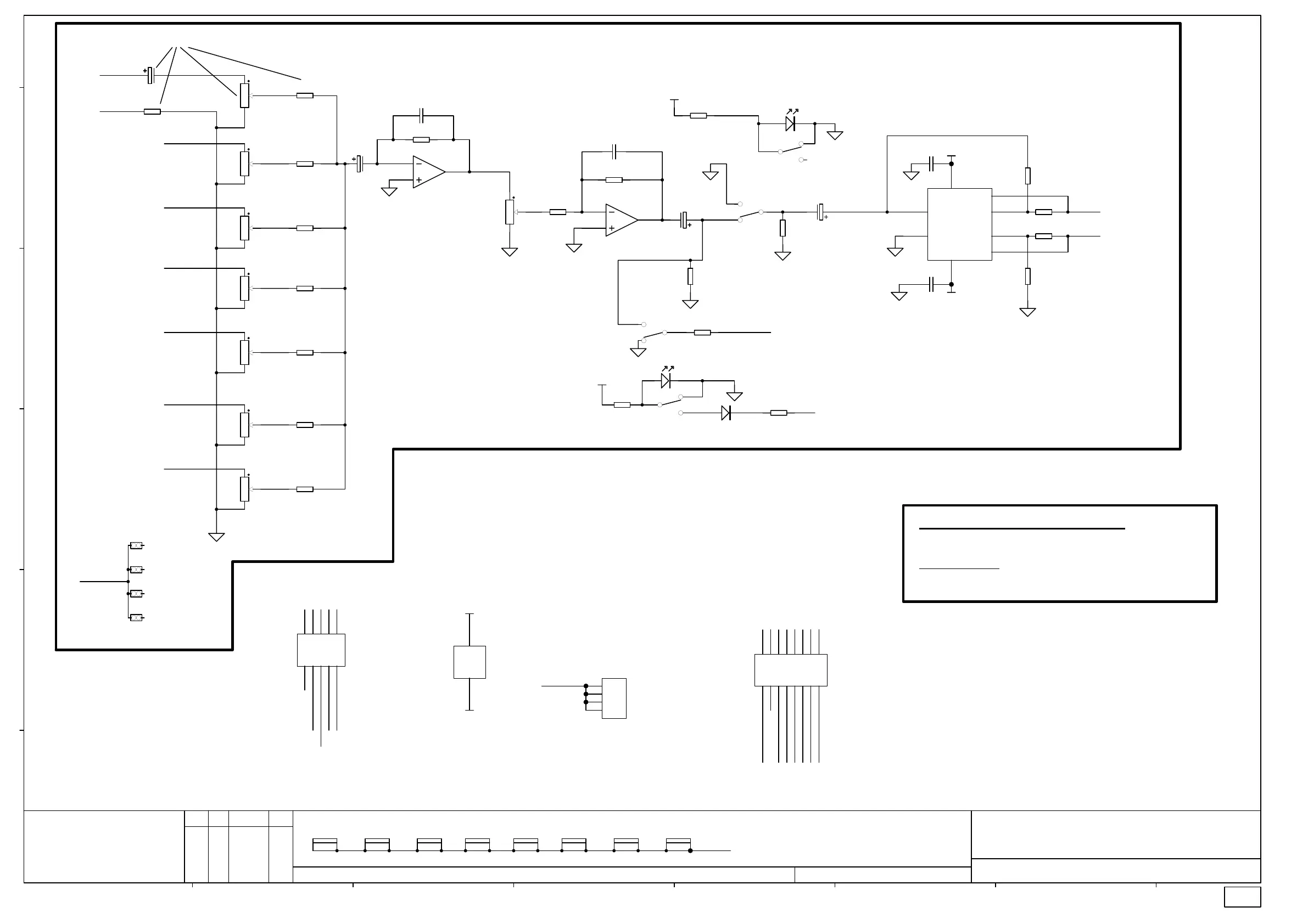
ALLEN & HEATH 14:4:2 MixWizard WZ3 - Group PCB Schematic (Cont.); Matrix Submix and Output Circuits; SYS-LINK Connector Interface

ALLEN & HEATH 14:4:2 MixWizard WZ3
78 pages
Print Icon
To Next Page IconTo Next Page
To Next Page IconTo Next Page
To Previous Page IconTo Previous Page
To Previous Page IconTo Previous Page
Loading...
Kernick Industrial Estate,
Penryn, Cornwall,
England. TR10 9LU
+44 (0)8707 556250
+44 (0)8707 556251
1
WZ³14:4:2 GROUP
5396 2 2
PAGE:
TITLE:
DRG No: ISSUE: SHEET: OF
ISSUE BY DATE
FILE: AG5396_1P2.Sch 10:41:18 24-Aug-2004
ALLEN&HEATH
Tel:
Fax:
PRINTED:
ABCDEFGH
a
b
c
d
e
CHK
BY
1 3
2
VR1A
POT11 20KK
1 3
2
VR2A
POT11 20KK
1 3
2
VR3A
POT11 20KK
1 3
2
VR4A
POT11 20KK
5
6
BRKT
VR1B
POT11 20KK
5
6
BRKT
VR2B
POT11 20KK
5
6
BRKT
VR3B
POT11 20KK
5
6
BRKT
VR4B
POT11 20KK
5
6
BRKT
VR7B
POT11 20KK
5
6
BRKT
VR5B
POT11 20KK
1 3
2
VR5A
POT11 20KK
1 3
2
VR6A
POT11 20KK
POST_GRPn
POST_GRP1
POST_GRP2
POST_GRP3
POST_GRP4
3
2
1
U8A
TL072D SMD
5
6
7
U8B
TL072D SMD
V-
4
V+
8
U8C
TL072D SMD
R24
10K 1% 0805
R25
10K 1% 0805
R26
10K 1% 0805
R28
10K 1% 0805
R29
10K 1% 0805
R30
10K 1% 0805
R27
20K 1% 0805
C7
33P 0805
R71
10K 1% 0805
R44
20K 1% 0805
C8
33P 0805
1 3
2
VR7A
POT11 20KK
5
6
BRKT
VR6B
POT11 20KK
C22
47/25
C23
47/25
R10
47K 0805
2
1
3
SW2A
SW2PCOL (SPUN)
5
4
6
SW2B
SW2PCOL (SPUN)
R45
18K 1% 0805
+VB
R41
3K3 1% 0805
LD2
LED T1 3MM YELLOW
D5
BAS16
PFL_DET
PFL/AFL
-VA
R52
68R 0805
R53
68R 0805
+VAC31
100N 0805
C32
100N 0805
MARTIX_OUT+
MATRIX_OUT-
R48
0R0
R49
0R0
1
2
3
4
CN3
EARTH SCREW TERMINAL NARROW
PCB TO PANEL FIXING
FOR WZ3 1442 GRP PCB'S 3 & 4
POST_GRP1
POST_GRP2
POST_GRP3
POST_GRP4
LEFT_POST
RIGHT_POST
MATRIX OUTPUT
MATRIX SUBMIX
5
4
6
SW1B
SW2PCOL (SPUN)
2
1
3
SW1A
SW2PCOL (SPUN)
C24
47/25
R11
47K 0805
+VB
R40
6K8 1% 0805
LD1
LED RECT 5X2.5MM TOMB RED
-VA
+VA
A MG 7-7-03
1
1
2
2
3
3
4
4
16
16
5
5
15
15
6
6
14
14
7
7
13
13
8
8
12
12
9
9
11
11
10
10
CN6
BOX 8X2 M 90 DEG
SYSLINK CONNECTOR
SYS_AUX1SYS_AUX2
SYS_AUX3SYS_AUX4
SYS_AUX5SYS_AUX6
SYS_GRP1SYS_GRP2
SYS_GRP3SYS_GRP4
SYS_MIXLSYS_MIXR
SYS_PFLSYS_PFL_DC
1
1
2
2
3
3
4
4
5
5
6
6
7
7
8
8
9
9
10
10
CN5
BOX 5X2 M 90 DEG
MASTER SECTION INTERCONNECT
LEFT_POSTRIGHT_POST
POST_GRP1POST_GRP2
POST_GRP3POST_GRP4
1 3
2
VR10A
POT11 20KK
5
6
BRKT
VR10B
POT11 20KK
R77
10K 1% 0805
EXT_IN+
C38
47/25
R81
0R0 0805
EXT_IN-
Only Fitted to GL2400
R80
100K 1% 0805
POT GND
POT GND
B JB 7-11-03
JS17
SOLDER ASSIG
JS18
SOLDER ASSIG
JS19
SOLDER ASSIG
JS20
SOLDER ASSIG
1 AAT 03-02-04 KV
NOT FITTED 1442 GRP 3/4
VIN
4
GND
3
FORCE+
8
FORCE-
1
SENSE+
7
SENSE-
2
V+
6
V-
5
U9
BALANCED OUTPUT DRIVER (SOCKET FITTED AL0013)
BALANCED OUTPUT OPTION
BALANCED OUTPUT DRIVERS, U7 & U9.
USE EITHER SSM2142 (AH PART NO. AE0302) , OR DRC134PA (AH PART NO. AE5725).
AUX FIT U7 TO SOCKET, REMOVE R46 & R47
MATRIX FIT U9 TO SOCKET, REMOVE R48 & R49
FITTING INSTRUCTIONS
003-210/2
003-210 iss.1

Related product manuals