EasyManua.ls Logo

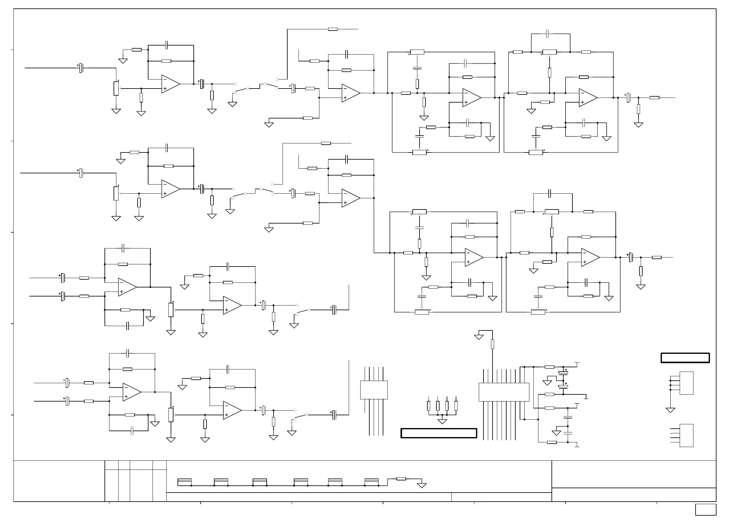
ALLEN & HEATH 14:4:2 MixWizard WZ3 - Stereo Input PCB Schematic; Stereo Input Channel Circuits; SUM and MIX Circuitry

ALLEN & HEATH 14:4:2 MixWizard WZ3
78 pages
Print Icon
To Next Page IconTo Next Page
To Next Page IconTo Next Page
To Previous Page IconTo Previous Page
To Previous Page IconTo Previous Page
Loading...
Kernick Industrial Estate,
Penryn, Cornwall,
England. TR10 9LU
+44 (0)8707 556250
+44 (0)8707 556251
2.1
WZ³14:4:2 STEREO INPUT
5391 1 2
PAGE:
TITLE:
DRG No: ISSUE: SHEET: OF
ISSUE BY DATE
FILE: C5391_2-1P1.SCH 15:47:36 4-Nov-2004
ALLEN&HEATH
Tel:
Fax:
PRINTED:
ABCDEFGH
a
b
c
d
e
CHK
BY
A MG 23-6-03
1
1
2
2
3
3
4
4
5
5
6
6
7
7
8
8
9
9
10
10
CN1
BOX 5X2 M 90 DEG
ST1(3)_IN_L+
ST1(3)_IN_R+
ST2(4)_IN_L+ST2(4)_IN_L-
ST2(4)_IN_R- ST2(4)_IN_R+
C1
47/25
1 6
4
VR1A
POT14 20KK X2
2 5
3
VR1B
POT14 20KK X2
8
9
BRKT
VR1C
POT14 20KK X2
C6
47/25
5
6
7
U1B
TL072D SMD
3
2
1
U1A
TL072D SMD
R14
12K 0805
R21
12K 0805
R1
2K2 1% 0805
R4
2K2 1% 0805
C31
33P 0805
C34
33P 0805
2
1
3
SW1A
SW2PCOL (SPUN)
5
4
6
SW1B
SW2PCOL (SPUN)
C2
47/25
C7
47/25
R46
47K 0805
R50
47K 0805
3
2
1
U2A
TL072D SMD
C3
47/25
R16
10K 1% 0805
R15
10K 1% 0805
R18
10K 1% 0805
C32
33P 0805
5
6
7
U2B
TL072D SMD
C8
47/25
R23
10K 1% 0805
R22
10K 1% 0805
R25
10K 1% 0805
C36
33P 0805
R65
12K 0805
R64
12K 0805
R26
10K 1% 0805
R27
10K 1% 0805
5
6
7
U3B
TL072D SMD
R19
10K 1% 0805
R29
10K 1% 0805
C33
33P 0805
C37
33P 0805
C11
47/25
C12
47/25
1 6
4
VR2A
POT14 20KK X2
2 5
3
VR2B
POT14 20KK X2
R28
10K 1% 0805
R34
10K 1% 0805
3
2
1
U3A
TL072D SMD
R30
10K 1% 0805
R35
10K 1% 0805
C38
33P 0805
C40
33P 0805
C13
47/25
C18
47/25
5
6
7
U4B
TL072D SMD
3
2
1
U4A
TL072D SMD
R32
12K 0805
R33
12K 0805
R8
2K2 1% 0805
R7
2K2 1% 0805
C35
33P 0805
C39
33P 0805
2
1
3
SW3A
SW2PCOL (SPUN)
5
4
6
SW3B
SW2PCOL (SPUN)
C14
47/25
C19
47/25
R54
47K 0805
R55
47K 0805
C15
47/25
C20
47/25
8
9
BRKT
VR2C
POT14 20KK X2
ST2_LSUM
ST2_RSUM
ST2_RSUM ST2_LSUM
C5
47/25
C10
47/25
R93
0R0 0805
R94
0R0 0805
R47
47K 0805
R48
47K 0805
R51
47K 0805
R52
47K 0805
R53
47K 0805
R49
47K 0805
R78
100K 1% 0805
R79
100K 1% 0805
R81
100K 1% 0805
R76
100K 1% 0805
R74
100K 1% 0805
R73
100K 1% 0805
R72
100K 1% 0805
R77
100K 1% 0805
R2
2K2 1% 0805
R3
2K2 1% 0805
R6
2K2 1% 0805
R5
2K2 1% 0805
R70
8K2 1% 0805
R71
8K2 1% 0805
R87
27K 1% 0805
R86
27K 1% 0805
R83
27K 1% 0805
R82
27K 1% 0805
R84
27K 1% 0805
R85
27K 1% 0805
R88
27K 1% 0805
R89
27K 1% 0805
C52
2N2/MYL
C51
2N2 0805
C54
2N2/MYL
C53
2N2 0805
C46
22N 0805
C45
22N/MYL
C47
22N/MYL
C48
22N 0805
C43
1N0 0805
C44
1N0 0805
C49
22P_S
C50
22P_S
C56
330N 50V/PE
C55
330N 50V/PE
R91
6K8 1% 0805
R90
6K8 1% 0805
POSTEQ_R
POSTEQ_L
R17
10K 1% 0805
R24
10K 1% 0805
R31
10K 1% 0805
R36
10K 1% 0805
ST1(3)_IN_L+
ST1(3)_IN_R+
ST2(4)_IN_L+
ST2(4)_IN_L-
ST2(4)_IN_R-
ST2(4)_IN_R+
20
20
1
1
19
19
2
2
18
18
3
3
17
17
4
4
16
16
5
5
15
15
6
6
14
14
7
7
13
13
8
8
12
12
9
9
11
11
10
10
CN3
BOX 10X2 M 90 DEG
R66
12K 0805
R95
10R PF RAD
R96
10R PF RAD
R98
10R PF RAD
R97
10R PF RAD
C16
47/25
C17
47/25
C57
100N 0805
C58
100N 0805
+VB
+VA
-VA
-VB
GRP1GRP2
GRP3GRP4
PFL_DET
PFL
AUX1
AUX2
AUX3
AUX4
AUX5
AUX6
MIXL
MIXR
1
2
3
4
CN2
48V
MIXL
MIXR
TO CONNECTOR PCB
MASTER BUS HARNESS
EARTH SCREW TERMINAL
R20
10K 1% 0805
R13
10K 1% 0805
16
4
VR3A
POT14 20KB X2 C/D
2 5
3
VR5B
POT14 20KB X2 C/D
16
4
VR6A
POT14 20KB X2 C/D
1 6
4
VR4A
POT14 20KB X2 C/D
25
3
VR3B
POT14 20KB X2 C/D
25
3
VR6B
POT14 20KB X2 C/D
2 5
3
VR4B
POT14 20KB X2 C/D
8
9
BRKT
VR3C
POT14 20KB X2 C/D
8
9
BRKT
VR4C
POT14 20KB X2 C/D
8
9
BRKT
VR5C
POT14 20KB X2 C/D
8
9
BRKT
VR6C
POT14 20KB X2 C/D
R99
1K0 1% 0805
2
1
3
SW2A
SW2PCOL (SPUJ)
5
4
6
SW2B
SW2PCOL (SPUJ)
1 6
4
VR5A
POT14 20KB X2 C/D
5
6
7
U5B
TL072D SMD
3
2
1
U5A
TL072D SMD
5
6
7
U6B
TL072D SMD
3
2
1
U6A
TL072D SMD
BRKT
R75
NF RES SMD0805
R80
NF RES SMD0805
R133
NF RES SMD0805
R134
NF RES SMD0805
GRP1
GRP2
GRP3
GRP4
R75/80/133/134 0R0 0805 FITTED WZ 12
1
2
3
4
CN6
NF EARTH SCREW TERMINAL NARROW
CN2 NF ON WZ3 12
1 AAT 03-02-04 KV
2.1 MG 12-10-04
ISSUE 2.1 CIRCUIT CHANGES:
R118 & R119 FROM 56K TO 47K
R120 FROM 47K TO 56K
R129 FROM 82K TO 68K
003-211 iss.2.1

Related product manuals