EasyManua.ls Logo

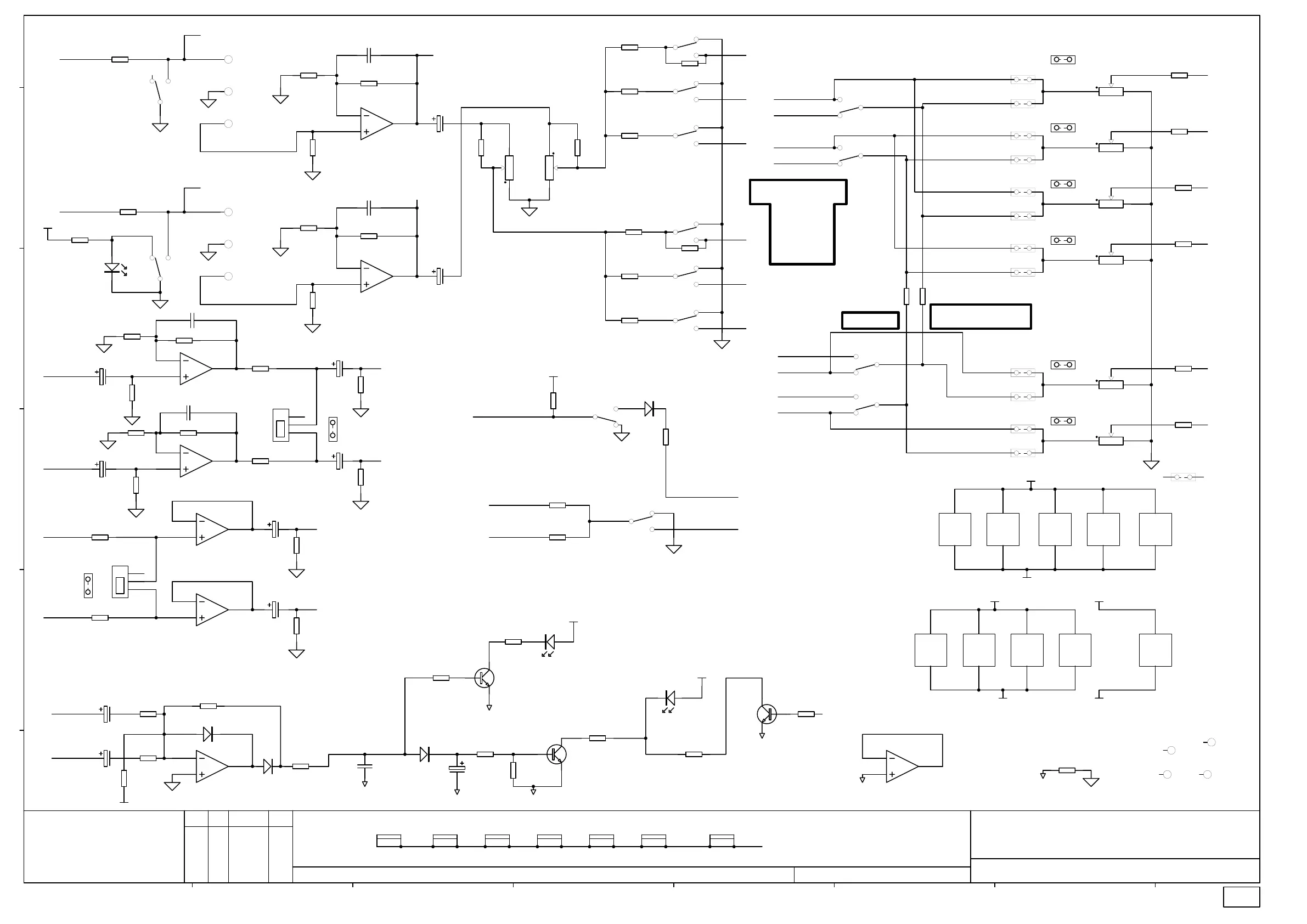
ALLEN & HEATH 14:4:2 MixWizard WZ3 - Stereo Input PCB Schematic (Cont.); PFL;AFL and Meter Circuits; Mono Output and Local Monitor Circuits

ALLEN & HEATH 14:4:2 MixWizard WZ3
78 pages
Print Icon
To Next Page IconTo Next Page
To Next Page IconTo Next Page
To Previous Page IconTo Previous Page
To Previous Page IconTo Previous Page
Loading...
Kernick Industrial Estate,
Penryn, Cornwall,
England. TR10 9LU
+44 (0)8707 556250
+44 (0)8707 556251
2.1
WZ³14:4:2 STEREO INPUT
5391 2 2
PAGE:
TITLE:
DRG No: ISSUE: SHEET: OF
ISSUE BY DATE
FILE: C5391_2-1P2.SCH 15:47:37 4-Nov-2004
ALLEN&HEATH
Tel:
Fax:
PRINTED:
ABCDEFGH
a
b
c
d
e
CHK
BY
2
1
3
SW8A
SW2PCOL (SPUN)
5
4
6
SW8B
SW2PCOL (SPUN)
R115
47K 0805
R117
47K 0805
+VB
POSTEQ_L
PFL
D1
BAS16
R114
220K 0805
PFL_DET
POSTEQ_L
POSTEQ_R
R9
2K2 1% 0805
R10
2K2 1% 0805
2
1
3
SW7A
SW2PCOL (SPUN)
5
4
6
SW7B
SW2PCOL (SPUN)
LD1
RED
P1
RED
P2
GRN
P3
BLU
5
6
7
U10B
TL072D SMD
R120
56K 1% 0805
D2
BAS16
D3
BAS16
R121
1K8 0805
-VB
+VB
R118
47K 0805
R119
47K 0805
C30
47/25
C29
47/25
POSTEQ_R
POSTEQ_L
R67
6K8 1% 0805
+VB
POSTMUTE_L
5
6
7
U7B
TL072D SMD
R56
47K 0805
R11
2K2 1% 0805
C41
33P 0805
16
4
VR13A
POT14 10KAC C/D
2 5
3
VR13B
POT14 10KAC C/D
R39
22K 1% 0805
R41
22K 1% 0805
MIXR
MIXL
2
1
3
SW9A
SW2PCOL (SPUN)
5
4
6
SW9B
SW2PCOL (SPUN)
2
1
3
SW10A
SW2PCOL (SPUN)
5
4
6
SW10B
SW2PCOL (SPUN)
2
1
3
SW11A
SW2PCOL (SPUN)
5
4
6
SW11B
SW2PCOL (SPUN)
R40
22K 1% 0805
R42
22K 1% 0805
R68
12K 0805
R69
12K 0805
GRP2
GRP3
GRP4
GRP1
P4
PNK
P5
GRN2
P6
YEL
POSTMUTE_R
3
2
1
U7A
TL072D SMD
R58
47K 0805
R12
2K2 1% 0805
C42
33P 0805
C21
47/25
C26
47/25
POSTFADE_L
POSTFADE_R
R106
6K8 1% 0805
R107
6K8 1% 0805
R57
47K 0805
3
2
1
U8A
TL072D SMD
C22
47/25
POSTMUTE_L
POSTMUTE_R
13
2
VR9A
POT11 20KK
13
2
VR10A
POT11 20KK
13
2
VR11A
POT11 20KK
13
2
VR12A
POT11 20KK
13
2
VR8A
POT11 20KK
13
2
VR7A
POT11 20KK
R108
10K 1% 0805
R109
10K 1% 0805
R110
10K 1% 0805
R111
10K 1% 0805
R112
10K 1% 0805
R113
10K 1% 0805
AUX1
AUX2
AUX3
AUX4
AUX5
AUX6
2
1
3
SW5A
SW2PCOL (SPUN)
2
1
3
SW6A
SW2PCOL (SPUN)
5
4
6
SW5B
SW2PCOL (SPUN)
5
4
6 SW6B
SW2PCOL (SPUN)
R60
47K 0805
5
6
7
U8B
TL072D SMD
C23
47/25
R100
1K0 1% 0805
R101
1K0 1% 0805
1
2
3
CN4
SIL 3 M STRT
PRE_AUX_L
PRE_AUX_R
C24
47/25
C25
47/25
R59
47K 0805
R63
47K 0805
1
2
3
CN5
SIL 3 M STRT
R43
10K 1% 0805
R44
10K 1% 0805
POSTFADE_R
POSTFADE_L
3
2
1
U9A
TL072D SMD
5
6
7
U9B
TL072D SMD
POST_AUX_L
POST_AUX_R
C27
47/25
C28
47/25
R61
47K 0805
R62
47K 0805
PRE_AUX_L
PRE_AUX_R
POST_AUX_L
POST_AUX_R
PRE_AUX_L
PRE_AUX_R
POST_AUX_L
POST_AUX_R
R38
NF RES SMD0805
R37
NF RES SMD0805
R116
47K 0805
POSTEQ_R
A MG 27-6-03
5
6
BRKT
VR7B
POT11 20KK
5
6
BRKT
VR8B
POT11 20KK
5
6
BRKT
VR9B
POT11 20KK
5
6
BRKT
VR10B
POT11 20KK
5
6
BRKT
VR11B
POT11 20KK
5
6
BRKT
VR12B
POT11 20KK
8
9
BRKT
VR13C
POT14 10KAC C/D
V-
4
V+
8
U6C
TL072D SMD
V-
4
V+
8
U7C
TL072D SMD
V-
4
V+
8
U8C
TL072D SMD
3
2
1
U10A
TL072D SMD
V-
4
V+
8
U10C
TL072D SMD
LG
V-
4
V+
8
U1C
TL072D SMD
V-
4
V+
8
U2C
TL072D SMD
V-
4
V+
8
U3C
TL072D SMD
V-
4
V+
8
U4C
TL072D SMD
V-
4
V+
8
U9C
TL072D SMD
V-
4
V+
8
U5C
TL072D SMD
+VA
-VA
-VA
+VA
R124
NF RES SMD0805
R125
NF RES SMD0805
BRKT
PFLLEDSIG
R132
2K7 0805
+VB
R127
22K 1% 0805
C60
100N 0805
R131
1M0 1% 0805
R129
68K 1% 0805
Q3
BC848B
LD2
LED T1 3MM RED
R128
47K 0805
LG
Q2
BC848B
Q1
BC848B
+VB
LD3
LED T1 3MM GREEN
R126
2K2 1% 0805
LG
LG
PFLLEDSIG
LG
LG
R130
0R0 0805
R103
22K 1% 0805
R104
22K 1% 0805
R45
10K 1% 0805
R92
10K 1% 0805
C59
33P 0805
C61
33P 0805
R102
47K 0805
D4
BAS16
C62
1/63
LG
R105
4M7 1% 0805
-VB
12
JP1A
IDC 13X2 M STRT(SINGLES)
34
JP1B
IDC 13X2 M STRT(SINGLES)
56
JP1C
IDC 13X2 M STRT(SINGLES)
78
JP1D
IDC 13X2 M STRT(SINGLES)
910
JP1E
IDC 13X2 M STRT(SINGLES)
1112
JP1F
IDC 13X2 M STRT(SINGLES)
1314
JP1G
IDC 13X2 M STRT(SINGLES)
1516
JP1H
IDC 13X2 M STRT(SINGLES)
1718
JP1I
IDC 13X2 M STRT(SINGLES)
1920
JP1J
IDC 13X2 M STRT(SINGLES)
2122
JP1K
IDC 13X2 M STRT(SINGLES)
2324
JP1L
IDC 13X2 M STRT(SINGLES)
2526
JP1M
IDC 13X2 M STRT(SINGLES)
AI1
HOLE-AI
AI2
SLOT-AI
FID1
FIDUCIAL
FID2
FIDUCIAL
SW9 NF WZ 12
SW10 NF WZ 12
SW11 NF WZ 12
R124 0R0 0805 FITTED WZ 12
R125 0R0 0805 FITTED WZ 12
R40 NF WZ 12
R42 NF WZ 12
R39 NF WZ 12
R41 NF WZ 12
R122 0R0 0805 FITTED WZ 12
R123 0R0 0805 FITTED WZ 12
R122
NF RES SMD0805
R123
NF RES SMD0805
SW6 NF WZ 12
JP2
JUMP 2 SKT
JP3
JUMP 2 SKT
DF 1-2
DF 1-2
1 AAT 03-02-04 KV
JS1
JUMP 2 SKT
JS2
JUMP 2 SKT
JS3
JUMP 2 SKT
JS4
JUMP 2 SKT
JS5
JUMP 2 SKT
JS6
JUMP 2 SKT
12
14
12
14
DF
DF
DF
DF
12
14
12
14
12
14
12
14
12
14
12
14
2.1 MG 12-10-04
003-211 iss.2.1

Related product manuals