EasyManua.ls Logo

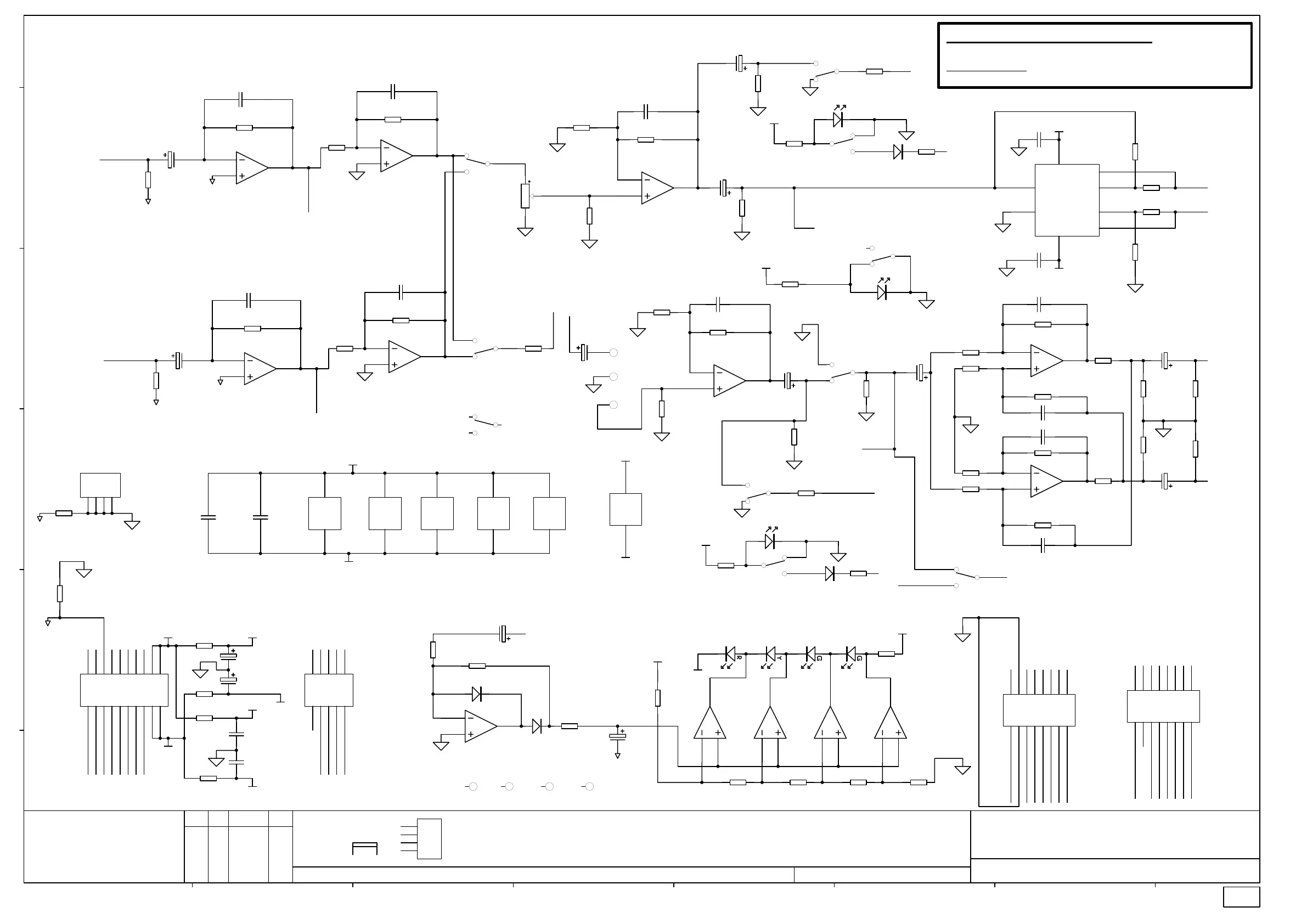
ALLEN & HEATH 14:4:2 MixWizard WZ3 - Left PCB Schematic; Input and Output Stages; PFL;AFL and Metering Circuits

ALLEN & HEATH 14:4:2 MixWizard WZ3
78 pages
Print Icon
To Next Page IconTo Next Page
To Next Page IconTo Next Page
To Previous Page IconTo Previous Page
To Previous Page IconTo Previous Page
Loading...
Kernick Industrial Estate,
Penryn, Cornwall,
England. TR10 9LU
+44 (0)8707 556250
+44 (0)8707 556251
2
WZ³14:4:2 LEFT
C5397 1 2
PAGE:
TITLE:
DRG No: ISSUE: SHEET: OF
ISSUE BY DATE
FILE: C5397_2P1.Sch 10:43:49 24-Aug-2004
ALLEN&HEATH
Tel:
Fax:
PRINTED:
ABCDEFGH
a
b
c
d
e
CHK
BY
3
2
1
U1A
NE5532 SMD
GC
R12
15K 1% 0805
C3
33P 0805
R54
68R 0805
P1
RED
P2
GRN
P3
BLU
SYS_AUX5
3
2
1
U2A
TL072D SMD
R13
10K 1% 0805
R14
10K 1% 0805
C4
33P 0805
C1
1000/6.3
R1
47K 0805
GC
2
1
3
SW10A
SW4PCOL (SPUJ)
5
4
6
SW10B
SW4PCOL (SPUJ)
11
10
12
SW10D
SW4PCOL (SPUJ)
5
6
7
U1B
NE5532 SMD
GC
R16
10K 1% 0805
C5
33P 0805
C15
47/25
SYS_MIXL
5
6
7
U2B
TL072D SMD
R17
10K 1% 0805
R18
10K 1% 0805
C6
33P 0805
C2
1000/6.3
R4
47K 0805
GC
8
7
9
SW10C
SW4PCOL (SPUJ)
1 3
2
VR3A
POT11 20KK
R15
10K 1% 0805
3
2
1
U3A
NE5532 SMD
V-
4
V+
8
U3C
NE5532 SMD
V-
4
V+
8
U1C
NE5532 SMD
V-
4
V+
8
U2C
TL072D SMD
V-
4
V+
8
U4C
TL072D SMD
V-
4
V+
8
U5C
TL072D SMD
R31
2K2 1% 0805
R35
4K7 1% 0805
C9
22P_S
INSEND
INSRET
R32
2K2 1% 0805
R36
4K7 1% 0805
C10
22P_S
R5
33K 1% 0805
R2
47K 0805
-VA
R50
68R 0805
R51
68R 0805
+VAC25
100N 0805
C26
100N 0805
AUX5_OUT+
AUX5_OUT-
R46
0R
R47
0R
C16
47/25
R3
47K 0805
2
1
3
SW9A
SW2PCOL (SPUN)
5
4
6
SW9B
SW2PCOL (SPUN)
R42
18K 1% 0805
+VB
R37
6K8 1% 0805
LD2
LED T1 3MM YELLOW
D1
BAS16
R62
10R PF RAD
R63
10R PF RAD
R65
10R PF RAD
R64
10R PF RAD
C20
47/25
C21
47/25
C29
100N 0805
C30
100N 0805
+VB
+VA
-VB
MAIN BUS HARNESS
-VA
GC
R61
NF RES SMD0805
20
20
1
1
19
19
2
2
18
18
3
3
17
17
4
4
16
16
5
5
15
15
6
6
14
14
7
7
13
13
8
8
12
12
9
9
11
11
10
10
CN1
BOX 10X2 M 90 DEG
GRP1GRP2
GRP3GRP4
PFL_DET
PFL/AFL
AUX1
AUX2
AUX3
AUX4
AUX5
AUX6
MIXL
MIXR
+48V
+VS
-VS
PFL_DET
PFL/AFL
R20
10K 1% 0805
R19
10K 1% 0805
R21
10K 1% 0805
R22
10K 1% 0805
R33
2K2 1% 0805
R34
2K2 1% 0805
R59
47R 0805
R60
47R 0805
3
2
1
U4A
TL072D SMD
5
6
7
U4B
TL072D SMD
C11 22P_S
C12 22P_S
C13 22P_S
C14 22P_S
MIXL_OUT+
MIXL_OUT-
C17
47/25
C33
100/25
C34
100/25
R8
47K 0805
R9
47K 0805
C18
220/10
R6
47K 0805
2
1
3
SW12A
SW2PCOL (SPUN)
5
4
6
SW12B
SW2PCOL (SPUN)
R43
18K 1% 0805
+VB
R39
6K8 1% 0805
LD4
LED T1 3MM YELLOW
D2
BAS16
PFL_DET
PFL/AFL
FLIP_FADER
FLIP_FADER
5
6
7
U5B
TL072D SMD
R66
56K 0805
R67
120K 1% 0805
D3
BAS16
D4
BAS16
R72
1K8 0805
C35
1/63
5
4
2
U6A
LM339 SMD
7
6
1
U6B
LM339 SMD
9
8
14
U6C
LM339 SMD
11
10
13
U6D
LM339 SMD
V-
12
V+
3
U6E
LM339
R23
2K7 0805
R73
4K7 1% 0805
R74
1K2 1% 0805
R75
1K0 1% 0805
R76
120R 1% 0805
+VB
-VB
+VB
AI1
HOLE-AI
AI2
SLOT-AI
FID1
FIDUCIAL
FID2
FIDUCIAL
2
1
3
SW11A
SW2PCOL (SPUN)
5
4
6
SW11B
SW2PCOL (SPUN)
C19
47/25
R7
47K 0805
FADER
5
6
BRKT
VR3B
POT11 20KK
1
2
3
4
CN2
EARTH SCREW TERMINAL NARROW
+VA
-VA
+VB
R38
6K8 1% 0805
LD3
LED RECT 5X2.5MM TOMB RED
LEFT_POSTFADE
1
1
2
2
3
3
4
4
5
5
6
6
7
7
8
8
9
9
10
10
CN4
BOX 5X2 M 90 DEG
AUX5_OUT+AUX5_OUT-
MIXL_OUT+MIXL_OUT-
TO REAR CONNECTOR PCB
C28
100N 0805
C27
100N 0805
MUTE FADER
AFL FADER
AFL ROTARY
INSENDINSRET
MIXL
AUX5
1
1
2
2
3
3
4
4
16
16
5
5
15
15
6
6
14
14
7
7
13
13
8
8
12
12
9
9
11
11
10
10
CN3
BOX 8X2 M 90 DEG
SYSLINK CONNECTORS
SYS_AUX1SYS_AUX2
SYS_AUX3SYS_AUX4
SYS_AUX5SYS_AUX6
SYS_GRP1SYS_GRP2
SYS_GRP3SYS_GRP4
SYS_MIXLSYS_MIXR
SYS_PFLSYS_PFL_DC
R52
4K7 1% 0805
R53
4K7 1% 0805
R55
4K7 1% 0805
R56
4K7 1% 0805
METER
METER
C24
47/25
R68
6K8 1% 0805
+VB
-VB
METER MOULDING
MTR1
LED BAR 4 TOMB_WZ3
LG
LG
R100
0R0 0805
5
6
7
U3B
NE5532 SMD
R101
100K 1% 0805
R102
100K 1% 0805
1
1
2
2
3
3
4
4
16
16
5
5
15
15
6
6
14
14
7
7
13
13
8
8
12
12
9
9
11
11
10
10
CN7
BOX 8X2 M 90 DEG
SYSIN_AUX1SYSIN_AUX2
SYSIN_AUX3SYSIN_AUX4
SYSIN_AUX5SYSIN_AUX6
SYSIN_GRP1SYSIN_GRP2
SYSIN_GRP3SYSIN_GRP4
SYSIN_MIXLSYSIN_MIXR
SYSIN_PFLSYS_PFL_EN
INPUT OUTPUT
A
B
MG
AAT
14-07-03
18-11-03
1
2
3
4
CN8
EARTH SCREW TERMINAL NARROW
1 AAT 03-02-04 XXX
1.1 AAT 20-04-04 XXX
VIN
4
GND
3
FORCE+
8
FORCE-
1
SENSE+
7
SENSE-
2
V+
6
V-
5
U7
BALANCED OUTPUT DRIVER (SOCKET FITTED AL0013)
BALANCED OUTPUT OPTION
BALANCED OUTPUT DRIVER U7
USE EITHER SSM2142 (AH PART NO. AE0302) , OR DRC134PA (AH PART NO. AE5725).
AUX 5 FIT U7 TO SOCKET, REMOVE R46 & R47
FITTING INSTRUCTIONS
2 AAT 10-06-04 XXX
003-212 iss.2

Related product manuals