EasyManua.ls Logo

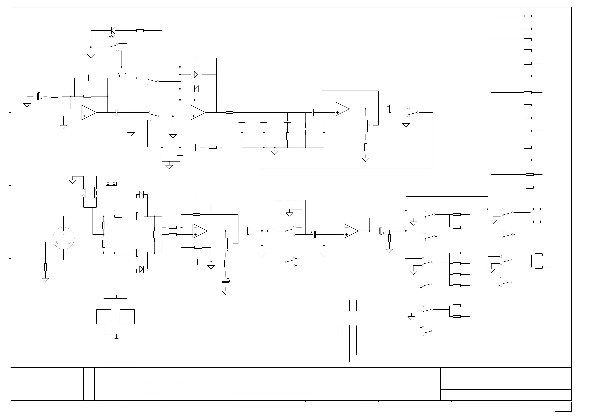
ALLEN & HEATH 14:4:2 MixWizard WZ3 - Left PCB Schematic (Cont.); Noise;Oscillator and Talkback Circuits; SYS-LINK Connector Interface

ALLEN & HEATH 14:4:2 MixWizard WZ3
78 pages
Print Icon
To Next Page IconTo Next Page
To Next Page IconTo Next Page
To Previous Page IconTo Previous Page
To Previous Page IconTo Previous Page
Loading...
Kernick Industrial Estate,
Penryn, Cornwall,
England. TR10 9LU
+44 (0)8707 556250
+44 (0)8707 556251
2
WZ³14:4:2 LEFT
C5397 2 2
PAGE:
TITLE:
DRG No: ISSUE: SHEET: OF
ISSUE BY DATE
FILE: C5397_2P2.Sch 10:43:50 24-Aug-2004
ALLEN&HEATH
Tel:
Fax:
PRINTED:
ABCDEFGH
a
b
c
d
e
CHK
BY
3
1 2
0
CN6
XLR NC3FAHR20
C48
47/63
C49
47/63
C36
47/25
+48V
C37
47/25
C38
47/25
C39
47/25
C32
47/25
TALKBACK MIC
-VA
-VA
1 2
JP1
JUMP 2 STRT
1 2
JP2
JUMP 2 STRT
13
2
VR1A
POT11 5KRD
5
6
BRKT
VR1B
POT11 5KRD
3
2
1
U8A
TL072D SMD
5
6
7
U8B
TL072D SMD
D5
BAS16
D6
BAS16
R87
220K 0805
R81
330K 1% 0805
R91
150K 1% 0805
C44
1N0 0805
C43
1N0 0805
C8
22P_S
C7
22P_S
R86
220K 0805
C31
1/63
C40
100N 0805
2
1
3
SW1A
SW2PCOL (SPUN)
5
4
6
SW1B
SW2PCOL (SPUN)
R80
100K 1% 0805
R85
1K0 1% 0805
R88
27K 0805
R92
15K 0805
R94
12K 0805
R49
3K3 1% 0805
R95
1M0 1% 0805
R78
47R 0805
C42
47N 0805
C47
10N_S
C46
15N_S
C45
22N 0805
C41
100N 0805
13
2
VR2A
POT11 5KRD
5
6
BRKT
VR2B
POT11 5KRD
2
1
3
SW2A
SW2PCOL (SPUJ)
5
4
6
SW2B
SW2PCOL (SPUJ)
R82
6K8 1% 0805
R83
6K8 1% 0805
R57
4K7 1% 0805
D7
BAS16
D8
BAS16
R96
10R 0805
R97
10R 0805
R69
4K7 1% 0805
R58
4K7 1% 0805
R98
22K 0805
R99
22K 0805
C22
22P_S
C23
22P_S
R79
47R 0805
R10
47K 0805
R70
4K7 1% 0805
R93
15K 0805
R11
47K 0805
R24
47K 0805
JP3
JUMP 2 SKT
2
1
3
SW8A
SW2PCOM (SPUN)
R48
3K3 1% 0805
+VB
2
1
3
SW3A
SW2PCOL (SPUN)
5
4
6
SW3B
SW2PCOL (SPUN)
2
1
3
SW4A
SW2PCOL (SPUN)
5
4
6
SW4B
SW2PCOL (SPUN)
2
1
3
SW5A
SW2PCOL (SPUN)
5
4
6
SW5B
SW2PCOL (SPUN)
2
1
3
SW6A
SW2PCOL (SPUN)
5
4
6
SW6B
SW2PCOL (SPUN)
2
1
3
SW7A
SW2PCOL (SPUN)
5
4
6
SW7B
SW2PCOL (SPUN)
R71
10K 1% 0805
R77
10K 1% 0805
R26
18K 1% 0805
R27
18K 1% 0805
R28
18K 1% 0805
R29
18K 1% 0805
R30
15K 1% 0805
R45
15K 1% 0805
R25
15K 1% 0805
R40
15K 1% 0805
R41
15K 1% 0805
R44
15K 1% 0805
MIXL
MIXR
GRP1
GRP2
GRP3
GRP4
AUX1
AUX2
AUX3
AUX4
AUX5
AUX6
3
2
1
U5A
TL072D SMD
3
2
1
U9A
TL072D SMD
5
6
7
U9B
TL072D SMD
V-
4
V+
8
U8C
TL072D SMD
V-
4
V+
8
U9C
TL072D SMD
1
1
2
2
3
3
4
4
5
5
6
6
7
7
8
8
9
9
10
10
CN5
BOX 5X2 M 90 DEG
MASTER SECTION INTERCONNECT
LEFT_POSTFADERIGHT_POSTFADE
POST_GRP1POST_GRP2
POST_GRP3POST_GRP4
-VA
+VA
R84
220R 0805
NOISE/OSC
ON
ON
5
4
6
SW8B
SW2PCOM (SPUN)
R90
270K 0805
R89
270K 0805
R103
100R 1% 0805
R105
15K 0805
R106
15K 0805
R107
15K 0805
R108
15K 0805
R109
15K 0805
R110
15K 0805
R111
18K 1% 0805
R112
18K 1% 0805
R113
18K 1% 0805
R114
18K 1% 0805
R115
10K 1% 0805
R116
10K 1% 0805
AUX1
AUX2
AUX3
AUX4
AUX5
AUX6
GRP1
GRP2
GRP3
GRP4
MIXL
MIXR
SYSIN_AUX1
SYSIN_AUX2
SYSIN_AUX3
SYSIN_AUX4
SYSIN_AUX5
SYSIN_AUX6
SYSIN_GRP1
SYSIN_GRP2
SYSIN_GRP3
SYSIN_GRP4
SYSIN_MIXL
SYSIN_MIXR
R117
10K 1% 0805
SYSIN_PFL PFL/AFL
R104
0R0 0805
SYS_PFL_EN PFL_DET
A
B
MG
AAT
14-07-03
18-11-03
LD1
LED T1 3MM YELLOW
1 AAT 03-02-04 XXX
DF
1.1 AAT 20-04-04 XXX
2 AAT 10-06-04 XXX
C50
1/50_S
003-212/2
003-212 iss.2

Related product manuals