EasyManua.ls Logo

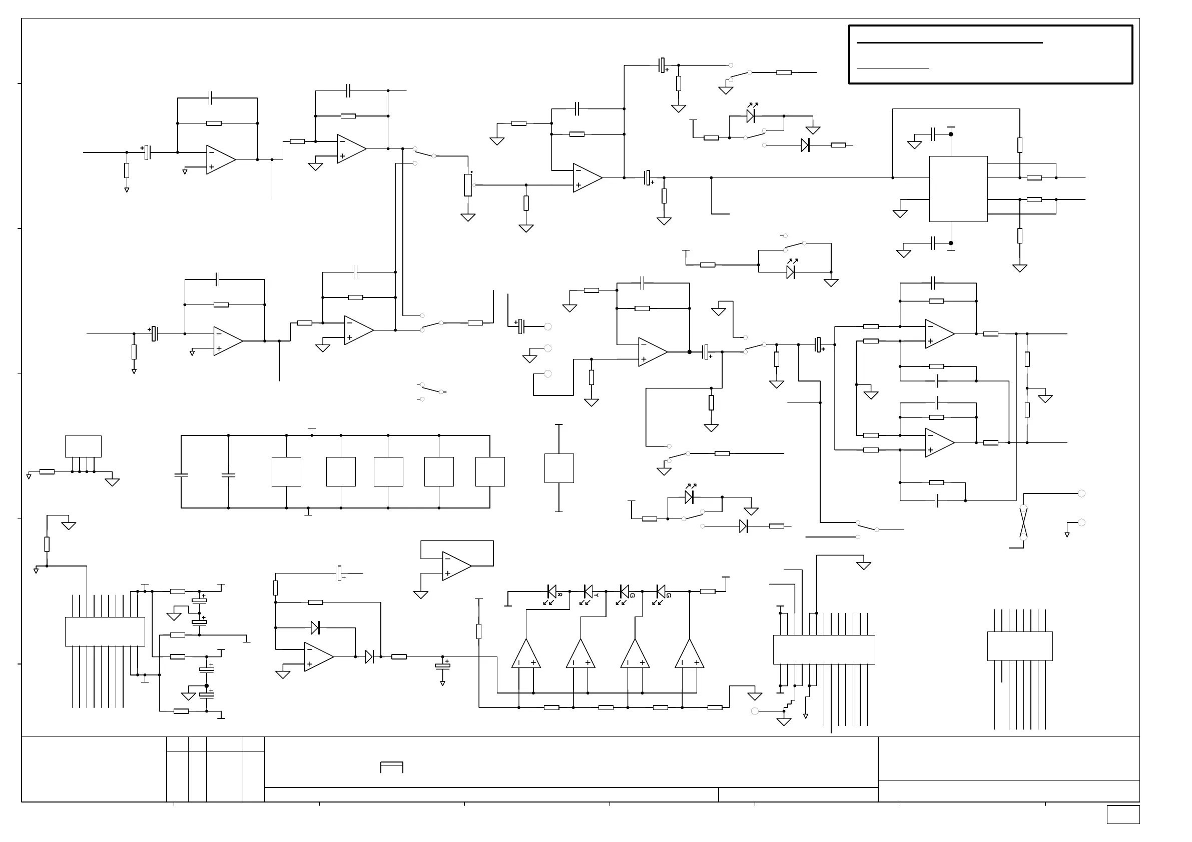
ALLEN & HEATH 14:4:2 MixWizard WZ3 - Right PCB Schematic; Input and Output Stages; PFL;AFL and Metering Circuits

ALLEN & HEATH 14:4:2 MixWizard WZ3
78 pages
Print Icon
To Next Page IconTo Next Page
To Next Page IconTo Next Page
To Previous Page IconTo Previous Page
To Previous Page IconTo Previous Page
Loading...
Kernick Industrial Estate,
Penryn, Cornwall,
England. TR10 9LU
+44 (0)8707 556250
+44 (0)8707 556251
2.2
WZ³14:4:2 RIGHT
C5398 1 3
PAGE:
TITLE:
DRG No: ISSUE: SHEET: OF
ISSUE BY DATE
FILE: C5398_2.2P1.Sch 12:24:24 13-Sep-2004
ALLEN&HEATH
Tel:
Fax:
PRINTED:
ABCDEFGH
a
b
c
d
e
CHK
BY
3
2
1
U1A
NE5532 SMD
GC
R12
15K 1% 0805
C5
33P 0805
R73
68R 0805
P1
RED
P2
GRN
P3
BLU
SYS_AUX6
3
2
1
U2A
TL072D SMD
R13
10K 1% 0805
R14
10K 1% 0805
C6
33P 0805
C1
1000/6.3
R1
47K 0805
GC
2
1
3
SW4A
SW4PCOL (SPUJ)
5
4
6
SW4B
SW4PCOL (SPUJ)
11
10
12
SW4D
SW4PCOL (SPUJ)
5
6
7
U1B
NE5532 SMD
GC
R16
10K 1% 0805
C7
33P 0805
C30
47/25
SYS_MIXR
5
6
7
U2B
TL072D SMD
R17
10K 1% 0805
R18
10K 1% 0805
C8
33P 0805
C2
1000/6.3
R4
47K 0805
GC
8
7
9
SW4C
SW4PCOL (SPUJ)
1 3
2
VR3A
POT11 20KK
R15
10K 1% 0805
3
2
1
U3A
NE5532 SMD
V-
4
V+
8
U3C
NE5532 SMD
V-
4
V+
8
U1C
NE5532 SMD
V-
4
V+
8
U2C
TL072D SMD
V-
4
V+
8
U4C
TL072D SMD
V-
4
V+
8
U5C
TL072D SMD
R42
2K2 1% 0805
R51
4K7 1% 0805
C20
22P_S
INSEND
INSRET
5
6
7
U3B
NE5532 SMD
R43
2K2 1% 0805
R52
4K7 1% 0805
C21
22P_S
R5
33K 1% 0805
R2
47K 0805
-VA
R71
68R 0805
R72
68R 0805
+VAC45
100N 0805
C46
100N 0805
AUX6_OUT+
AUX6_OUT-
R69
0R
R70
0R
C31
47/25
R3
47K 0805
2
1
3
SW3A
SW2PCOL (SPUN)
5
4
6
SW3B
SW2PCOL (SPUN)
R64
18K 1% 0805
+VB
R58
3K3 1% 0805
LD3
LED T1 3MM YELLOW
D1
BAS16
R106
10R PF RAD
R108
10R PF RAD
R110
10R PF RAD
R109
10R PF RAD
C35
47/25
C36
47/25
+VB
+VA
-VB
MAIN BUS HARNESS
-VA
GC
R103
NF
20
20
1
1
19
19
2
2
18
18
3
3
17
17
4
4
16
16
5
5
15
15
6
6
14
14
7
7
13
13
8
8
12
12
9
9
11
11
10
10
CN1
BOX 10X2 M 90 DEG
GRP1GRP2
GRP3GRP4
PFL_DET
PFL/AFL
AUX1
AUX2
AUX3
AUX4
AUX5
AUX6
MIXL
MIXR
48V
+VS
-VS
PFL_DET
PFL/AFL
R20
10K 1% 0805
R19
10K 1% 0805
R21
10K 1% 0805
R22
10K 1% 0805
R44
2K2 1% 0805
R45
2K2 1% 0805
R96
47R 0805
R97
47R 0805
3
2
1
U4A
TL072D SMD
5
6
7
U4B
TL072D SMD
C22 22P_S
C23 22P_S
C24 22P_S
C25 22P_S
MIXR_OUT+
MIXR_OUT-
R78
4K7 1% 0805
R79
4K7 1% 0805
R80
4K7 1% 0805
R81
4K7 1% 0805
C32
47/25
C33
220/10
R6
47K 0805
2
1
3
SW7A
SW2PCOL (SPUN)
5
4
6
SW7B
SW2PCOL (SPUN)
R65
18K 1% 0805
+VB
R60
3K3 1% 0805
LD5
LED T1 3MM YELLOW
D2
BAS16
PFL_DET
PFL/AFL
FLIP_FADER
FLIP_FADER
3
2
1
U5A
TL072D SMD
R111
56K 0805
R114
120K 1% 0805
D3
BAS16
D4
BAS16
R120
1K8 0805
C57
1/63
5
4
2
U6A
LM339 SMD
7
6
1
U6B
LM339 SMD
9
8
14
U6C
LM339 SMD
11
10
13
U6D
LM339 SMD
V-
12
V+
3
U6E
LM339
R117
6K8 1% 0805
+VB
-VB
R23
2K7 0805
R123
4K7 1% 0805
R124
1K2 1% 0805
R125
1K0 1% 0805
R126
120R 1% 0805
+VB
-VB
+VB
2
1
3
SW6A
SW2PCOL (SPUN)
5
4
6
SW6B
SW2PCOL (SPUN)
C34
47/25
R7
47K 0805
FADER
1
2
3
4
CN5
EARTH SCREW TERMINAL NARROW
+VA
-VA
+VB
R59
6K8 1% 0805
LD4
LED RECT 5X2.5MM TOMB RED
RIGHT_POSTFADE
C48
100N 0805
C47
100N 0805
MUTE FADER
AFL FADER
AFL ROTARY
MIXR
AUX6
1
1
2
2
3
3
4
4
16
16
5
5
15
15
6
6
14
14
7
7
13
13
8
8
12
12
9
9
11
11
10
10
CN2
BOX 8X2 M 90 DEG
SYSLINK CONNECTOR
SYS_AUX1SYS_AUX2
SYS_AUX3SYS_AUX4
SYS_AUX5SYS_AUX6
SYS_GRP1SYS_GRP2
SYS_GRP3SYS_GRP4
SYS_MIXLSYS_MIXR
SYS_PFLSYS_PFL_ON
AUX6_OUT+AUX6_OUT-
MIXR_OUT+MIXR_OUT-
TO REAR CONNECTOR PCB
INSENDINSRET
+VS
-VS
48V
10V
2TRK_IN_L2TRK_IN_R
2TRK_OUT_R 2TRK_OUT_L
LOCAL_MON_LLOCAL_MON_R
1
1
2
2
3
3
4
4
5
5
6
6
7
7
8
8
9
9
10
10
11
11
12
12
13
13
14
14
15
15
16
16
17
17
18
18
19
19
20
20
21
21
22
22
23
23
24
24
25
25
26
26
CN3
BOX 13X2 M 90 DEG
MONO_OUT+MONO_OUT-
C37
47/25
METER
METER
5
6
BRKT
VR3B
POT11 20KK
LG
P12
PIN-SOLDER 1.2MM
P13
PIN-SOLDER 1.2MM
LG
10V
TO LAMP
MTR1
LED BAR 4 TOMB_WZ3
LG
LG
R100
0R0 0805
C49
330/25
C50
330/25
5
6
7
U5B
TL072D SMD
R8
100K 1% 0805
R9
100K 1% 0805
B
A
AAT
MG 09-07-03
17-11-03
1 MG 3-2-04
AUX6_SIG
1 2
F1
FUSE SMD 1A63V 1206
P14
SGND
VIN
4
GND
3
FORCE+
8
FORCE-
1
SENSE+
7
SENSE-
2
V+
6
V-
5
U7
BALANCED OUTPUT DRIVER (SOCKET FITTED AL0013)
BALANCED OUTPUT OPTION
BALANCED OUTPUT DRIVER U7
USE EITHER SSM2142 (AH PART NO. AE0302) , OR DRC134PA (AH PART NO. AE5725).
AUX 6 FIT U7 TO SOCKET, REMOVE R69 & R70
FITTING INSTRUCTIONS
NOT FITTED GL2400
2.1 AAT 23-08-04
2.2 MG 10-9-04
003-213 iss.2.2

Related product manuals