EasyManua.ls Logo

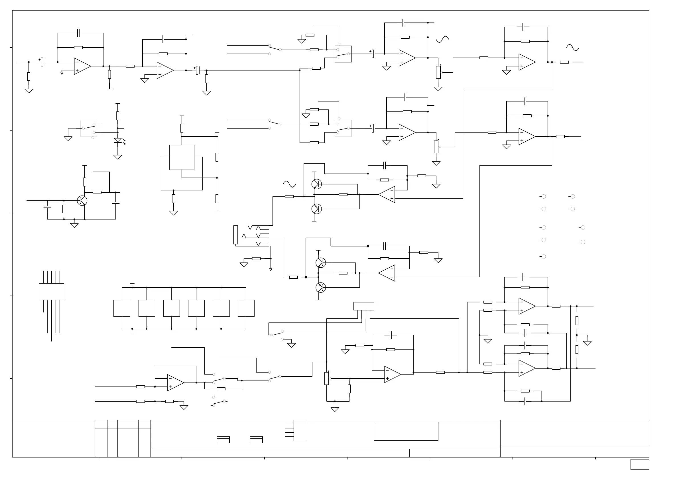
ALLEN & HEATH 14:4:2 MixWizard WZ3 - Right PCB Schematic (Cont.); Mono Output and Local Monitor Circuits; LM339 Comparator Circuits

ALLEN & HEATH 14:4:2 MixWizard WZ3
78 pages
Print Icon
To Next Page IconTo Next Page
To Next Page IconTo Next Page
To Previous Page IconTo Previous Page
To Previous Page IconTo Previous Page
Loading...
Kernick Industrial Estate,
Penryn, Cornwall,
England. TR10 9LU
+44 (0)8707 556250
+44 (0)8707 556251
2.2
WZ³14:4:2 RIGHT
C5398 2 3
PAGE:
TITLE:
DRG No: ISSUE: SHEET: OF
ISSUE BY DATE
FILE: C5398_2.2P2.Sch 12:24:24 13-Sep-2004
ALLEN&HEATH
Tel:
Fax:
PRINTED:
ABCDEFGH
a
b
c
d
e
CHK
BY
C60
100N_S
R132
220K 0805
R134
27K 0805
+5V
PFL_ON_L
PFL_DET
A
14
11
13
12
U9A
74HCT4053
2
1
10
15
B
U9B
74HCT4053
5
3
9
4
C
U9C
74HCT4053
INH
6
VEE
7
VSS
8
VDD
16
U9D
74HCT4053
R53
5K6 0805
R54
5K6 0805
R118
6K8 1% 0805
R82
4K7 1% 0805
+VA
+VB
-VA
+5V
Q1
BC848B
R101
0R0 0805
5
6
7
U10B
TL072D SMD
3
2
1
U10A
TL072D SMD
C11
33P 0805
C12
33P 0805
C40
47/25
C39
47/25
R104
4K7 1% 0805
R105
4K7 1% 0805
R89
2K7 0805
LD2
LED T1 3MM RED
3
2
1
U8A
TL072D SMD
GC
R66
10K 1% 0805
C9
33P 0805
PFL/AFL
5
6
7
U8B
TL072D SMD
R27
10K 1% 0805
C61
10N_S
PFL_ON_L
PFL_ON_L
R131
22R 0805
SYS_PFL
SYS_PFL_ON
R24
10K 1% 0805
R25
10K 1% 0805
C10
33P 0805
C38
47/25
R83
4K7 1% 0805
R84
4K7 1% 0805
R86
2K7 0805
R85
4K7 1% 0805
R87
4K7 1% 0805
R88
4K7 1% 0805
2
1
3
SW2A
SW2PCOL (SPUN)
5
4
6
SW2B
SW2PCOL (SPUN)
LEFT_POSTFADE
RIGHT_POSTFADE
RIGHT_2TRK
LEFT_2TRK
PFL_SIG
1 6
4
VR2A
POT14 20KK X2
2 5
3
VR2B
POT14 20KK X2
R28
10K 1% 0805
R30
10K 1% 0805
5
6
7
U12B
TL072D SMD
3
2
1
U12A
TL072D SMD
R112
22K 1% 0805
R113
22K 1% 0805
C16
33P 0805
C15
33P 0805
R137
330R 1% 0805
R138
330R 1% 0805
Q3
BC848B
Q2
BC848B
Q5
BC858B
Q4
BC858B
+VB
+VB
-VB
-VB
T
R
CN6
JACK SLIMJACK MET SW6
R135
100R 0805
R136
100R 0805
R143
10R 0805
HPGND
5
6
7
U11B
TL072D SMD
3
2
1
U11A
TL072D SMD
C13
33P 0805
C14
33P 0805
R26
10K 1% 0805
R29
10K 1% 0805
R67
33K 1% 0805
R68
33K 1% 0805
R74
68R 0805
R75
68R 0805
LEFT_POSTFADE
RIGHT_POSTFADE
PFL_SIG
2
1
3
SW5A
SW2PCOL (SPUJ)
5
4
6
SW5B
SW2PCOL (SPUJ)
R92
4K7 1% 0805
R93
4K7 1% 0805
1 3
2
VR4A
POT11 20KK
5
6
BRKT
VR4B
POT11 20KK
R32
10K 1% 0805
R31
10K 1% 0805
R35
10K 1% 0805
R34
10K 1% 0805
R47
2K2 1% 0805
R48
2K2 1% 0805
R98
47R 0805
R99
47R 0805
3
2
1
U13A
TL072D SMD
5
6
7
U13B
TL072D SMD
C26 22P_S
C27 22P_S
C28 22P_S
C29 22P_S
MONO_OUT+
MONO_OUT-
R90
4K7 1% 0805
R91
4K7 1% 0805
R95
4K7 1% 0805
R94
4K7 1% 0805
3
2
1
U14A
TL072D SMD
5
6
7
U14B
TL072D SMD
R33
10K 1% 0805
R55
4K7 1% 0805
R46
2K2 1% 0805
C17
33P 0805
1
1
2
2
3
3
4
4
5
5
6
6
7
7
8
8
9
9
10
10
CN4
BOX 5X2 M 90 DEG
MASTER SECTION INTERCONNECT
LEFT_POSTFADERIGHT_POSTFADE
POST_GRP1POST_GRP2
POST_GRP3POST_GRP4
LOCAL_MON_R
LOCAL_MON_L
8
9
BRKT
VR2C
POT14 20KK X2
V-
4
V+
8
U8C
TL072D SMD
V-
4
V+
8
U10C
TL072D SMD
V-
4
V+
8
U11C
TL072D SMD
V-
4
V+
8
U12C
TL072D SMD
V-
4
V+
8
U14C
TL072D SMD
V-
4
V+
8
U13C
TL072D SMD
+VA
-VA
METER_L
METER_R
R133
220K 0805
AI1
HOLE-AI
AI2
SLOT-AI
FID1
FIDUCIAL
FID2
FIDUCIAL
FH3
HOLE-FIXING 3.5MM
FH1
HOLE-FIXING 3.5MM
FH2
HOLE-FIXING 3.5MM
FH4
HOLE-FIXING 3.5MM
2
1
3
SW8A
SW2PCOL (SPUJ)
5
4
6
SW8B
SW2PCOL (SPUJ)
1
2
3
4
CN7
NF EARTH SCREW TERMINAL NARROW
B
A
AAT
MG 09-07-03
17-11-03
1 MG 3-2-04
1
2
3
4
CN8
SIL 4 M STRT
R10
0R0 0805
AUX6_SIG
SW8 NOT FITTED ON 14:4:2
R11
0R0 0805
R11 NOT FITTED ON GL2500
PILLAR
HOLE-FIXING 3.2MM
R76
NF RES SMD0805
C51
220/10
CN8 NOT FITTED ON 14:4:2
2.1 AAT 23-08-04
2.2 MG 10-9-04
003-213 iss.2.2

Related product manuals