EasyManua.ls Logo

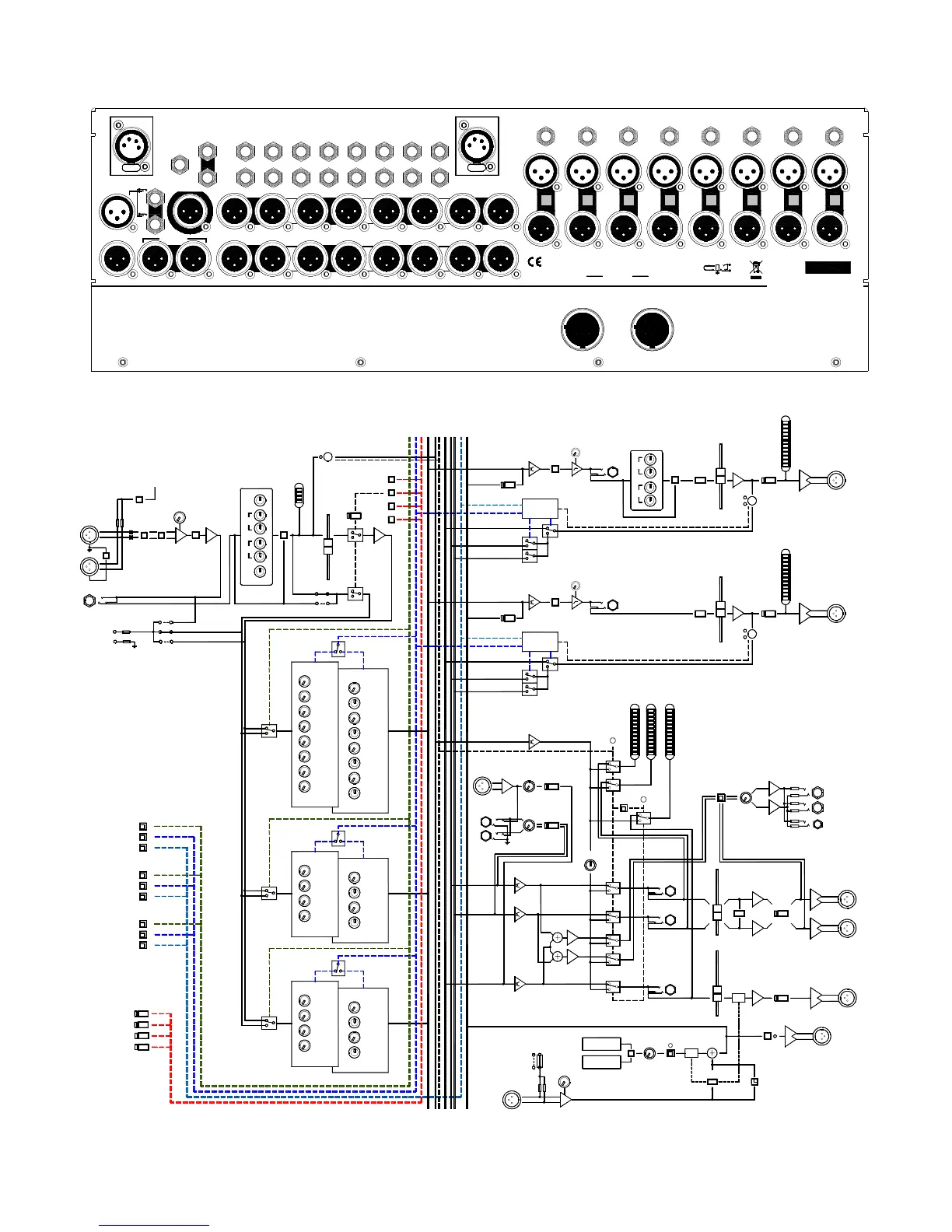
ALLEN & HEATH GL2800M - Input Channels; System Block Diagram

ALLEN & HEATH GL2800M
23 pages
Print Icon
To Next Page IconTo Next Page
To Next Page IconTo Next Page
To Previous Page IconTo Previous Page
To Previous Page IconTo Previous Page
Loading...
G
GG
GL
LL
L2
22
28
88
80
00
00
00
0M
MM
M
7
Allen & Heath
+4dBu
2 = +
MIX OUT
BAL
MUTE
INSERT
-2dBu
MIX
FADER
+10dB boost
AFL
LO-CUT
FILTER
POLARITY
2 BAND EQ
HM
LM
EQ IN
MIX1-8
W
IEM
DIM
TB
AFL
LOGIC
WEDGE AFL
L IEM AFL
R IEM AFL
-6dB
W/IEM
M/ST
MUTE GROUPS
PRE/POST FADE
MONO/STEREO MODE
WEDGE/IEM AFL
PRE/POST FADE
MONO/STEREO MODE
WEDGE/IEM AFL
PRE/POST FADE
MONO/STEREO MODE
WEDGE/IEM AFL
D
E
F
G
H
I
MIX9-12
J
K
L
MIX13-16
MIX1-8
M1
M2
M3
M4
GLOBAL MIX SETTINGS
C
D
E
B
A
J2J1
MODE 9-12
POST
MIX13
MIX14
MIX13-14
PAN
MONO
STEREO
MIX15
MIX16
MIX15-16
PAN
PRE
MODE 13-16
TB
AFL
LOGIC
WEDGE AFL
L IEM AFL
R IEM AFL
-6dB
EXT TB OUT
EXT TB
+4dBu
2 = +
B
A
16 MIX WEDGE / IEM MONITOR CONSOLE
C
M
W/IEM
M/ST
PHONES AFL
MIX 1-16
MUTE GRPS
MIX1
MIX2
MIX1-2
PAN
MONO
STEREO
MIX3
MIX4
MIX5
MIX6
MIX7
MIX8
MIX3-4
PAN
MIX5-6
PAN
MIX7-8
PAN
PRE
MODE 1-8
POST
MIX9
MIX10
MIX9-10
PAN
MONO
STEREO
MIX11
MIX12
MIX11-12
PAN
PRE
MUTE
M4
M3
M1
M2
PFL
PRE-EQ
POST-EQ
POST-FADE
PRE-FADE
PFL
IEM AFL
PRE/POST
MUTE GROUPS
SPLIT
LIFT
PHANTOM POWER
POST
W PFL
ENABLE
FADER
+10dB boost
FADER
+10dB boost
WEDGE AFL
MONO
R
-
+
WEDGE EXT IN
ON
MUTE
MUTE
IEM EXT IN
L/M
ON
W
IEM
FOLLOW IEM
PRESS TO TALK
TB/OSC
ON
48V PHANTOM POWER
OFF
MIC IN
TALKBACK
2= +
+
-
GAIN
PINK NOISE
1kHz OSC
ON
LEVEL
DIRECT OUT
+4dBu
2 = +
MIX OUT
BAL
MUTE
INSERT
-2dBu
MIX
FADER
+10dB boost
AFL
LO-CUT
FILTER
W AFL
M/STEREO
IEM/WEDGE
TB
DIM
LATCH
DIM
GL2800M
PRE-FADE
PRE-INSERT
POST-FADE
SOLDER PAD OPTION
DIM
POLARITY
EQ IN
INPUT CHANNELS
MIX9-16
IEM PFL
PFL MIX
R
L
PHONES
RING = RIGHT
TIP = LEFT
PHONES OUT
3
2
1
POL
48V
HPF
PAD
-20dB
GAIN
-
+
TIP= SEND
RING= RETURN
2= +
IN
0dBu
INSERT
4 BAND EQUALISER
HM
HF
LM
LF
METER
FADER
IEM AFL
INSERT
-2dBu
+4dBu
2 = +
IEM OUT
BAL
+4dBu
2 = +
BAL
INSERT
-2dBu
PFL TRIM
INSERT
-2dBu
+4dBu
2 = +
WEDGE OUT
BAL
IEM
WEDGE
WEDGE
IEM
INSERT INSERT INSERT INSERT INSERT INSERT INSERT INSERT
INPUT
GND LIFT
SPLIT
SPLIT SPLIT SPLIT SPLIT SPLIT SPLIT SPLIT
GND LIFT GND LIFT GND LIFT GND LIFT GND LIFT GND LIFT GND LIFT
INPUT INPUT INPUT INPUT INPUT INPUT INPUT
B
(BACKUP)
A
8 7 6 5 4 3 2 1
INSERT INSERT INSERT INSERT INSERT INSERT INSERT INSERT
16 15 14 13 12 11 10 9
INSERT INSERT INSERT INSERT INSERT INSERT INSERT INSERT
L
R
IEM
INSERT
W
GL2800M
ALLEN&HEATH
R
L/M
IEM EXT IN
WEDGE EXT IN
LAMP LAMP
EXT TB/OSC
INSERT
RETURN
SEND
RING
TIP
GL2800M
SERIAL NUMBER
MADE IN ENGLAND BY ALLEN & HEATH LIMITED
INSERT
16 15 14 13 12 11 10 9
8 7 6 5 4 3 2 1
IEM LRWEDGE
MIX MIX MIX MIX MIX MIX
MIX MIX MIX MIX MIX MIX
MIX
MIX MIX
MIX
DC POWER IN
This device complies with Part 15 of the FCC Rules. Operation is subject to the following two conditions:
(2) this device mus t a ccept any interference received, including interference that may cause undesired operation.
(1) this device ma y not cause harmful interference, and
USE ONLY THE RECOMMENDED
ALLEN & HEATH POWER SUPPLY

Other manuals for ALLEN & HEATH GL2800M

Related product manuals