EasyManua.ls Logo

ALLEN & HEATH MixWizard WZ3 12M - System Block Diagram; Signal Flow Diagram

ALLEN & HEATH MixWizard WZ3 12M
22 pages
Print Icon
To Next Page IconTo Next Page
To Next Page IconTo Next Page
To Previous Page IconTo Previous Page
To Previous Page IconTo Previous Page
Loading...
WZ
3
12M User Guide 21
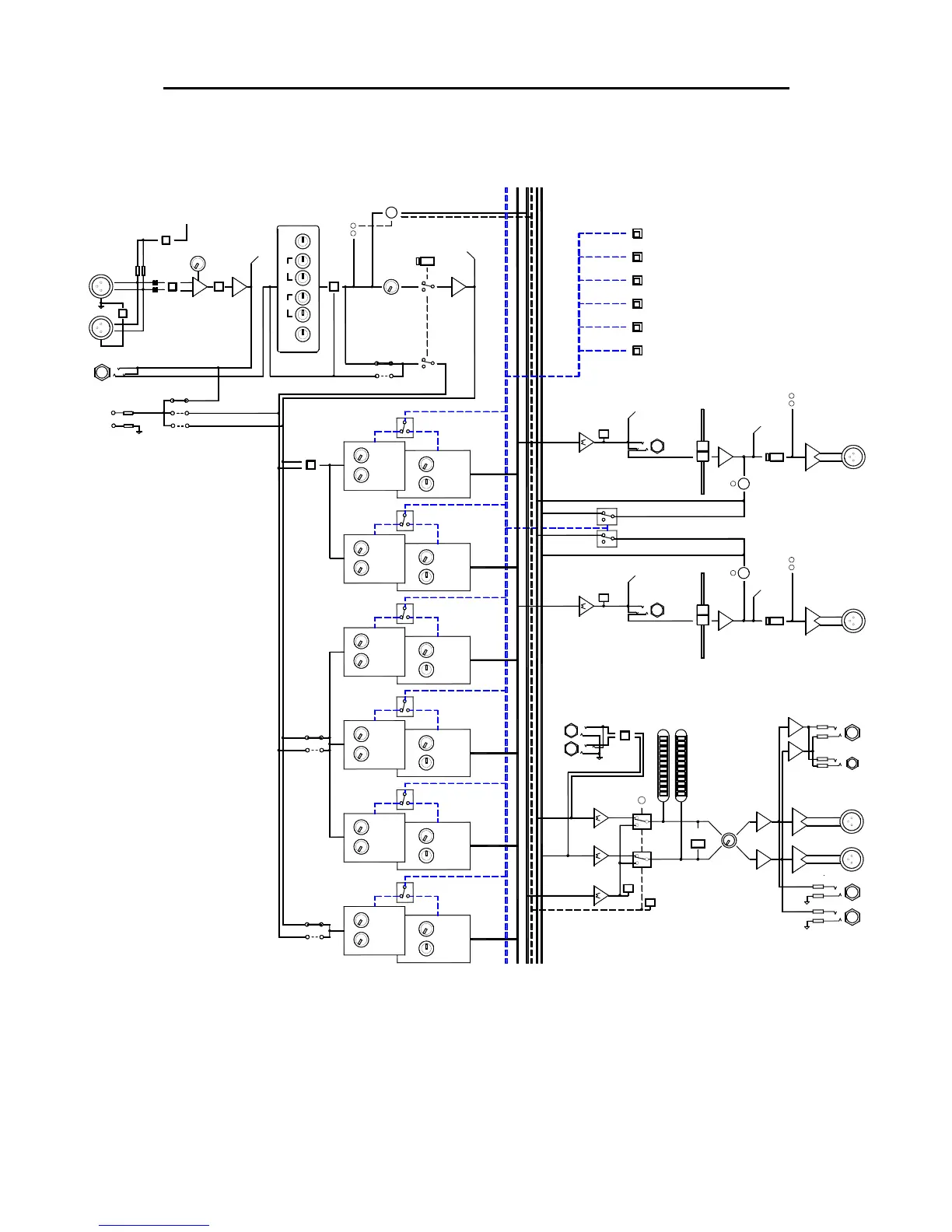
System Block Diagram
AFL
+4dBu
BAL
2 = +
BAL
PFL
R
EXT IN
L/M
ON
WZ3 12M
PRE-FADE
PRE-INSERT
POST-FADE
SOLDER PAD OPTION
MIX 1-12
MIX1
MIX2
MIX1-2
PAN
MONO
STEREO
MODE
12 MIX WEDGE / IEM MONITOR CONSOLE
+4dBu
2 = +
MIX OUT
BAL
MIX11
MIX12
MIX11-12
PAN
MONO
STEREO
MODE
SIG
PK
SIG
PK
+4dBu
2 = +
MIX OUT
BAL
MUTE
INSERT
-2dBu
MIX
FADER
+10dB boost
AFL
MIX 2,4,6,8,10,12
SIG
PK
MIX 1,3,5,7,9,11
PFL
0dBu
MONO
MONITOR
1-16
MONITOR OUT
L
R
L
R
PRE
POST
F
E
PRE
POST
H
G
SL
SL
SL
SL
DC
PK
PK
PK
PK
PK
PK
48V
HPF
PAD
-20dB
GAIN
-
+
TIP= SEND
RING= RETURN
2= +
IN
0dBu
INSERT
4 BAND EQUALISER
HM
HF
LM
LF
MUTE
PFL
PRE-EQ
POST-EQ
POST-FADE
PRE-FADE
PFL
AFL
SPLIT
LIFT
PHANTOM POWER
DIRECT OUT
M/S MODE
EQ IN
INPUT CHANNELS
R
L
MONITOR
RING = RIGHT
TIP = LEFT
PHONES OUT
MUTE
INSERT
-2dBu
MIX
FADER
+10dB boost
AFL
MIX 1-12
MIX 1-2
MONO/STEREO MODE
C
D
E
B
A
TRIM
CH
PRE
MIX 3-4
MIX 5-6
MIX 7-8
MIX 9-10
MIX 11-12
MIX3
MIX4
MIX3-4
PAN
MONO
STEREO
MODE
MIX5
MIX6
MIX5-6
PAN
MONO
STEREO
MODE
MIX7
MIX8
MIX7-8
PAN
MONO
STEREO
MODE
MIX9
MIX10
MIX9-10
PAN
MONO
STEREO
MODE
-2dBu

Related product manuals