EasyManua.ls Logo

Allen-Bradley SLC 500 1746-NIO4V - Page 21

Allen-Bradley SLC 500 1746-NIO4V
28 pages
To Next Page IconTo Next Page
To Next Page IconTo Next Page
To Previous Page IconTo Previous Page
To Previous Page IconTo Previous Page
Loading...
SLC 500™ Analog I/O Modules 21
Publication 1746-IN008A-US-P
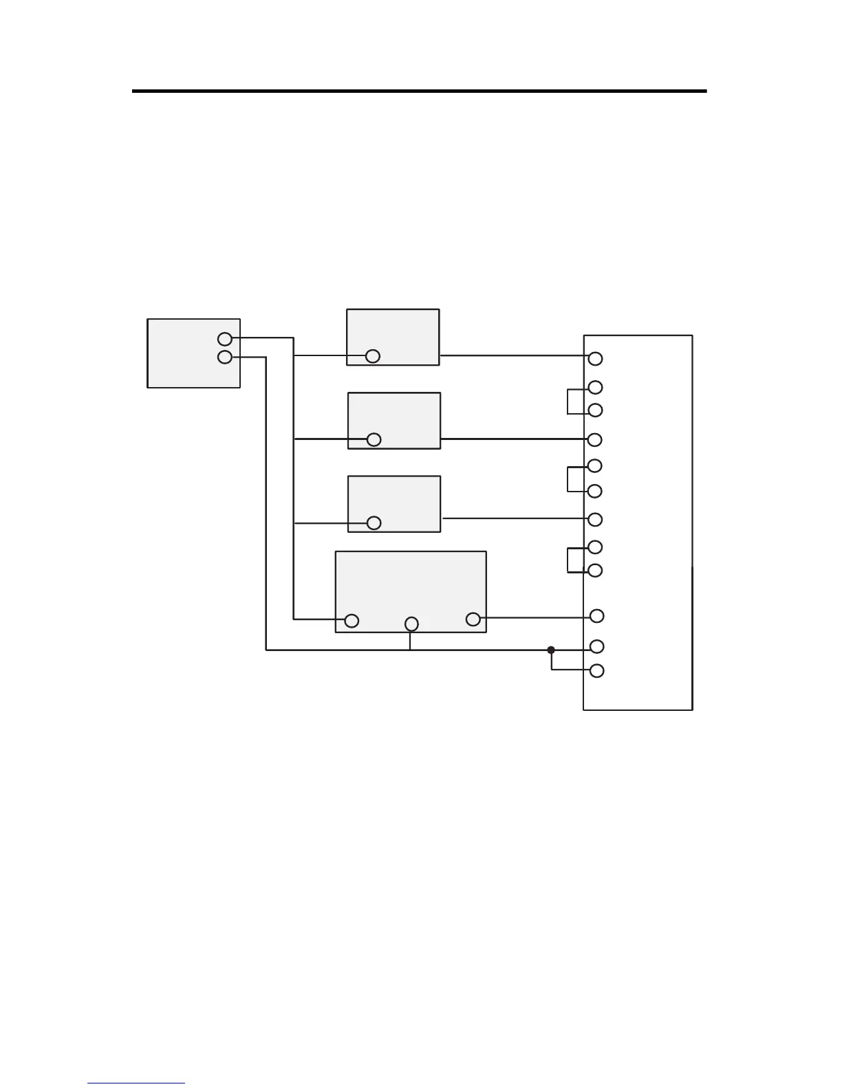
Wiring Schematic for Single-ended Analog Input
Connections
When wiring single-ended analog input devices to the analog input card, the
number of total wires necessary can be limited by using the ANALOG
COMMON terminal. Note that differential inputs are more immune to noise than
single-ended inputs.
+
+
+
-
+
+
Power
Supply
Transmitter
Transmitter
Transmitter
Transmitter
Signal
Signal
Signal
Signal
Supply
Ground
IN 0+
IN 0-
IN1+
IN 1-
IN 2-
IN 2+
IN 3-
IN 3+
ANL
ANL
ANL
ANL
NI4
Allen-Bradley HMIs

Related product manuals