EasyManua.ls Logo

allen MSP455 - Page 100

allen MSP455
108 pages
Print Icon
To Next Page IconTo Next Page
To Next Page IconTo Next Page
To Previous Page IconTo Previous Page
To Previous Page IconTo Previous Page
Loading...
052793 - 03/2013
SECTION 4
PARTS
Page 4-50
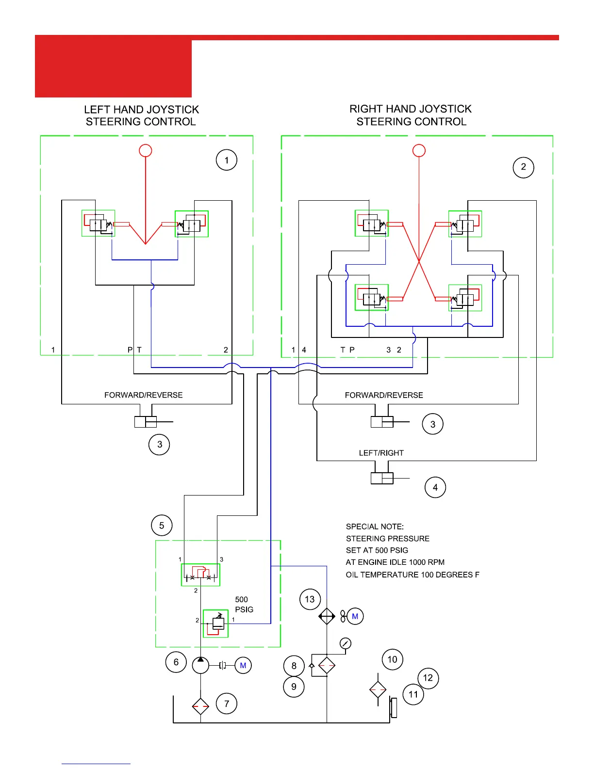
Hydraulic Schematic
Illustration

Other manuals for allen MSP455

Related product manuals