EasyManua.ls Logo

Alliance Laundry Systems HTT30N - Grounding Instructions

Alliance Laundry Systems HTT30N
136 pages
Print Icon
To Next Page IconTo Next Page
To Next Page IconTo Next Page
To Previous Page IconTo Previous Page
To Previous Page IconTo Previous Page
Loading...
Electrical Requirements
Part No. 70458301ENR7
©
Copyright, Alliance Laundry Systems LLC - DO NOT COPY or TRANSMIT 75
BRN wire Machine busy signal to
central pay system
Table 8 Wire Colors
Start Pulse Requirements
All control types will consider a pulse valid if it is between
200 and 1000 milliseconds in length, with a minimum of 200
milliseconds between pulses.
DX4 Control Only (3L or 3K Control Suffixes)
The DX4 control tumble dryer comes configured to operate at 24 Volts AC or DC. If the central pay system provides 200-240V AC,
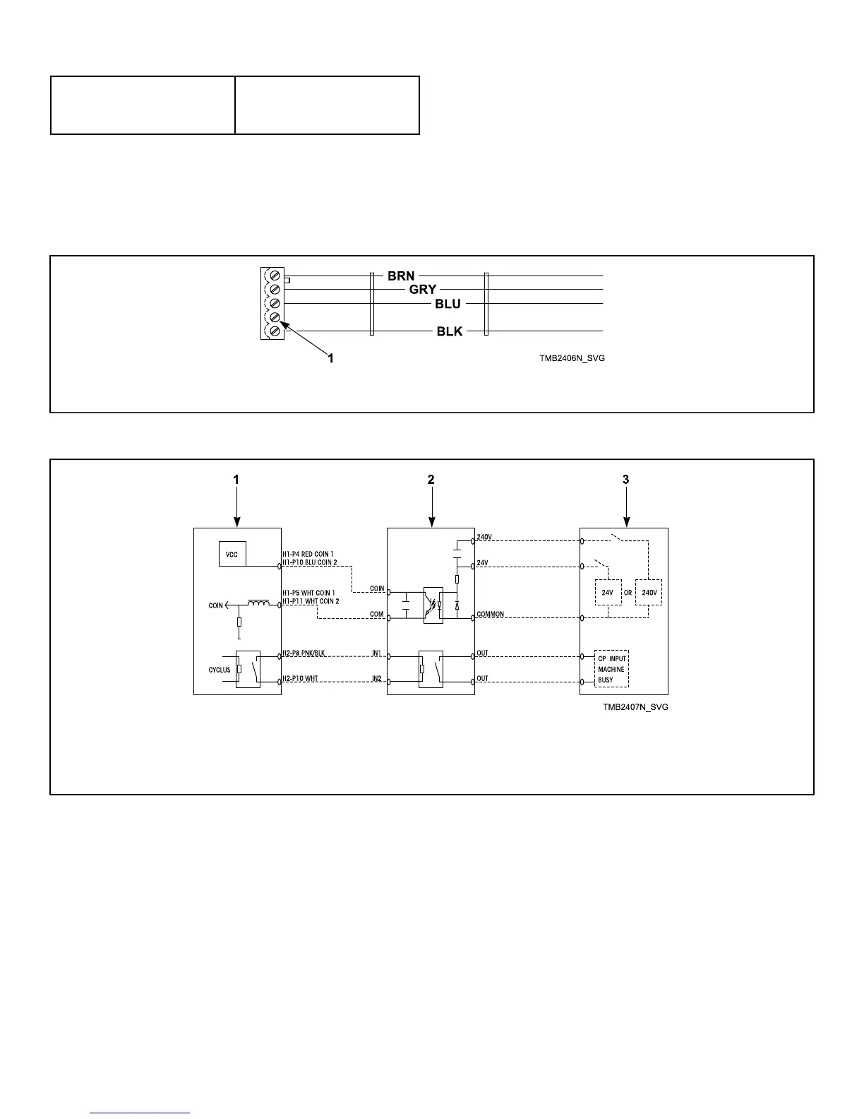
conversion is possible. Loosen screw and move the BLK wire to the adjacent open terminal and tighten securely. Refer to Figure 24
and Figure 25 .
1
Move BLK wire here to configure control to accept 200-240 Volts from central pay system
Figure 24
1
DX4 Control
2
CP Board
3
Central Pay System
Figure 25
Grounding Instructions
NOTE: To ensure protection against shock, this
tumble dryer MUST be electrically grounded in
accordance with the local codes, or in the absence
of local codes, with the latest edition of the National
Electrical Code ANSI/NFPA No. 70. In Canada the
electrical connections are to be made in accordance
with CSA C22.1 latest edition Canadian Electrical
Code, or local codes. Electrical work should be done
by a qualified electrician.
This tumble dryer must be grounded. In the event of malfunction
or breakdown, grounding will reduce the risk of electric shock
by providing a path of least resistance for electric current. This
tumble dryer must be connected to a grounded metal, permanent
wiring system; or an equipment grounding conductor must be
run with the circuit conductors and connected to the appropriate
ground location.
Metal conduit and/or BX cable is not considered ground.
Connecting the Neutral from the electrical service box to the
tumble dryer ground screw does not constitute a ground.

Table of Contents

Other manuals for Alliance Laundry Systems HTT30N

Related product manuals