EasyManua.ls Logo

Allied A95UH1E - Parts Arrangement

Allied A95UH1E
59 pages
Print Icon
To Next Page IconTo Next Page
To Next Page IconTo Next Page
To Previous Page IconTo Previous Page
To Previous Page IconTo Previous Page
Loading...
507276-03 Page 3 of 59Issue 1621
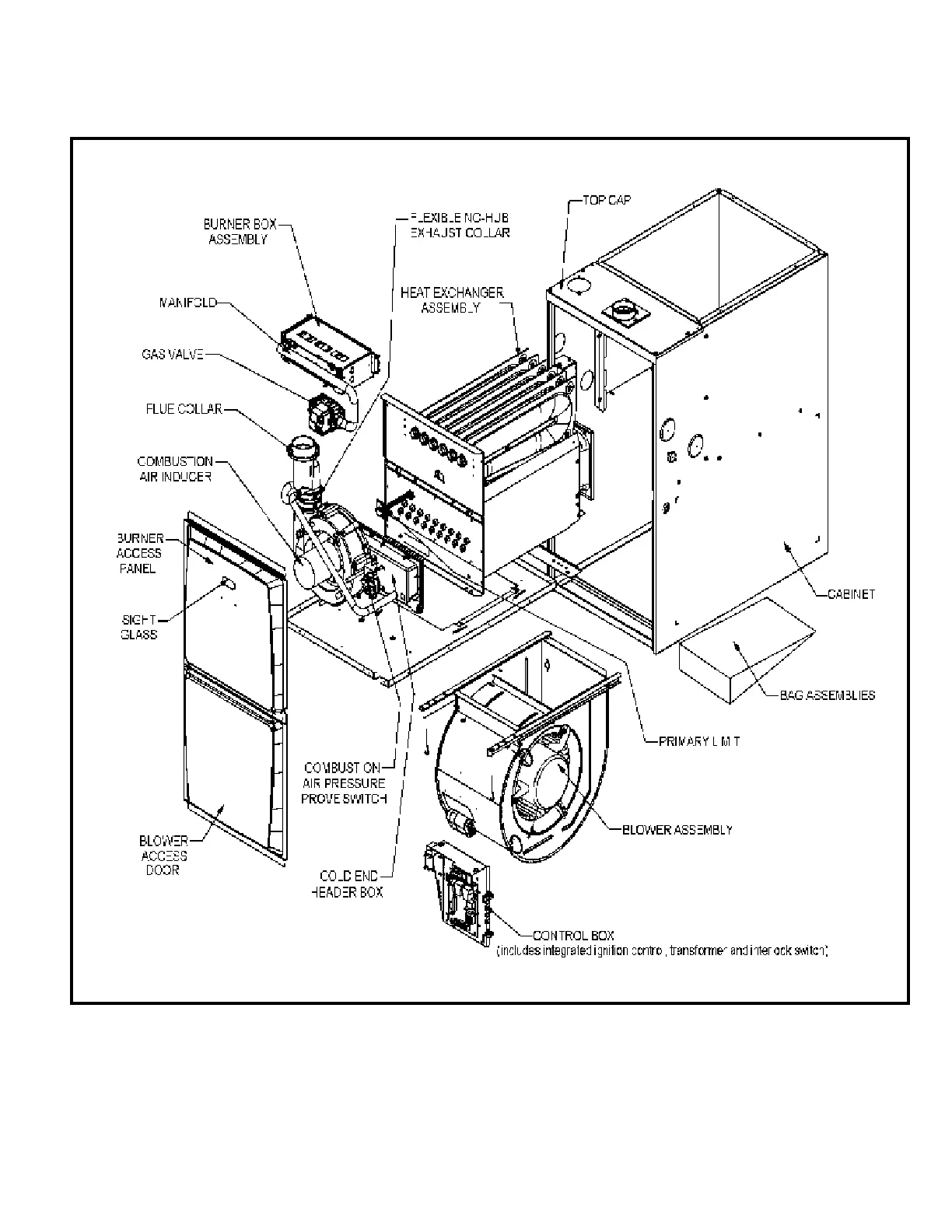
EXPANDED VIEW
Figure 1

Other manuals for Allied A95UH1E

Related product manuals