EasyManua.ls Logo

Alpha-InnoTec L12 SPLIT - Electrical Circuit Diagram HM 8-12 SPLIT

Alpha-InnoTec L12 SPLIT
112 pages
Print Icon
To Next Page IconTo Next Page
To Next Page IconTo Next Page
To Previous Page IconTo Previous Page
To Previous Page IconTo Previous Page
Loading...
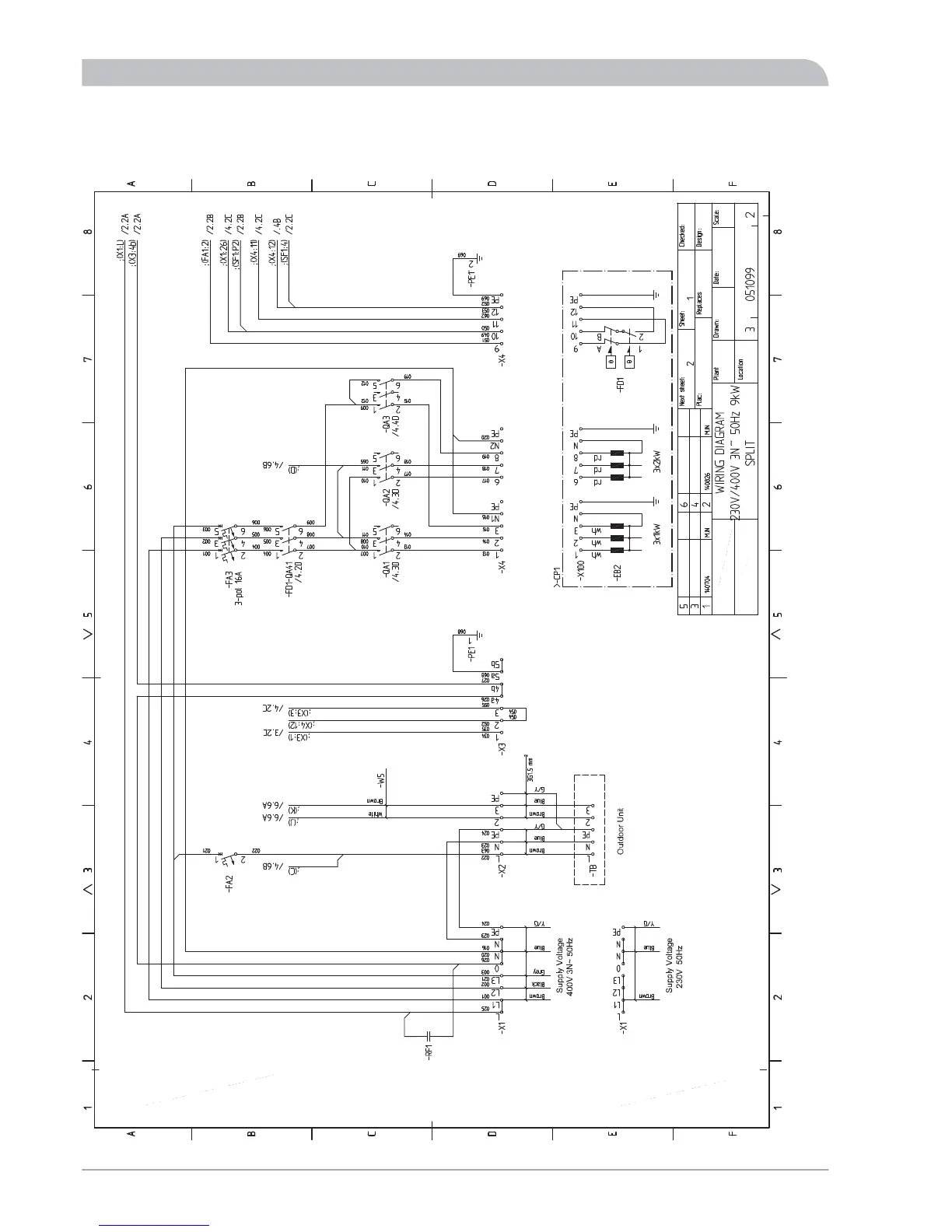
Electrical circuit diagram
HM 8-12 SPLIT
SPLIT70
Miscellaneous
Electrical circuit diagram

Table of Contents

Related product manuals