EasyManua.ls Logo

Alpha 28X - Functional Flow Wiring Diagram

Alpha 28X
44 pages
Print Icon
To Next Page IconTo Next Page
To Next Page IconTo Next Page
To Previous Page IconTo Previous Page
To Previous Page IconTo Previous Page
Loading...
38
Alpha InTec C and X - Wiring Diagrams
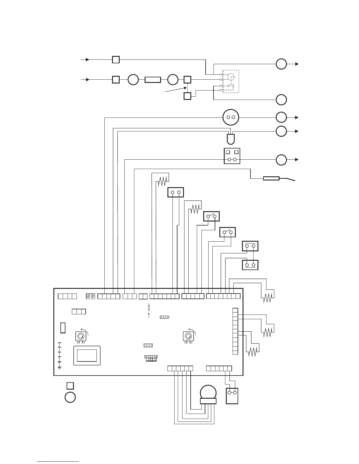
8.2 FUNCTIONAL FLOW WIRING DIAGRAM
Alpha Control
(Optional)
1
2
3
4
Pump
Gas Valve
Flow
Sensor
DHW Inlet
Sensor (optional)
System Pressure Switch
Fuse 3.15 AF
(on PCB)
230/240V ~ 50Hz
Fuse 3A
Remove link to connect
external control
N
L
N
DHW Sensor
External Sensor
(optional)
Flue
Sensor
Fan
Diverter
Valve Motor
Overheat
Thermostat
Heat Exchanger
Thermal Fuse
X16 X4
2
4
4
2
5
1
1
5
3
3
X12
4
2
3
6
5
17
X18
4
2
3
6
5
178
X14
4
2
3
6
5
1
7
8
9
10
11
X7
4
2
3
6
5
1
X17
3
5
4
1
2
6
X19
2 1
X3
L
N 3
4
X10
X9
X11
X15
1
1
2
2
3
3
Fuse
3.15 AF
Transformer
DHW SET
+
CH SET
+
B A
X5
12
3
4
5 6
X8
1
X6
R2
N
Spark
Generator
N
N
DHW Flow Switch
Climatic Control (low voltage)
(optional)
X3
L
X3
4
X16
1
X3
N
X16
3
X9
2
2
1
PCB
Note: Main Terminal Block
PCB Connection
To connect external controls remove link
from terminals 1 and 2 and connect 240 V
switched live to terminal 1.
(24 V DC)
(15 - 20 V DC)
+
-
X3
3
Flame Sensing
Electrode
BUS

Related product manuals