EasyManua.ls Logo

Alpha E-Tec 25R - Page 8

Alpha E-Tec 25R
60 pages
Print Icon
To Next Page IconTo Next Page
To Next Page IconTo Next Page
To Previous Page IconTo Previous Page
To Previous Page IconTo Previous Page
Loading...
8
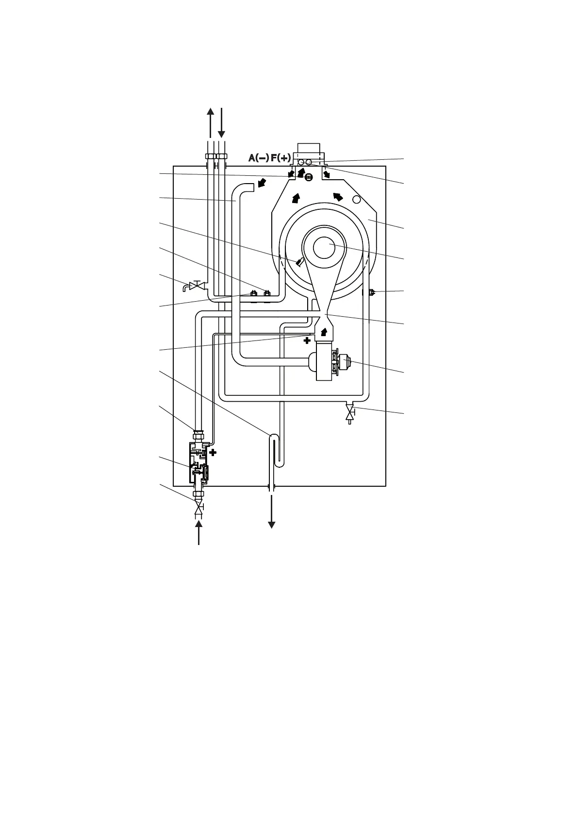
3.8 BOILER SCHEMATIC
Fig. 3.2
Alpha E-Tec 15, 20, 25R - Technical Data
1 Gas isolation valve
2 Gas valve
3 Gas injector
4 Condensate trap
5 Venturi positive pressure point (+)
6 Primary flow sensor
7 Drain valve
8 Overheat thermostat
9 Ignition/sensing electrode
10 Air supply pipe
11 Flue temperature sensor and thermal fuse
12 Flue test point (pressure point +)
13 Air test point (pressure point -)
14 Condensing heat exchanger
15 Burner
16 Primary return sensor
17 Venturi
18 Fan
19 Drain valve
Gas
Condensate discharge
Primary
Heating
return
Primary
Heating
flow
1
2
3
4
5
6
7
8
9
10
11
12
17
19
16
18
15
14
13

Other manuals for Alpha E-Tec 25R

Related product manuals