EasyManua.ls Logo

Alpine PKG-2000P - Mount Side; Dome Light Wire Connection

Alpine PKG-2000P
35 pages
Print Icon
To Next Page IconTo Next Page
To Next Page IconTo Next Page
To Previous Page IconTo Previous Page
To Previous Page IconTo Previous Page
Loading...
27-EN
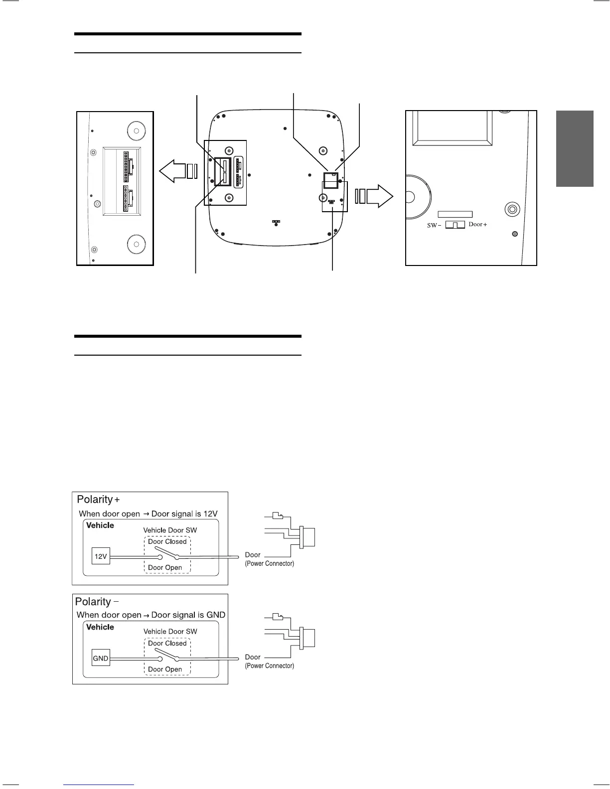
Mount Side
Dome Light Wire
Dome light wire connects the built-in Dome Light to the cable from
the vehicle’s Dome Light Switch.
Polarity change switch is located on the top surface that
mounts into the headliner.
Vehicle Door polarity depends on the vehicle type. The
polarity can be changed by the “Door SW polarity”
switch. (Default: Negative Switched System)
Polarity +: When door open, door signal is 12V
Polarity -: When door open, door signal is GND
AV Connector 2
AV Connector 1
Power Connector
FM Switching Box
Connector
Dome Light Polarity
The direction of AV
connector ports
The detail of dome light polarity switch
PKG-2000P
PKG-2000P
Book_PKG-2000P.indb 27Book_PKG-2000P.indb 27 4/8/06 2:55:30 AM4/8/06 2:55:30 AM

Table of Contents

Other manuals for Alpine PKG-2000P

Related product manuals