EasyManua.ls Logo

Alto-Shaam 500-TH/III

Alto-Shaam 500-TH/III
41 pages
To Next Page IconTo Next Page
To Next Page IconTo Next Page
To Previous Page IconTo Previous Page
To Previous Page IconTo Previous Page
Loading...
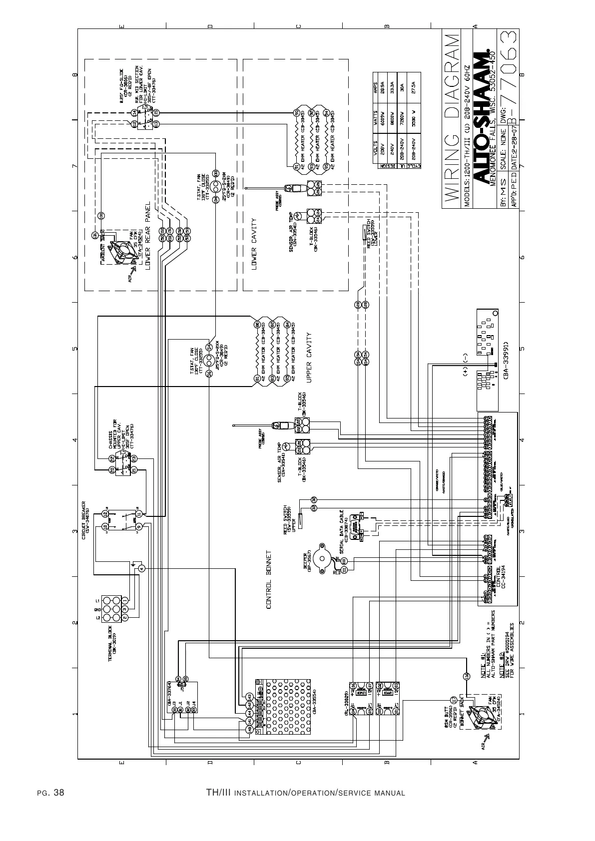
PG. 38 TH/III INSTALLATION/OPERATION/SERVICE MANUAL
All manuals and user guides at all-guides.com

Other manuals for Alto-Shaam 500-TH/III

Related product manuals