EasyManua.ls Logo

AMD XILINX VEK280 - Page 25

AMD XILINX VEK280
78 pages
Print Icon
To Next Page IconTo Next Page
To Next Page IconTo Next Page
To Previous Page IconTo Previous Page
To Previous Page IconTo Previous Page
Loading...
3/20/24, 12:51 PM
Unofficial Document
https://docs.amd.com/internal/api/webapp/print/d54fa025-f5b0-4797-be6e-41b3e31f9548
25/78
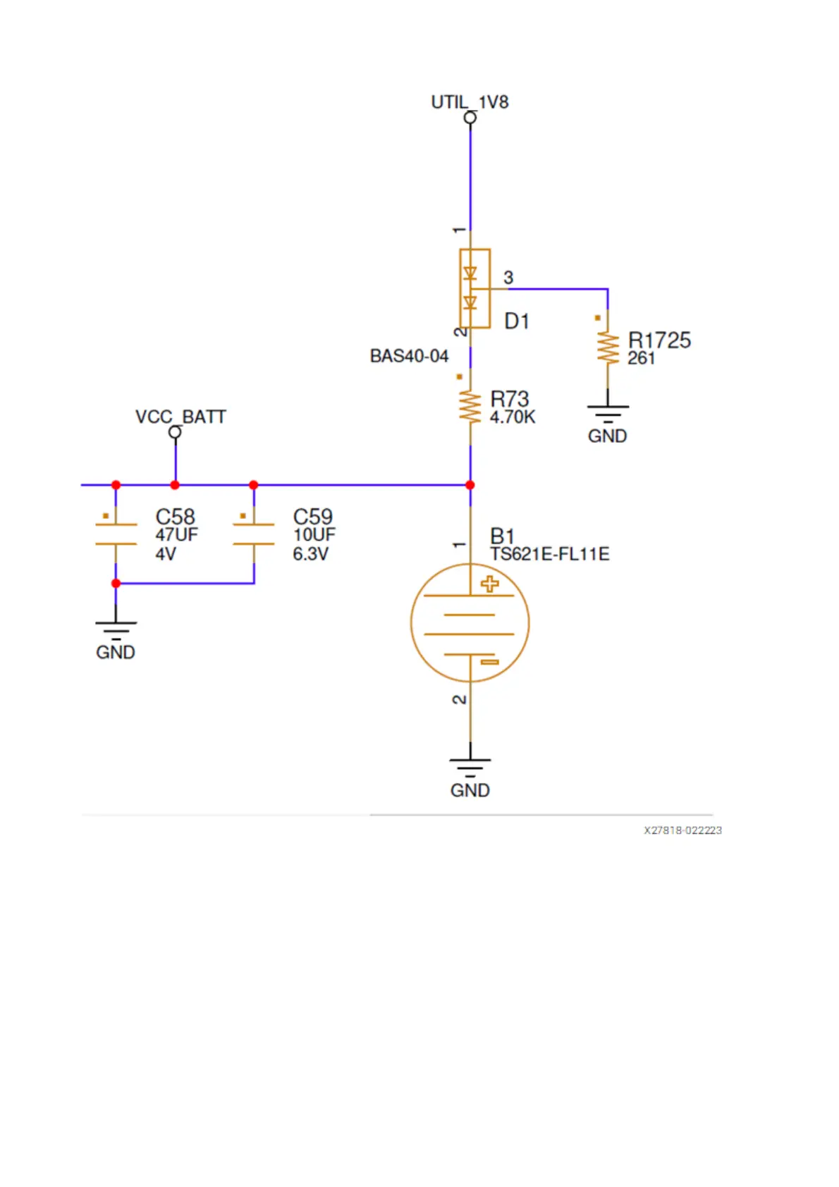
The Seiko TS621E rechargeable 1.5V lithium button-type battery B1 is soldered to
the board with the positive output connected to the XCVE2802 device U1
VCC_BATT bank pin AN20. The battery supply current IBATT specification is 150 nA
maximum when board power is off. Battery B1 is charged from the VCC1V8 1.8V
rail through a 2 series diode with the first forward drop to yield between 0.24V to
0.46V over temperature per fixed 5 mA load, R1725, and limiting 1.56V max at the
device pin, PSVBATT. The second diode and 4.7 kΩ current limit resistor allows the
battery to trickle charge and prevent battery B1 from back powering R1725.

Related product manuals