EasyManua.ls Logo

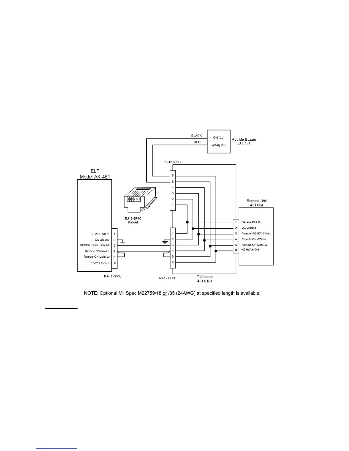
Ameri-King AK-451 Series - Figure 14.1 B: Wiring Diagram for AK-451 with 2-Wire Interconnecting ELT Main Unit and Remote Switch Unit

Default Icon
241 pages
Print Icon
To Next Page IconTo Next Page
To Next Page IconTo Next Page
To Previous Page IconTo Previous Page
To Previous Page IconTo Previous Page
Loading...
64
Figure 14.1b: Wiring Diagram for AK-451 with 2-wire interconnecting ELT Main Unit and Remote Switch Unit

Table of Contents