EasyManua.ls Logo

AMERITRON AL-82 - Interconnection; RF and Control Connections

AMERITRON AL-82
15 pages
Print Icon
To Next Page IconTo Next Page
To Next Page IconTo Next Page
To Previous Page IconTo Previous Page
To Previous Page IconTo Previous Page
Loading...
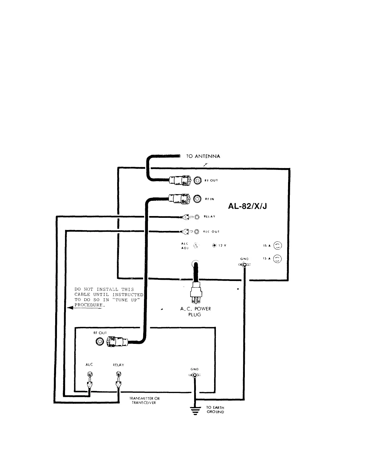
INTERCONNECTION
1. Connect the RF output of the exciter to the RF IN connector
on the rear of the AL-82 with 50 ohm coax. Use any good
quality 50 ohm cable long enough to connect the amplifier to
the exciter. The amplifier uses a standard SO-239 female that
will mate to a PL-259 male connector on the cable.
2. Connect the existing station antenna system to the RF OUT
connector on the rear of the AL-82 with RG-8 type coax. This
connection uses PL-259 connectors.
3. Use shielded audio type cable with standard male phono
plugs to connect to the RELAY jack on the AL-82. This jack
has positive 12V DC open circuit and supplies
100mA of current when
p
ulled to
g
round.
4. Connect a short ground lead from a good earth and RF ground
to the GND terminal.
5. The 12V connection on the rear panel provides 12V DC at 100
mA maximum to operate external dial lamps or accessories such
as the ATR-15 Antenna Tuner.
6. DO NOT CONNECT THE "ALC OUT" SOCKET ON THE
AMPLIFIER TO THE "ALC" SOCKET ON THE
TRANSMITTER UNTIL INSTRUCTED TO DO SO IN THE
TUNE UP PROCEDURE. This jack provides up to 20 Volts of
negative voltage for transmitter gain control.

Related product manuals