EasyManua.ls Logo

AMI NGX MINI 2 - Page 32

AMI NGX MINI 2
48 pages
Print Icon
To Next Page IconTo Next Page
To Next Page IconTo Next Page
To Previous Page IconTo Previous Page
To Previous Page IconTo Previous Page
Loading...
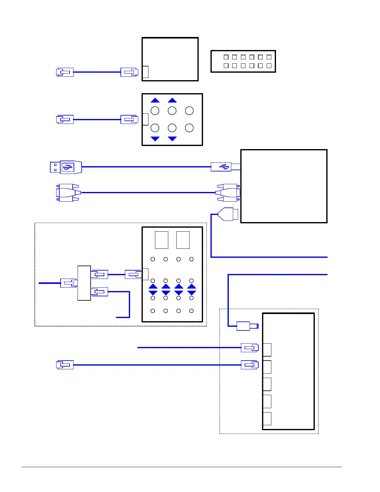
22022623 Rev B 30 NGX Mini 2 Jukebox
POWER PLUG
TO 6 BUTTON REMOTE (RED)
ON CORE COMPUTER
TO LOCATION
INTERNET SOURCE
TO RJ45 ETHERNET
ON CORE COMPUTER
TO USB ON
CORE COMPUTER
CH4
OPTIONAL
34032904
ROWELINK
VOLUME
CONTROL KIT
CAN
CH2
MIC1 SINGER
120 VAC POWER
ROWELINK SPLITTER
(GREEN)
PWR
**22164202**
USB TOUCH
CONTROL
34037908
CANCEL
INCLUDES CABLES
MARKED WITH **
TO AMP OR
LIGHTING ASSY
INT
70004-1A
WIRED REMOTE
28280004
4-PORT
WIRELESS
ROUTER
EXT
2
LAN PORTS
OPTIONAL
26704801
WIRELESS
ROUTER KIT
4
TO VGA ON
CORE COMPUTER
TO IR REMOTE (YELLOW)
ON CORE COMPUTER
VGA VIDEO
FUT
ETHERNET CABLE SUPPLIED
WITH ROUTER KIT
**21121225**
61205002
18.5" FLAT PANEL
DISPLAY AND
TOUCH SCREEN
TO CORE
(GREEN)
34102004
VOLUME
MIC3
40846302
IR RECEIVER
21958306
TRANSMITTER
**34068706**
CH1
MIC2
MUTE
62009-A-LF
CH3
MODE
WAN PORT
34037905
22322402
3
1
NGX MINI 2 WIRING DIAGRAM (PAGE 1)

Related product manuals