EasyManua.ls Logo

AMI NGX MINI 2 - Page 34

AMI NGX MINI 2
48 pages
Print Icon
To Next Page IconTo Next Page
To Next Page IconTo Next Page
To Previous Page IconTo Previous Page
To Previous Page IconTo Previous Page
Loading...
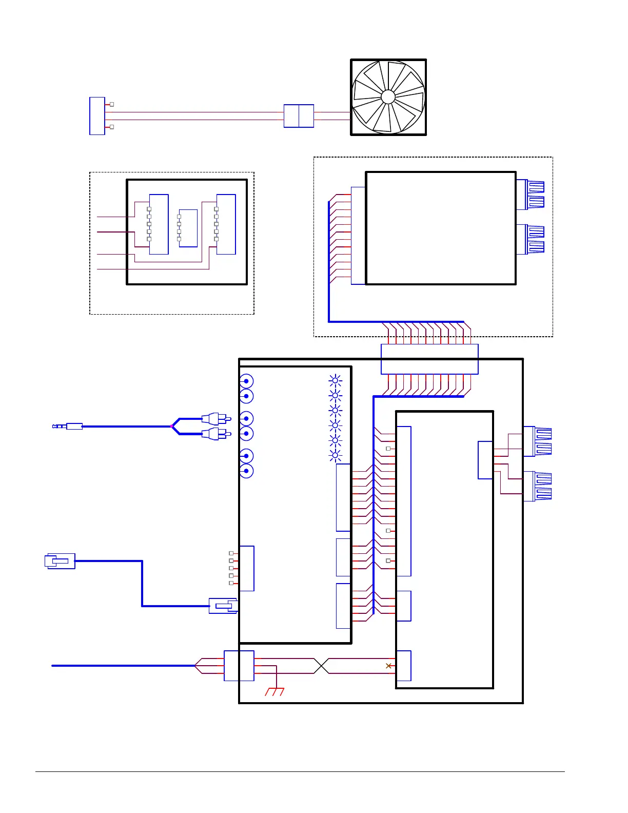
22022623 Rev B 32 NGX Mini 2 Jukebox
ST100
POWER
1
2
3
1
2
3
1
2
3
J2 - J3
MIC 1 - 2 INPUTS
1
2
3
4
5
J11
1
2
3
4
J5
1
2
3
4
5
ST703
1
2
3
MUTE
STATUS
1
2
ST702
1
2
3
4
1
2
3
4
POWER
ST701
1
2
3
4
5
9
10
11
13
14
17
19
21
26
20
22
18
23
24
A2
A1
A1
A2
E7
E6
E5
E4
E3
E2
E1
1
2
1
2
3
4
5
6
7
8
9
10
11
12
OVR CRNT
J7
1
2
3
4
5
6
7
8
E7
E6
E5
E4
E3
E2
E1
THERMAL
RL COMM
1
2
3
4
5
6
7
8
9
10
11
12
1
2
3
4
5
6
7
8
9
10
11
12
40983903
PASCAL
AMPLIFIER
LINE
NEUTRAL
B
W
W
B
40991407
AMPLIFIER ASSY
34104404
34104504
BR
B
B/W
34039109
CABINET FAN
TO AMPLIFIER POWER ON
POWER DISTRIBUTION ASSY
34102008
TO ROWELINK (GREEN)
ON CORE COMPUTER
Part of 61113311
MAIN HARNESS
61200706
PREAMP
GND
CH 2
SIGNAL
SENSE
POWER
GND
MUTE
ROWELINK
THERMAL
OVER CURRENT
Ch2 Out
Ch2 Ret
Ch1 Ret
Ch1 Out
R
R
B
B
GND
2 or 4 OHM
CH 4
CH 2/3
+15VDC
CH 2/3 INV
GND
+7.5VDC
AMP FAULT
Ground
+15VDC
Ground
+15VDC
Ground
+7.5VDC
+7.5VDC
Ch2 Ret
Ch1 Input
Ground
Clip Ch1
Shield
Ch1 Ret
Ch2 Input
Mute Input
Hi Current Mode
Disabled
Clip Ch2
-15VDC
+70V
Vdriv e
-70V
34104608
CH4
CH 1 INV
POWER
40832123
CH 1
MAIN IN
30934231
22180806 - OPTIONAL
AUDIO TRANSFORMER KIT
CH2
B/W
R
CH1
BR
OUTPUTS
CH2
70 V
CH3
CH 2
CH1
G
B
B
GND
CH 1
STEREO IN
POWER
B
R
GND
TO CABINET FANS
ON CORE COMPUTER
GND
TO AUDIO Y SPLITTER
FROM CORE COMPUTER
S
B
SPEAKER
BINDING
POSTS
B
R
R
26679605 - OPTIONAL
SECONDARY AMP KIT
40991408
SECONDARY AMP ASSY
34113101
NGX MINI 2 WIRING DIAGRAM – SINGLE AMPLIFIER CONFIGURATION (PAGE 3)

Related product manuals