EasyManua.ls Logo

Ammann ARX 12 - Wiring diagram, ARX 1

Ammann ARX 12
166 pages
Print Icon
To Next Page IconTo Next Page
To Next Page IconTo Next Page
To Previous Page IconTo Previous Page
To Previous Page IconTo Previous Page
Loading...
148 ARX 1
1201281 A | 24.07.2013
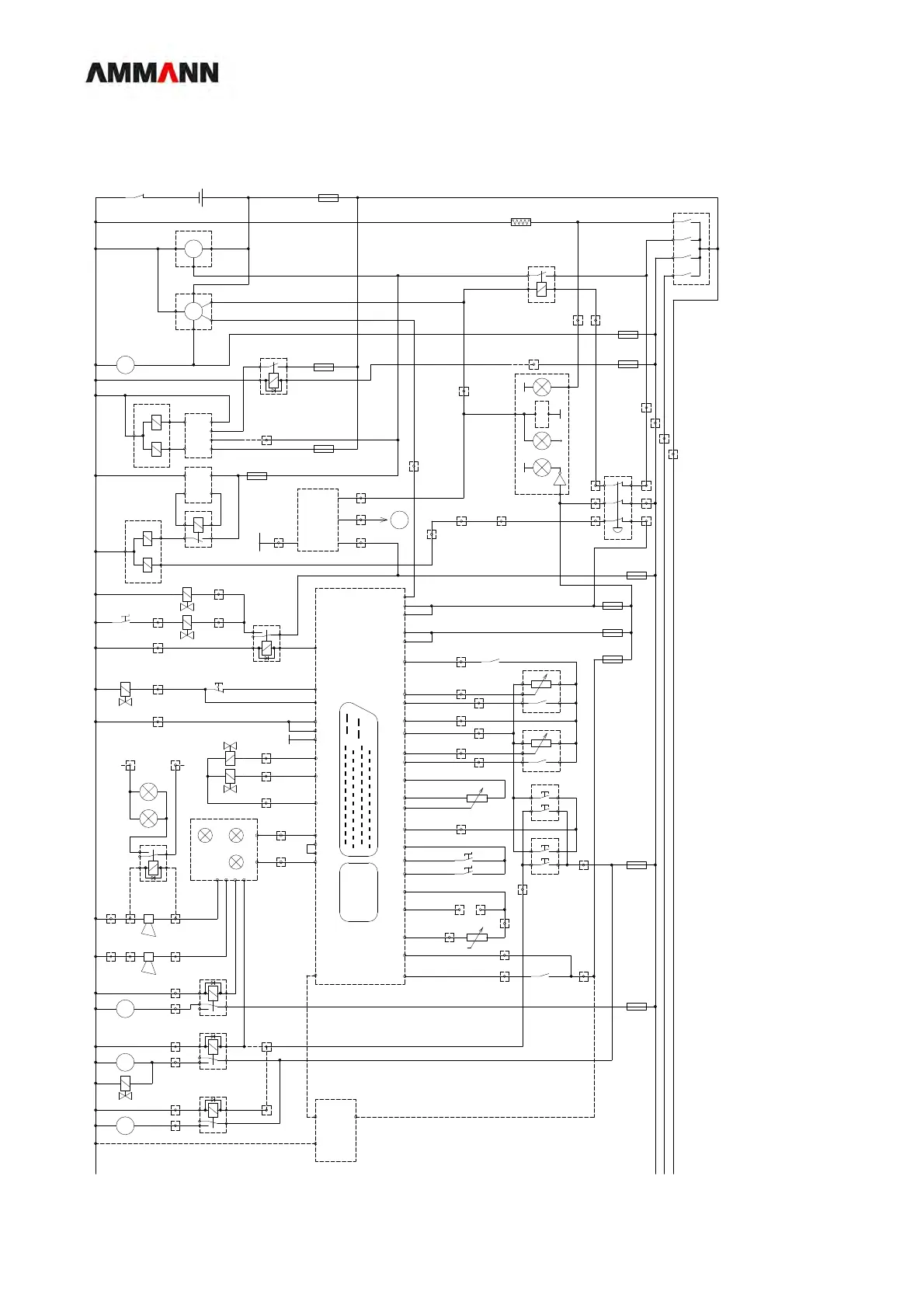
14.1 Wiring diagram, ARX 1
Fig. 14-1 Wiring diagram no. 1202835-1
G
+14.5V
GND
M
M3
117
Dieselpumpe
228
205
204
SW
PULL
HOLD
ws
Solenoid
Driver
Timer 1s
sw
rt/ws
rt
gb
179
206
201
203
174
180
K3
175
170
171
117
124
F27
60A
149/150
30
87
85
86
227
202
F25
40A
225
226
222
173
8
319
118
152
147
153
212
30
86
85
87
9
4
221
2
H8
12
355
P1
H2
H6
4
NOT
10
433
434
351
11
2
2
4
Vorglühen
Anlasser
Zündung
Park
Batterie
58
15
50
19
30
F22
10A
151
176
F23
1A
6
1-2
3
5
350
88888.8
1
1
3
372
F13
10A
349
F10
10A
F9
3A
F14
1A
323
916
918
302
12
2
403
324
6
373
374
375
376
10
1
27
41
42
48
35
34
36
38
46
11
47
49
37
8
43
9
20
7
22
21
18
44
Sitzkontakt 371
Fahrsignal l
Nullage l
+5V
Gnd
Fahrsignal r
Nulllage r
+5V
Gnd
Berieselung
Vibrotaster
Gnd
Arbeitsgang
Vibroautomat
Gnd
Kalibration
Öltemp
Bremsdruck
368
370
366
364
367
369
377
378
379
365
380
382
383
327
394
329
437
325
363
10
2
9
4
8
1
3
917
902
904
901
903
S51
913
911
S5
5
S6
S7
381
2
1
328
S53
8
126
127
9
7
5
7
U
links
919
920
914
915
2
4
rechts
1
3
5
Links
Vibro
Wasser
1
3
2
4
1
3
2
4
2
4
1
3
5
906
908
921
910
912
904
rechts
Vibro
Wasser
907
905
X50
6
362
F11
15A
5
S52
123
125
220
F15
25A
VDC
IR-Sensor
OUT
GND
45
435
39
26
25
40
3
30
31
28
2
33
29
15
51
52
39
40
25
26
13
14
1
2
3
4
27
28
41
42
29
30
15
16
RC2-2/21
A
F26
5A
3
1
4
TU500-4
2
2
4
1
3
1
F21
40A
86
85
87
30182
ws
rt
sw
pull
hold
102
305
vo
5
105
104
4
406
4
187
304
hi
30
87
86
385
Vibration
87a
85
1
103
3
303
1
387
388
Bremsventil
Handbremse
Masse
Vorwärts
Rückwärts
CAN Hi
CAN Lo
321
322
320
X3
3
X3
X3
4
2
Y4
119
120
122
121
1
2
E26
E25
GN
WS
Bremslicht
30
86
87
87a
85
br/ws
bl
439
1
B13
1
2
Bremsdruck
Error
H1
H9
Öltemperatur
H5
7
6
345
343
344
342
Diagnose
X7
2
X7
1
386
18
24
19
23
Berieselung
Ölkühler
Rückfahralarm
Warnsummer
413
326
404
B11
312
1
1
2
M2
Ölkühler
107
9
X1
1
X1
309
K5
10
1
1
M4
Y9
163
108
310
85
87a
87
86
30
405
400
408
401
1
K-Achse
1
Wasser
M11
Trennmittel
109
311
M1
30
31
50
(TIER 4)
208
0.5A
rt
30
31
15
P
D+
172
+12V
207
X6
X61
X61
X61
X61
x2
X50
X50
X3
X1
X1
x5
x1
X1
X1
X4
X12
X12
X55
X1
X55
X54
X1
X54
X1
X1
X1
X1
X11
X17
X50
X8
X8
X3
X3
X50
X5
X3
X3
X50
X50
X50
X50
X50
X50
X50
X23
X14
X14
X15
X15
X15
X15
X23
X14
X14
X6
X2
X15
1
2
3 4
11
85
87a
87
86
30
85
87a
87
86
30
S18
G2
M
G1
Y16
K19
K2
A3
K18
R1
K1
N2
S1
Y1
K4
N1
K17
N2
N3
K6
K12
S15
S3
S16
S4
S2
S8
Y5
Y6
Y2 S17
Y3
M
M
M
611803

Table of Contents

Related product manuals