EasyManua.ls Logo

Ammann ARX 12 - 14 Appendix

Ammann ARX 12
166 pages
Print Icon
To Next Page IconTo Next Page
To Next Page IconTo Next Page
To Previous Page IconTo Previous Page
To Previous Page IconTo Previous Page
Loading...
Appendix 149
1201281 A | 24.07.2013
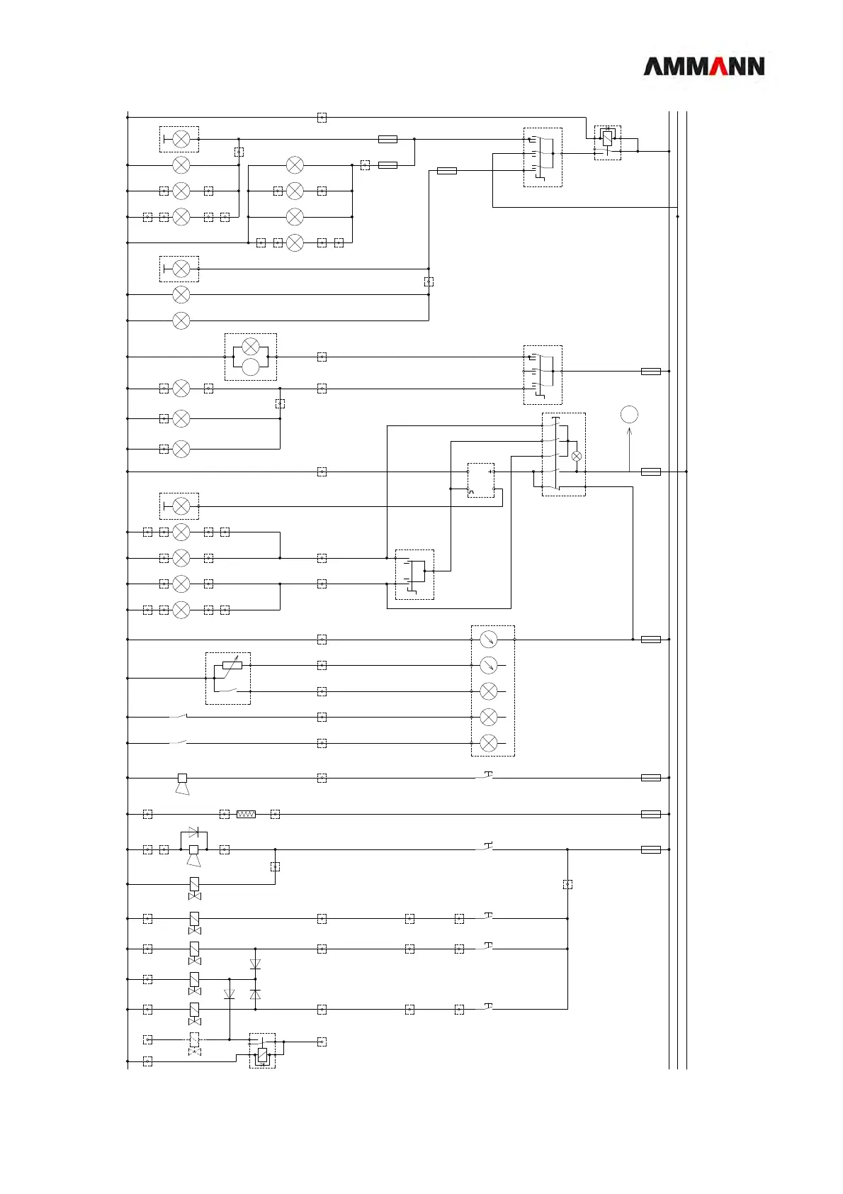
Fig. 14-2 Wiring diagram no. 1202835-2
H10
14
392
334
X4
5
131
vr
E11
X19
1
E12
X19
3
196
vr
X16
1
X22
1
E16
X22
3
hl
132
X16
H11
15
E2
E1
X1
1
E13
X20
1
E14
X20
3
3
129
195
159
vl
vl
ns
hr
130
X16
X21
E15
3
2
1
1
X21
X16
E22
X4
333
4
F3
7.5A
F2
7.5A
390
391
394
134
133
335
6
X4
vl
vr
393
F4
10A
Stand- und Positionsl.
1
2
Abblendl.
3
+
395
354
85
86
87a
30
87
432
399
Zündung
Park
Batterie
X16
E3
1
X16
4
135
Rückfahrlicht
X21
1
ROPS
ROPS
E23
E24
X21
2
X21
2
136
X4
7
X4
3
128
332
336
X4
1
+
1
2
3
396
F5
15A
411
409
410
414
Blinker
R
-
L
Drehleuchte
Arbeitslicht
L
49a
R
49
30b
415
30
15
389
398
F1
7.5A
H12
16
X16
X22
E20
X22
X16
2
2
2
2
5
1
1
1
1
1
1
6
X16
X16
X21
X21
E18
X20
E17
X19
E19
138
137
139
140
hl
vl
vr
hr
X4
X4
9
8
357
337
338
1
2
+
412
1
2
3
X2
1
X2
X2
X2
X2
X2
2
3
4
5
6
112
113
114
115
116
314
315
316
317
318
347
S55
S56
B1
A2
A1
H7
H3
H4
Trankanzeige
Tankreserve
Motoröldruck
Kühlwassertemp.
25
-
+
26
1
+
+
+
+
11
5
8
359
F7
10A
F6
7.5A
397
347
Sitzheitzung
F8
10A
F12
10A
Mengenteiler
416
Hupe
KSG
402
X52
1
Wasser
ab
X18
3
143
142
X18
2
X5
3
341
340
X52
4
X52
3
2
X5
X12
1
R11
X12
2
1
X1
V11
B12
X53
1
360
106
X53
X1
1
2
X1
308
8
Y11
Y14
ws
4
X18
gn
Y13
X18
4
Y12
Y15
Y5
X18
4
X18
4
X18
4
Y5
2
gb
bl
gr
V12
V14V13
Y5
1
X18
1
141
sw
85
87a
86
30
87
X5
X52
2
1
339
auf
1
2
3
4
S19
S9
S22
S21
S20
N2
N2
S10
K14
E21
S11
S12
N2
S54
N2
K13
K11
S13
M
A
X19
X20
611804

Table of Contents

Related product manuals