EasyManua.ls Logo

Analog Devices MAX30001 - Page 20

Analog Devices MAX30001
34 pages
Print Icon
To Next Page IconTo Next Page
To Next Page IconTo Next Page
To Previous Page IconTo Previous Page
To Previous Page IconTo Previous Page
Loading...
www.analog.com
Analog Devices
20
MAX30001 Evaluation System Evaluates: MAX30001
MAX30002
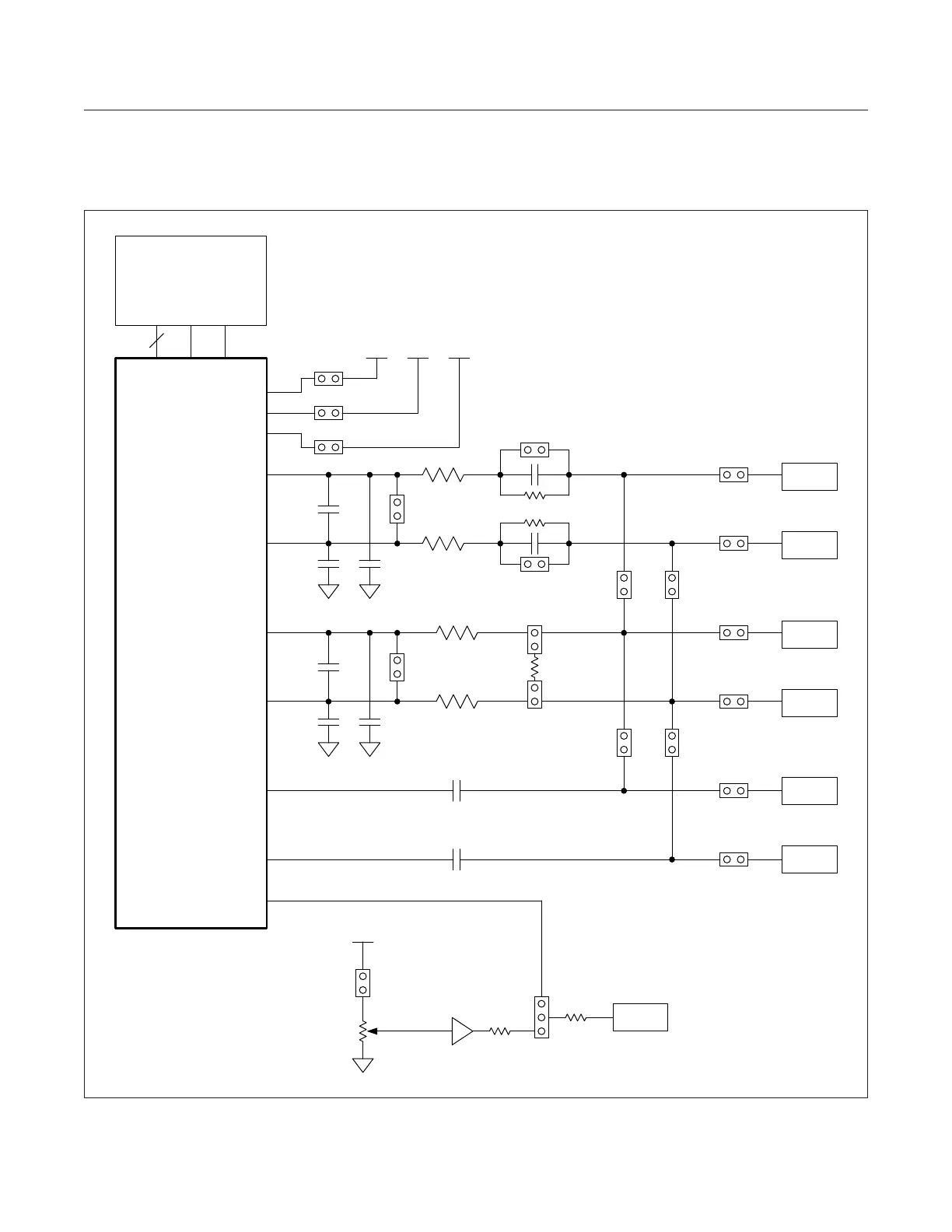
Figure 17. Simplified Schematic.
10kΩ
10kΩ
10kΩ
BB
MAX30001
VCM
OVDDX
DNI
DNI DNI
1x
EP_EN
0Ω
DNI
DNI DNI
BP_BN
0Ω
EN_UNBAL
EP_UNBAL
RP
RN
EP_BP
EN_BN
DP_BP
DN_BN
J_ECGP
J_DRVP
J_ECGN
J_BIP
J_BIN
J_DRVN
BB_SEL
DRVN
DRVP
BIN
BIP
ECGN
ECGP
DRVN
DRVP
BIN
BIP
ECGN
ECGP
MAX32630FTHR
INT2B
INT2B
AVDD
AVDD
OVDD
DVDD
J_AVDD
J_DVDD
J_OVDD
DVDD
OVDD
100Ω
SPI
4
INTB
INTBSPI
0Ω
0Ω
47nF
47nF

Related product manuals