EasyManua.ls Logo

Anritsu ML2438A - Example 6: Gain Compression Measurement

Anritsu ML2438A
314 pages
Print Icon
To Next Page IconTo Next Page
To Next Page IconTo Next Page
To Previous Page IconTo Previous Page
To Previous Page IconTo Previous Page
Loading...
Measurement Examples Example 6: Gain Compression Measurement
ML2437A/38A OM/PM PN: 10585-00001 Rev. P 7-15
7-6 Example 6: Gain Compression Measurement
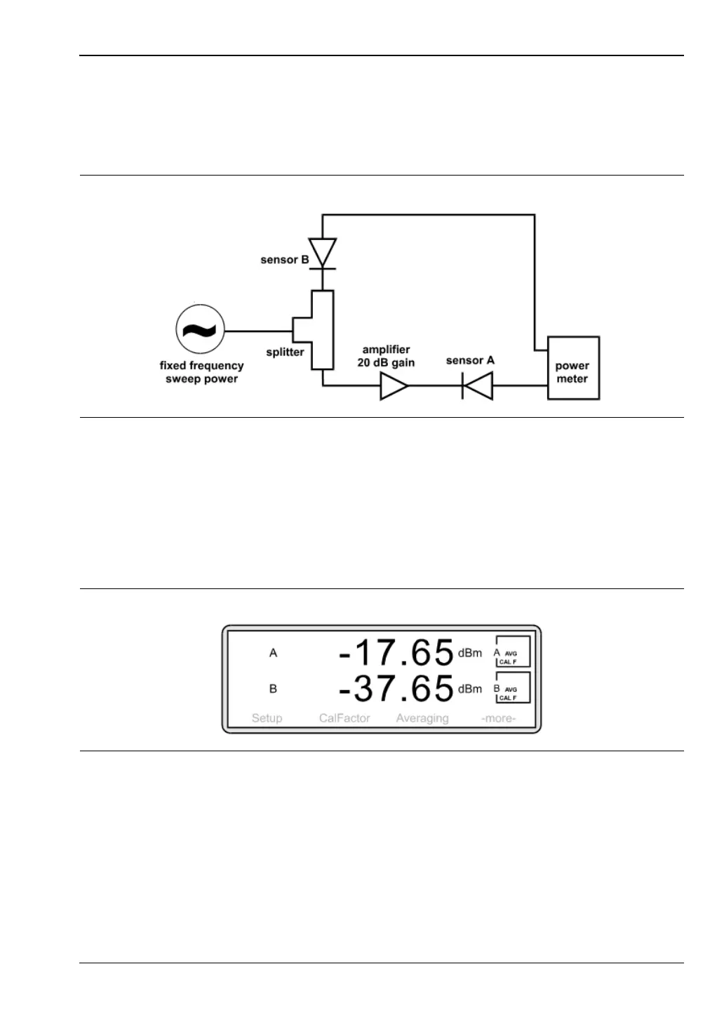
A common application for a two input power meter is for gain compression measurements on
amplifiers. In this example, we will measure the 1 dB compression point for an amplifier with
20 dB gain.
Connect your measurement system as shown above. Allocate sensor A to channel 1 and
sensor B to channel 2 (see Example 4 and 5) The signal source should be set to a suitable CW
frequency to test the amplifier. Follow the procedures described in Example 1 to zero and
calibrate the sensor and to enter the correct calibrator factor frequency for this measurement.
The source power level should initially be set to a power at which the amplifier is on its
linear, small signal gain region. In this case, -30 dBm. Your measurement screen may look
something like this:
A is displaying the output power of the amplifier. B is displaying the input power to the
amplifier. (Note a signal splitter has a nominal path loss of 6 dB.)
We can display the gain of the amplifier directly if we set channel 1 to A/B (see Example 4).
Press [Channel]
> [Setup] > [Input].
Figure 7-22.
Figure 7-23.

Table of Contents

Related product manuals