EasyManua.ls Logo

Areva KITZ 101 - Communication ports

Areva KITZ 101
36 pages
Print Icon
To Next Page IconTo Next Page
To Next Page IconTo Next Page
To Previous Page IconTo Previous Page
To Previous Page IconTo Previous Page
Loading...
Page 27
9.6 Communication ports
9.6.1 K-Bus port
Language: COURIER
Transmission: Synchronous - RS485 voltage levels
Transmission Coding: Biphase space
(Differential Manchester)
Frame Format: HDLC
Baud Rate: 64k/bit per second
K-Bus Cable: Screened twisted pair
K-Bus cable length: 1000m of cable (maximum)
K-Bus Loading: 32 units (multi-drop system)
Isolation: 2kV rms for one minute
Voltage signals
(Based on RS485 differential voltage level):
Unloaded driver differential output: ±5V
Receiver input sensitivity: ±200mV
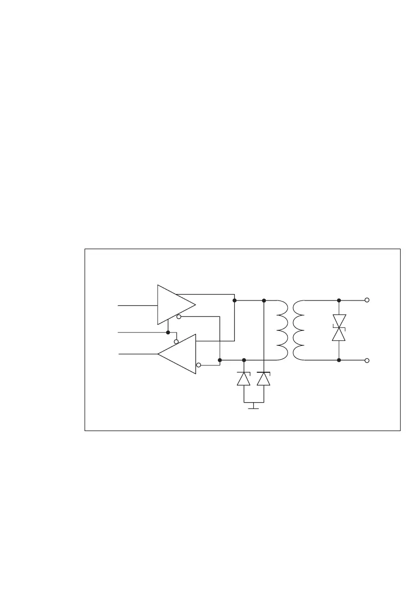
Figure 4: Circuit diagram of K-Bus electrical interface.
TxD
Tx/Rx
RxD
RS485
Driver/Receiver
Pair
1:1
Isolating
Transformer
15V
Transient
Suppressor
Ground
7V5
7V5
Interference
Suppressor
Zener diodes

Related product manuals