EasyManua.ls Logo

Areva MiCOM P921 - Page 338

Areva MiCOM P921
376 pages
Print Icon
To Next Page IconTo Next Page
To Next Page IconTo Next Page
To Previous Page IconTo Previous Page
To Previous Page IconTo Previous Page
Loading...
P92x/EN CM/E11 Techncal Guide
Commissioning Guide
Page 16/28 MiCOM P921-P922-P923
abcd
5.3 Testing the "Phase overvoltage protection" and "Phase undervoltage
protection" functions
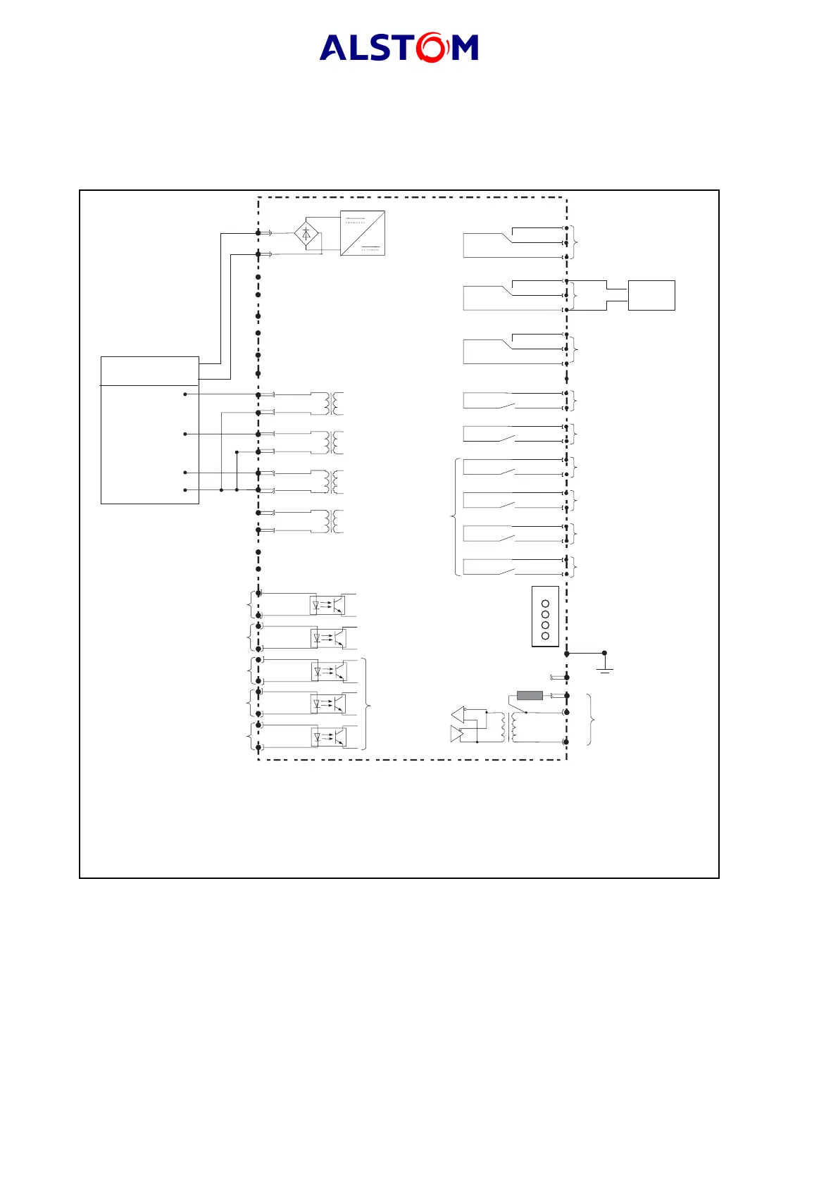
5.3.1 Wiring diagram
33
34
+
_
+
_
Notes :
(1) Supplementary hardware for MiCOM P922-P923 relay
(2) Supplementary hardware for MiCOM P922-P923 relay
(3) 3VT assembly, Phase-Neutral
41
A
B
C
N
42
43
44
45
46
49
50
22
24
26
28
19
17
21
23
27
25
WD
37
35
36
RL1
6
4
2
RL2
12
10
8
29
31
32
-
30
*
+
_
EL1
Auxiliary
power supply
Auxiliary
power supply
Watchdog
RL3
16
14
RL4
20
18
RL5
3
1
RL6
7
5
RL7
9
11
RL8
13
15
4 programmable
LEDs
Case earth
RS 485
communication port
(Modbus, Courier,
CEI60870-5-103)
*
(* For the last relay
of the RS 485 link,
connect terminal 30 to terminal 32)
LEDs
See note 2
See note 1
See note 3
MiCOM P92
*
RL1
RL2
RL3
EL2
EL3
EL4
EL5
RL4
RL5
RL6
RL7
RL8
P0408ENa
Stop
chrono
Voltage
source
FIGURE 2 : (V>) AND (V>>) STAGE TEST

Related product manuals