EasyManua.ls Logo

Ariston LL 64 - Schematic L63

Ariston LL 64
33 pages
Print Icon
To Next Page IconTo Next Page
To Next Page IconTo Next Page
To Previous Page IconTo Previous Page
To Previous Page IconTo Previous Page
Loading...
REPAIR MANUAL
Page: 23
L 63 / LL 64 / LL 65
LI 640 / LI 670 / LI 700
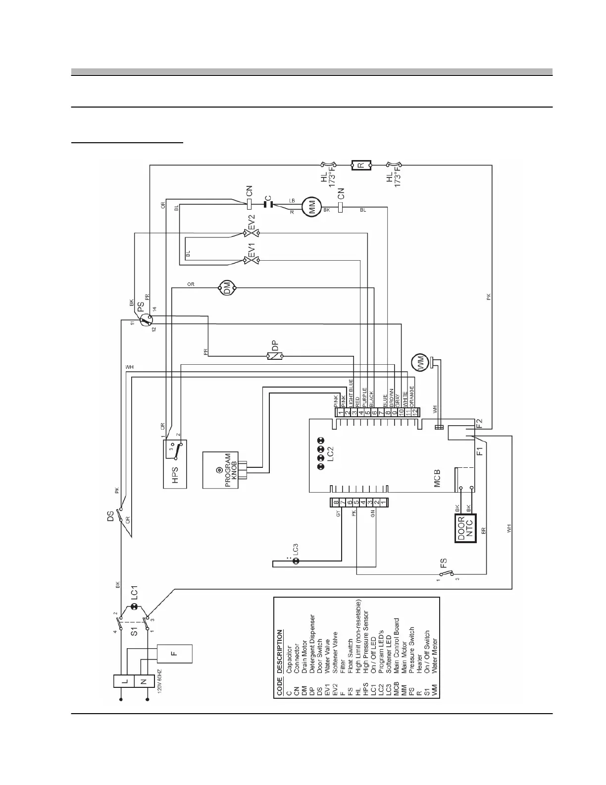
25. SCHEMATIC L63

Other manuals for Ariston LL 64

Related product manuals