EasyManua.ls Logo

Ariston LL 64 - Schematic LI700

Ariston LL 64
33 pages
Print Icon
To Previous Page IconTo Previous Page
To Previous Page IconTo Previous Page
Loading...
REPAIR MANUAL
Page: 28
L 63 / LL 64 / LL 65
LI 640 / LI 670 / LI 700
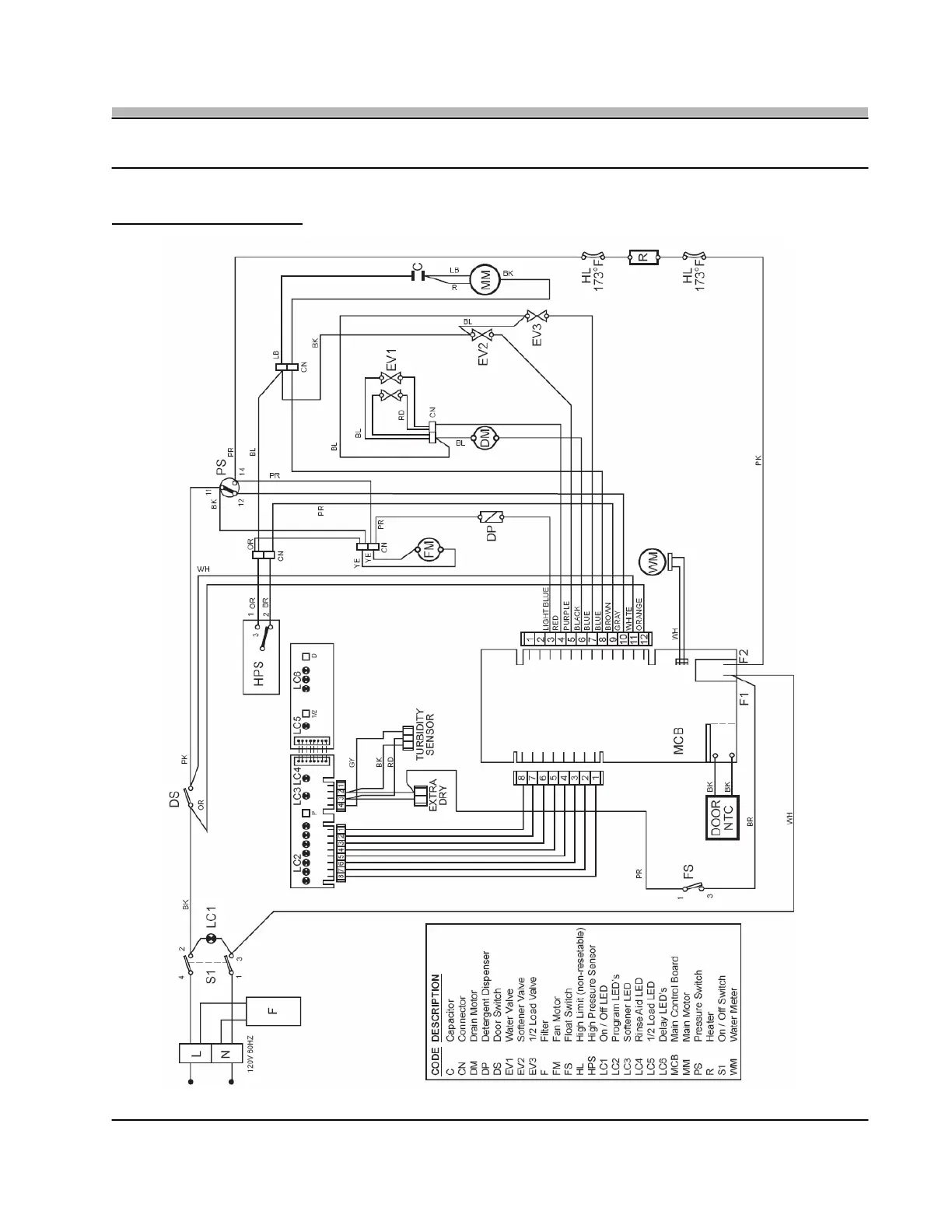
25. SCHEMATIC LI700

Other manuals for Ariston LL 64

Related product manuals