EasyManua.ls Logo

Ashley AWC21 - Factory Built Chimney Installation; Factory Built Chimney Requirements; Factory Built Chimney Diagram

Ashley AWC21
44 pages
Print Icon
To Next Page IconTo Next Page
To Next Page IconTo Next Page
To Previous Page IconTo Previous Page
To Previous Page IconTo Previous Page
Loading...
11
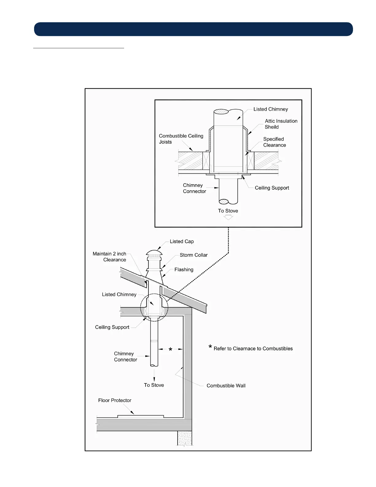
FACTORY BUILT CHIMNEY
When a metal prefabricated chimney is used, the manufacturers installation instructions must be followed. You must also purchase
(from the same manufacturer) and install the ceiling support package or wall pass-through and “T” section package, restops (where
needed), insulation shield, roof ashing, chimney cap, etc. Maintain proper clearance to the structure as recommended by the
manufacturer. The chimney must be the required height above the roof or other obstructions for safety and proper draft operation.
VENTILATION

Related product manuals