EasyManua.ls Logo

Astralpool PROELYXP16i - 6.5 Inverter Swimming Pool Heat Pump Wiring Diagram

Astralpool PROELYXP16i
57 pages
Print Icon
To Next Page IconTo Next Page
To Next Page IconTo Next Page
To Previous Page IconTo Previous Page
To Previous Page IconTo Previous Page
Loading...
- 29 -
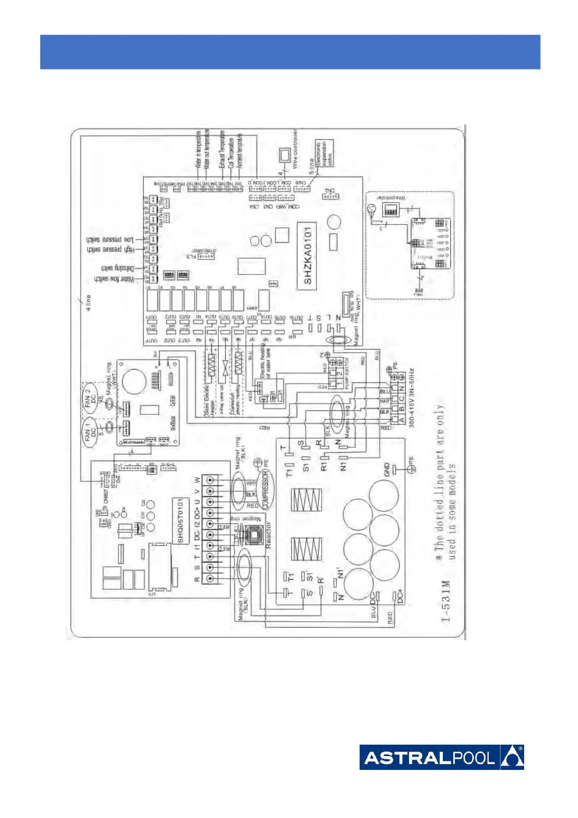
6.5 Inverter swimming pool heat pump wiring diagram
Ref. 68821/68823 (R410A)
* Above electrical wiring diagram only for your reference, please subject machine posted the wiring diagram.
6.
6.
6.
Electrical
Electrical
Electrical
Wiring
Wiring
Wiring

Related product manuals