EasyManua.ls Logo

Astralpool VRAC III Basic 70769 - Exemple de Branchement

Astralpool VRAC III Basic 70769
104 pages
Print Icon
To Next Page IconTo Next Page
To Next Page IconTo Next Page
To Previous Page IconTo Previous Page
To Previous Page IconTo Previous Page
Loading...
27
FRANÇAIS
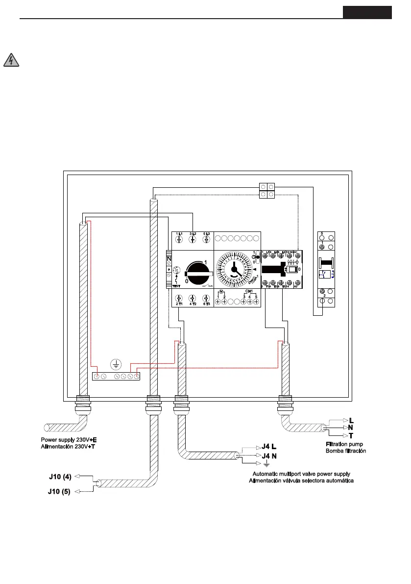
2.3 EXEMPLE DE BRANCHEMENT DE L'ARMOIRE ÉLECTRIQUE MONOPHASÉE DE 230 V
Avant de procéder à l'installation du matériel, l'utilisateur doit veiller à ce que les opérations de
montage et de maintenance soient réalisées par des personnes qualiées et autorisées ayant
préalablement lu les instructions d'installation et de fonctionnement.
Les connexions externes nécessaires au raccordement d'une vanne de sélection System VRAC à
une armoire ASTRALPOOL 25717 sont illustrées sur le schéma.
Débrancher l'extrémité A1 du câble provenant de la connexion 2 de l'interrupteur à 3 positions et
ajouter la barrette de connexion la commande de la vanne (4-5).

Table of Contents

Related product manuals