EasyManua.ls Logo

Astralpool VRAC III Basic Series - Page 59

Astralpool VRAC III Basic Series
104 pages
Print Icon
To Next Page IconTo Next Page
To Next Page IconTo Next Page
To Previous Page IconTo Previous Page
To Previous Page IconTo Previous Page
Loading...
59
ITALIANO
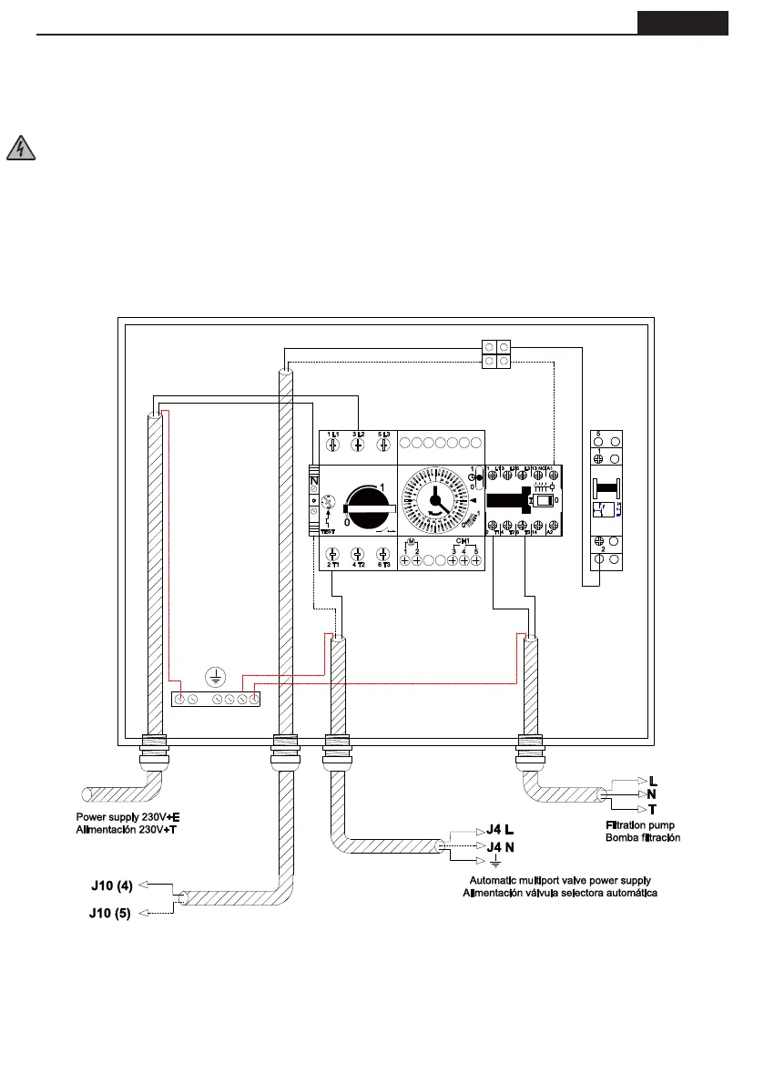
2.3 ESEMPIO DI COLLEGAMENTO DI UN ARMADIO ELETTRICO MONOFASE 230 V
Prima di procedere all'installazione del materiale, l'utente deve accertarsi che le operazioni
di montaggio e di manutenzione vengano eettuate da persone qualicate ed autorizzate e
che queste persone abbiano letto in precedenza le istruzioni di installazione e funzionamento.
Nello schema sono ragurati i collegamenti esterni che è necessario realizzare per collegare una
valvola selettrice System VRAC ad un armadio ASTRALPOOL 25717.
Scollegare l'estremità A1 del cavo proveniente dal collegamento 2 dell'interruttore a 3 posizioni e
aggiungere la morsettiera per il collegamento della manovra della valvola (4-5).

Table of Contents

Related product manuals