EasyManua.ls Logo

Audiopipe APMI-2000 - Page 10

Audiopipe APMI-2000
15 pages
Print Icon
To Next Page IconTo Next Page
To Next Page IconTo Next Page
To Previous Page IconTo Previous Page
To Previous Page IconTo Previous Page
Loading...
о
1
о
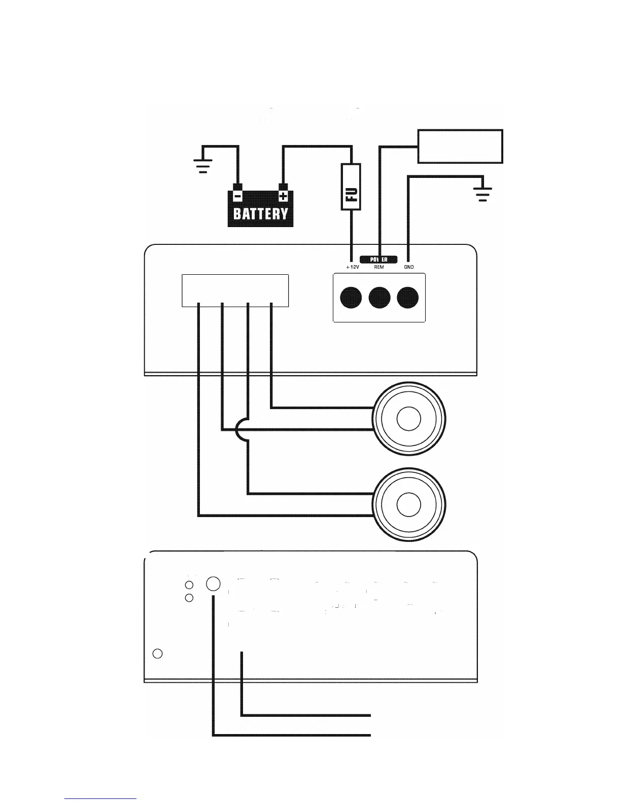
TWO SPEAKER MONO
APMl-600/APMl-1300/APMl-1500
о
••••
о о

Remote
Chassis Ground
Шаrе MetalJ
о
о
о
20 MINIMUM
2 MINIMUM
о
о







  


()
)
, 
r "
 
r "
 
r i

    Ud'B


о
5V МАХ.
SIGNAL INPUT
REMOTE CONTROL