EasyManua.ls Logo

Audiopipe APMI-2000 - Page 11

Audiopipe APMI-2000
15 pages
Print Icon
To Next Page IconTo Next Page
To Next Page IconTo Next Page
To Previous Page IconTo Previous Page
To Previous Page IconTo Previous Page
Loading...
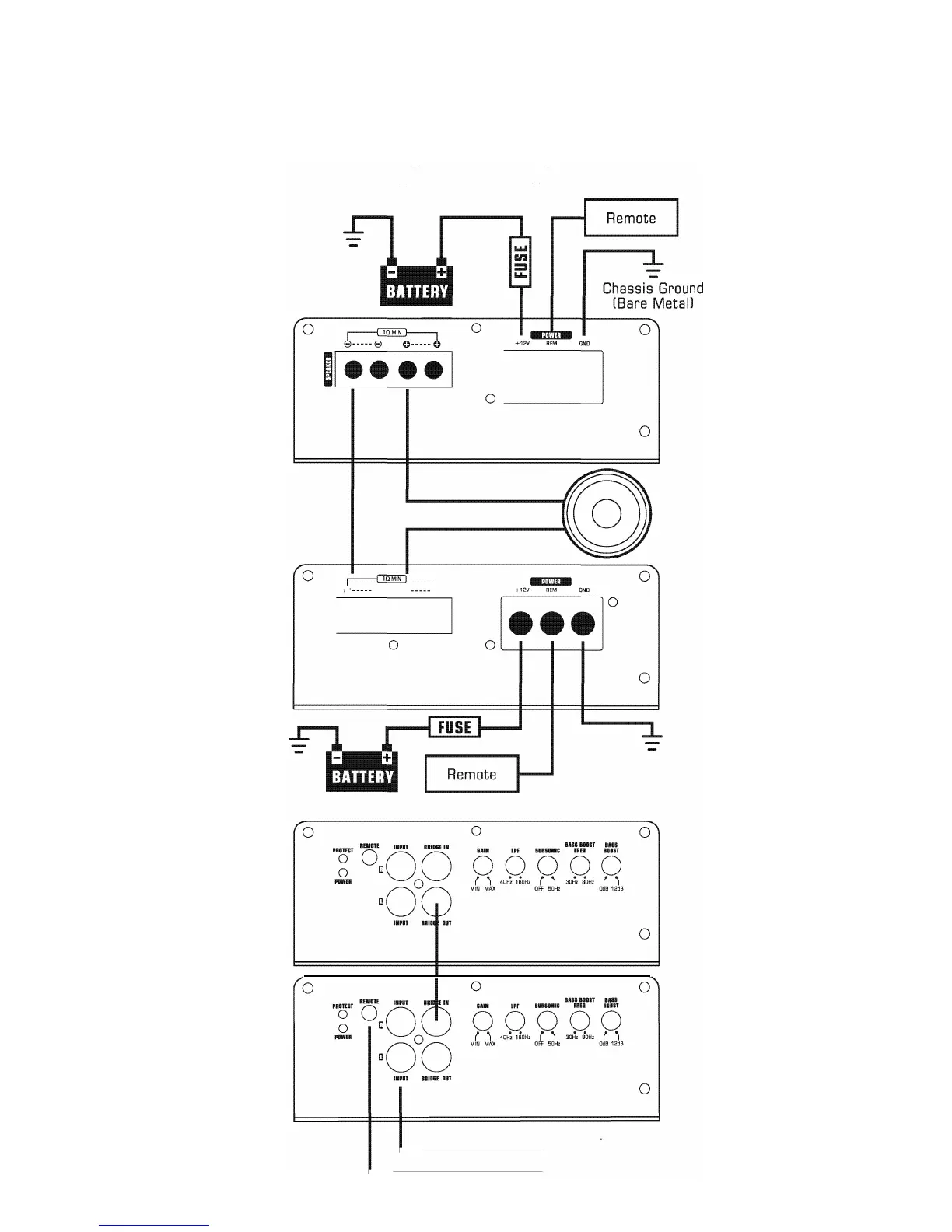
TWO AMPLIFIERS LINKED ТО ONE CHANNEL
APMl-600/APMl-1300/APMl-1500
о
о
о
о
о
l•••

   
о
�1•• ••
 
 
 

 


Related product manuals