EasyManua.ls Logo

Avalon Stove - Cleaning Exhaust Blower Motor; Cleaning the Vent System

Avalon Stove
42 pages
Print Icon
To Next Page IconTo Next Page
To Next Page IconTo Next Page
To Previous Page IconTo Previous Page
To Previous Page IconTo Previous Page
Loading...
Maintenance 35
© Travis Industries 4080725 100-01154
Yearly Maintenance (or every ton) - continued
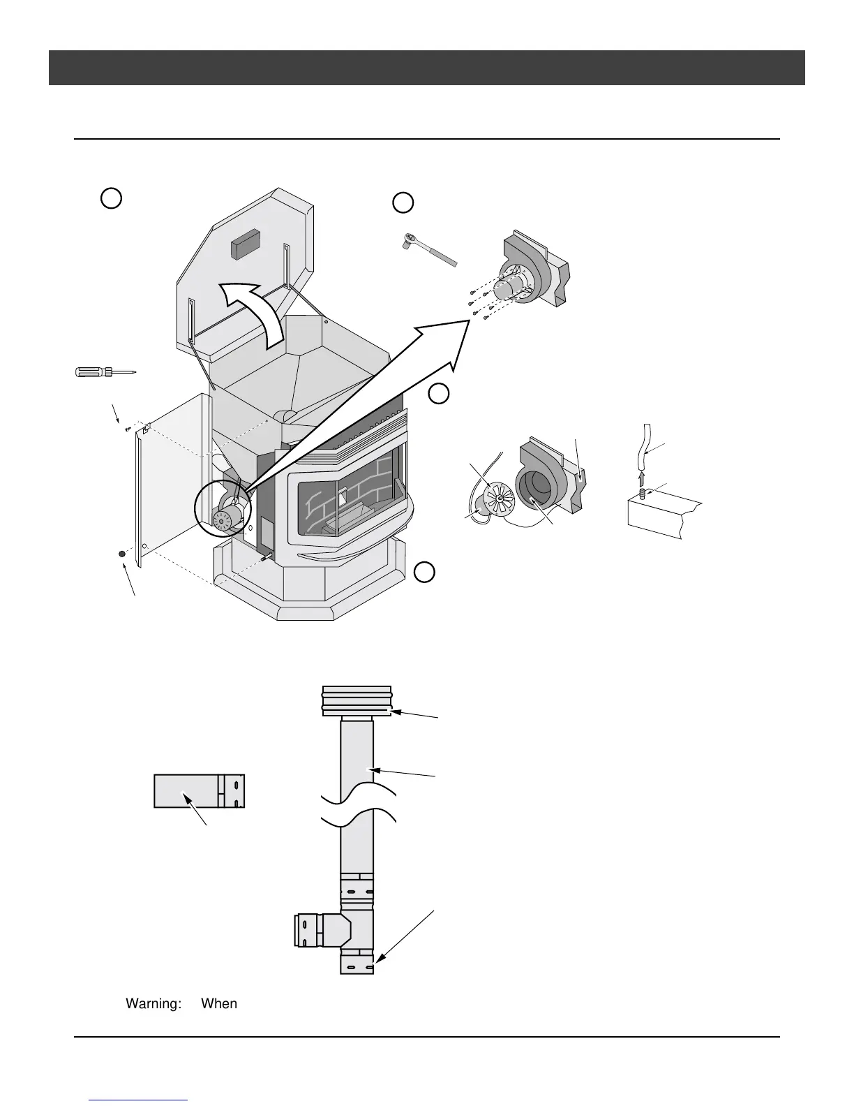
Clean the Exhaust Blower
a
Open the hopper lid
and remove the
screw holding the
left door in place.
Remove the knob
on the restrictor
rod. Swing the left
side panel open.
Remove the six screws holding the
exhaust blower motor in place.
b
11/32" Socket
c
Pull the motor out (be careful not to damage the wiring or
blades - replace gasket if it is damaged).
d
Exhaust
Motor
Blower
Blades
Blower
Housing
Exhaust Box
Phillips
Screwdriver
Restrictor Knob
Clean the blower blades, blower housing, and exhaust box. You may wish to
use a vacuum to pull ash out of the vent system. When replacing the motor,
take care to align the gasket (if it is damaged, replace). Check the nipple and
flow switch tube. Insert a pipe cleaner through the nipple to dislodge any
flyash. NOTE: The flow switch will shut off the auger if the tube becomes
clogged or dislodged. Make sure it is cleaned out and correctly attached.
Flow Switch
Tube
Nipple (attached to
exhaust box)
Clean the Vent
Check the vent sections for creosote
accumulation (indicating a poorly burning
stove). Accumulation over 1/4 must be
removed.
On vertically vented systems, the dirtiest portion
is often the point where the vent turns upwards
(i.e. the "Tee"). Fortunately, the "Tee" has a built-
in clean-out cover. Place a container under the
Tee, disconnect the cover and remove all flyash.
While open, use a flashlight to look up the vent to
check for build-up.
Make sure the cap is free of debris
(especially if it has a screen that could
become blocked).
Flyash will deposit along
sections that are horizontal.
AA
AA
AA
AA
AA
AA
Warning: Whenever any portion of the pellet vent is disconnected, the joints must be sealed with
RTV 500° F. silicone sealant.

Table of Contents

Related product manuals