EasyManua.ls Logo

Avanti GR2013CSS - Page 19

Avanti GR2013CSS
20 pages
Print Icon
To Next Page IconTo Next Page
To Next Page IconTo Next Page
To Previous Page IconTo Previous Page
To Previous Page IconTo Previous Page
Loading...
19
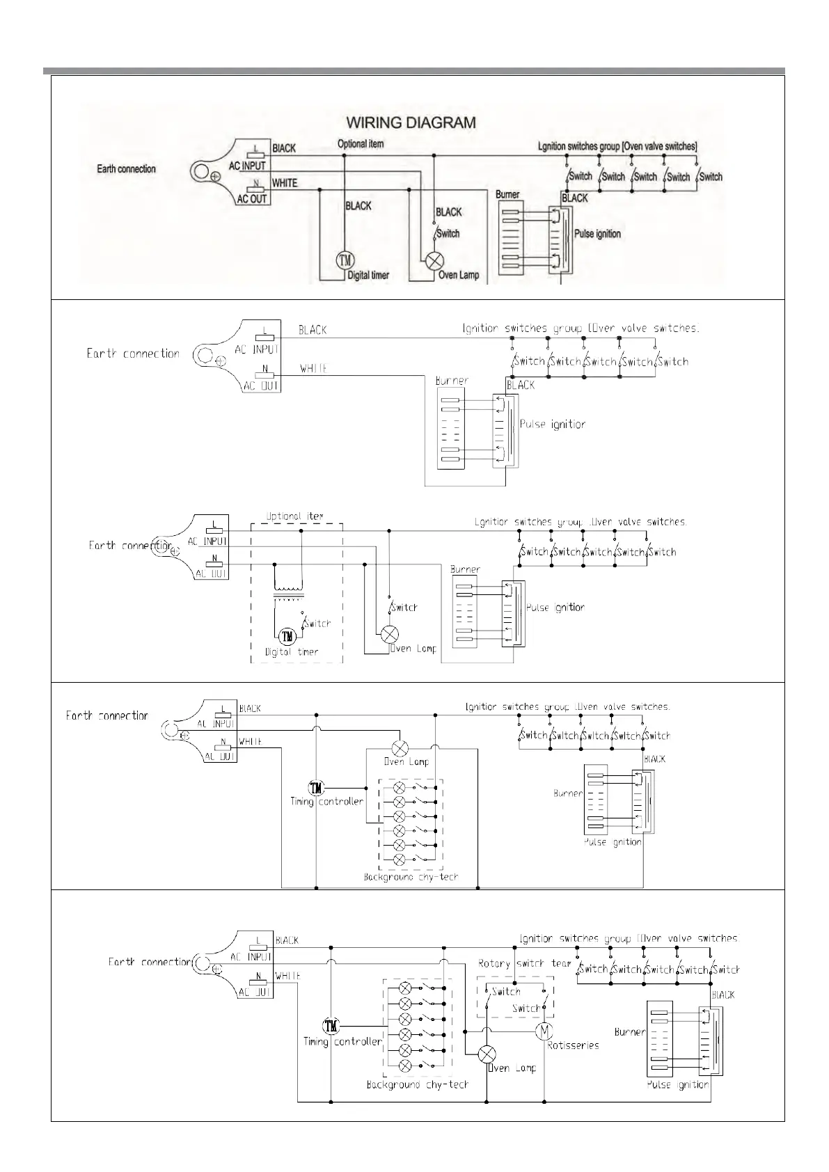
ELECTRICAL CONNECTION
GR2011CW/ GR2012CB / GR2013CSS
GR2414CW/GR2415CB/GR2416CSS
GRO20P0W / GRO24P0W
DGR20P3S
DGR24P3S