EasyManua.ls Logo

Axis M1125 - Page 119

Axis M1125
126 pages
Print Icon
To Next Page IconTo Next Page
To Next Page IconTo Next Page
To Previous Page IconTo Previous Page
To Previous Page IconTo Previous Page
Loading...
AXISM11NetworkCameraSeries
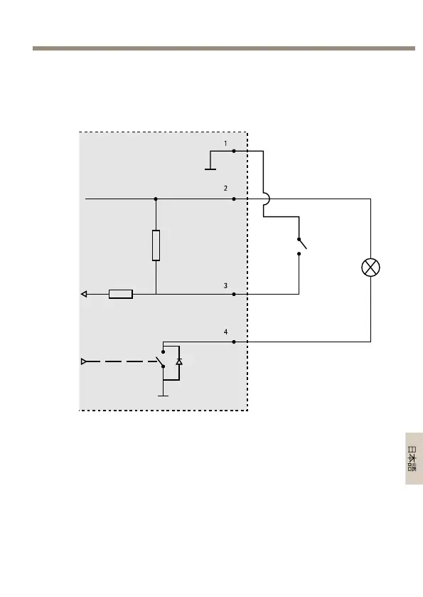
I/O I/O
I/O
1
2
3
4
1
0 V DC ( ‑)
2
DC 12 V 15 mA
3
I/O ( )
4
I/O ( )
119
ò
ò
¨
¨
¾
¾

Table of Contents

Related product manuals