EasyManua.ls Logo

Axis M1145 - Page 33

Axis M1145
126 pages
Print Icon
To Next Page IconTo Next Page
To Next Page IconTo Next Page
To Previous Page IconTo Previous Page
To Previous Page IconTo Previous Page
Loading...
AXISM1145Series
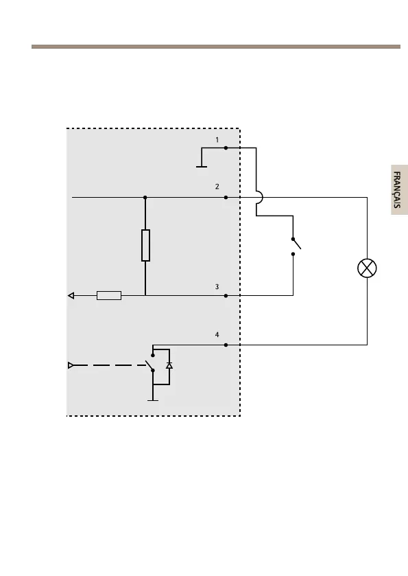
Schémasdeconnexion
Connecteurd'E/S
1
0VCC(-)
2
SortieCC3,3V,maxi.50mA
3
Entréenumérique0àmax.40VCC
4
Entréenumérique0àmax.40VCC,drainouvert,
max.100mA
33

Table of Contents