EasyManua.ls Logo

Axis P3365-V - Technical Specifications; Camera and Video Specifications

Axis P3365-V
98 pages
Print Icon
To Next Page IconTo Next Page
To Next Page IconTo Next Page
To Previous Page IconTo Previous Page
To Previous Page IconTo Previous Page
Loading...
AXISP3365–VFixedDomeNetworkCamera
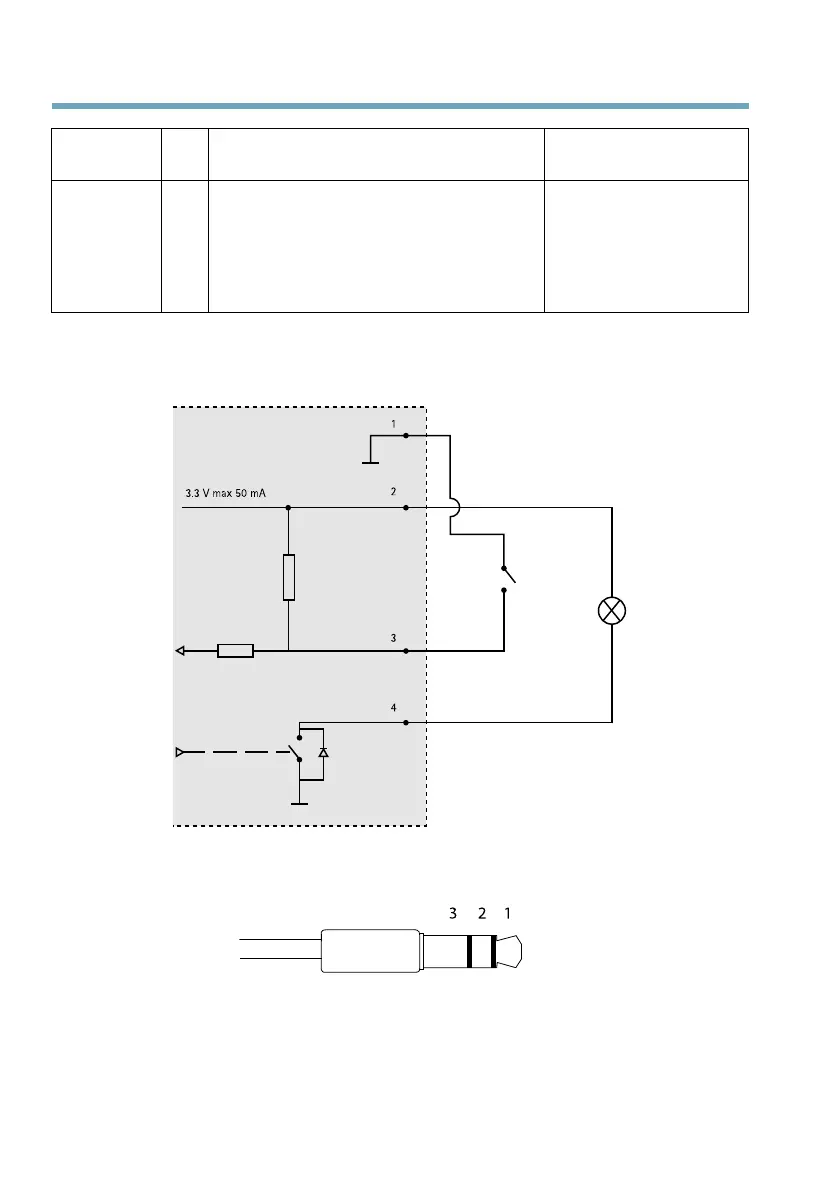
Ingresso
digitale
3
Collegarealpin1perattivarlooppure
lasciarloisolato(scollegato)perdisattivarlo
da0amax40VCC
Uscita
digitale
4
Collegarealpin1quandoattiva,isolata
(scollegata)quandoinattiva.Seutilizzata
conuncaricoinduttivo,adesempiounrelè
esterno,ènecessariocollegareundiodo
inparalleloalcaricoperproteggereil
dispositivodasovratensioni.
Caricomassimo=100mA
Tensionemassima=
+40VCC
3.3 V max 50 mA
1
2
3
4
Connettoreaudio
Connettoriaudioda
3,5mm(stereo)
123
60

Table of Contents