EasyManua.ls Logo

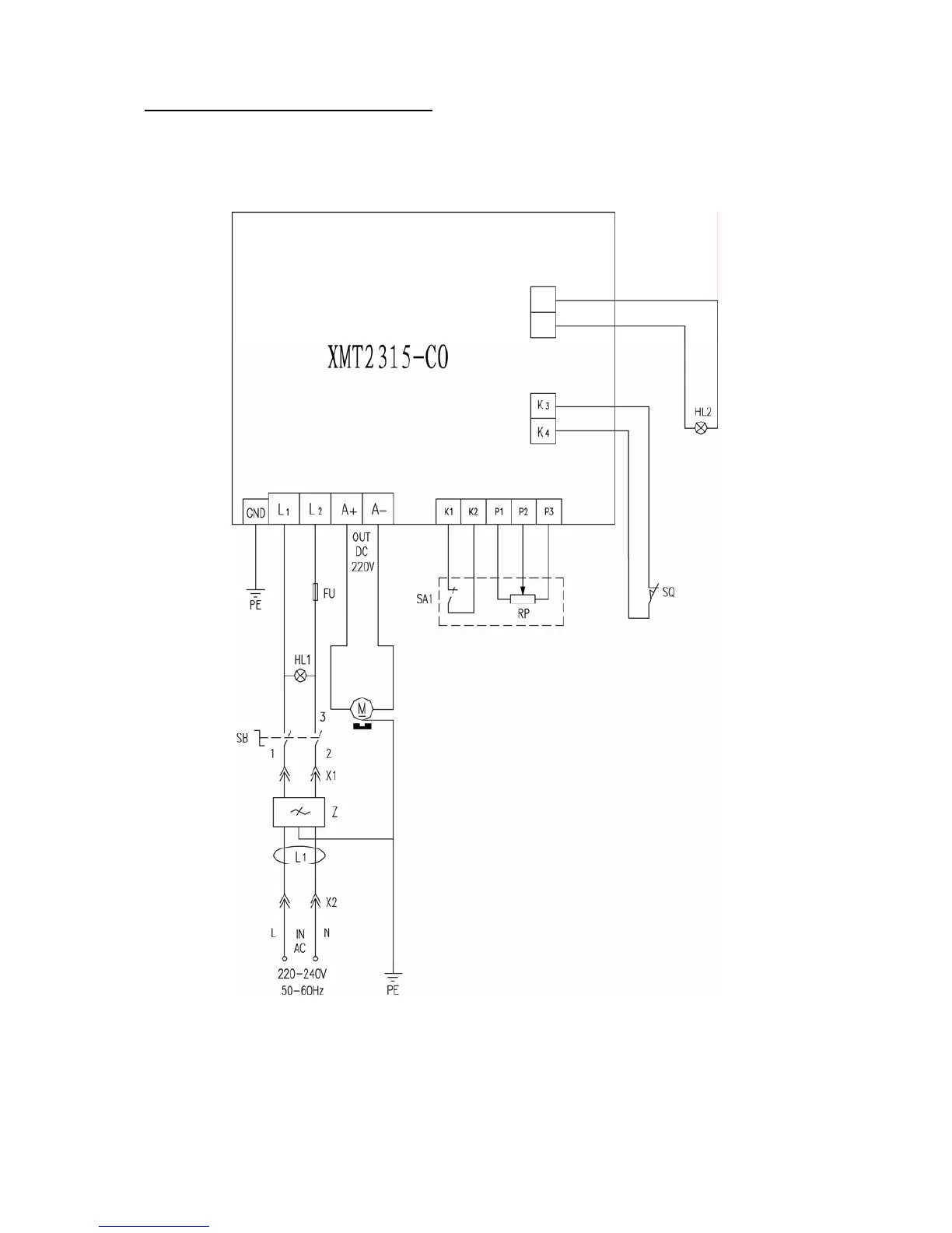
Axminster C0 - Electrical Diagrams; 230 V Electrical Diagram

Axminster C0
13 pages
Print Icon
To Next Page IconTo Next Page
To Next Page IconTo Next Page
To Previous Page IconTo Previous Page
To Previous Page IconTo Previous Page
Loading...
11
Electrical Circuit Diagram for 230V

Related product manuals