EasyManua.ls Logo

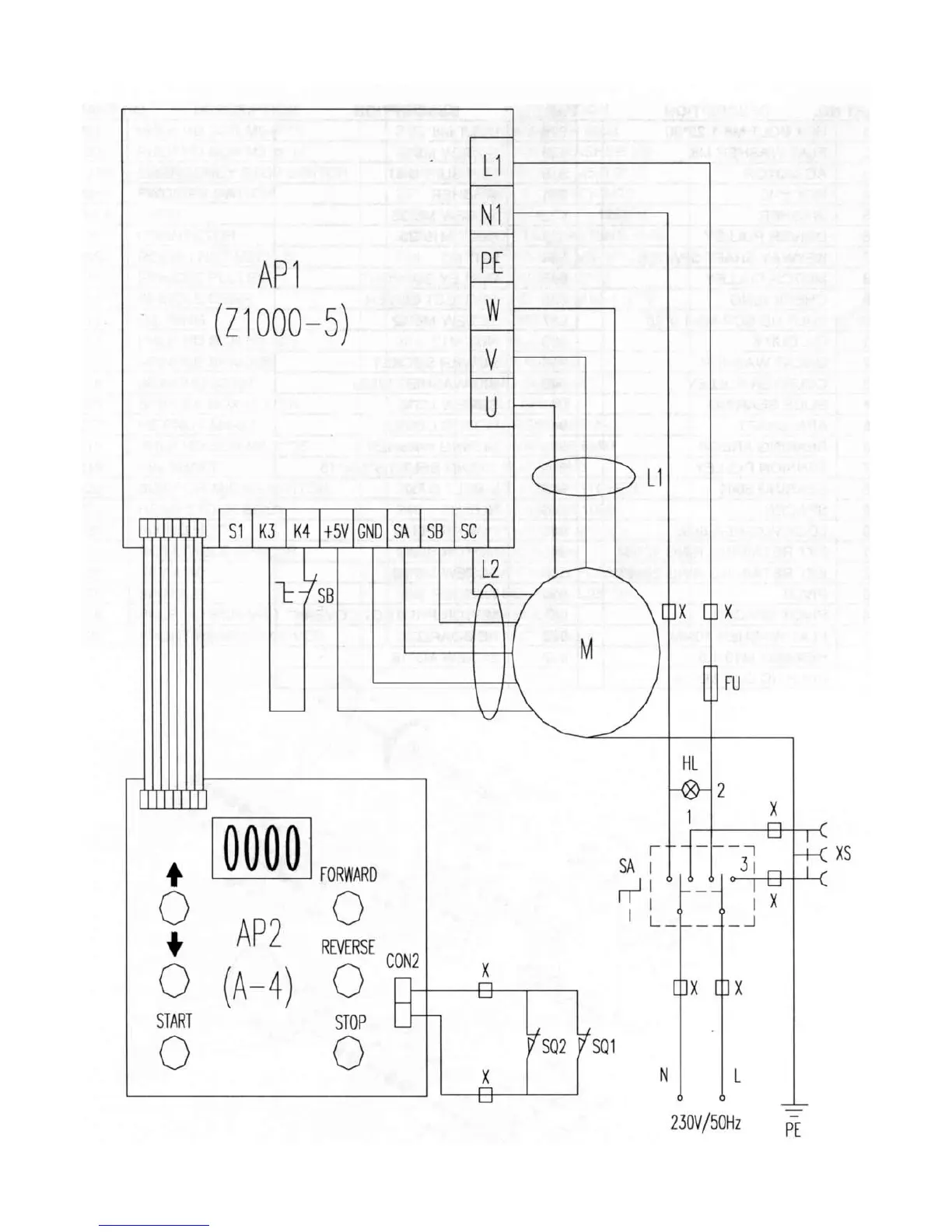
Axminster SIEG SC6 - Wire Diagram

Axminster SIEG SC6
50 pages
Print Icon
To Next Page IconTo Next Page
To Next Page IconTo Next Page
To Previous Page IconTo Previous Page
To Previous Page IconTo Previous Page
Loading...
22
SC6 WIRE DIAGRAM

Related product manuals