EasyManua.ls Logo

Azbil FL7M Series - EXTERNAL DIMENSIONS; Standard (Pre-leaded) Type Dimensions; Connector Type Dimensions

Azbil FL7M Series
8 pages
Print Icon
To Next Page IconTo Next Page
To Next Page IconTo Next Page
To Previous Page IconTo Previous Page
To Previous Page IconTo Previous Page
Loading...
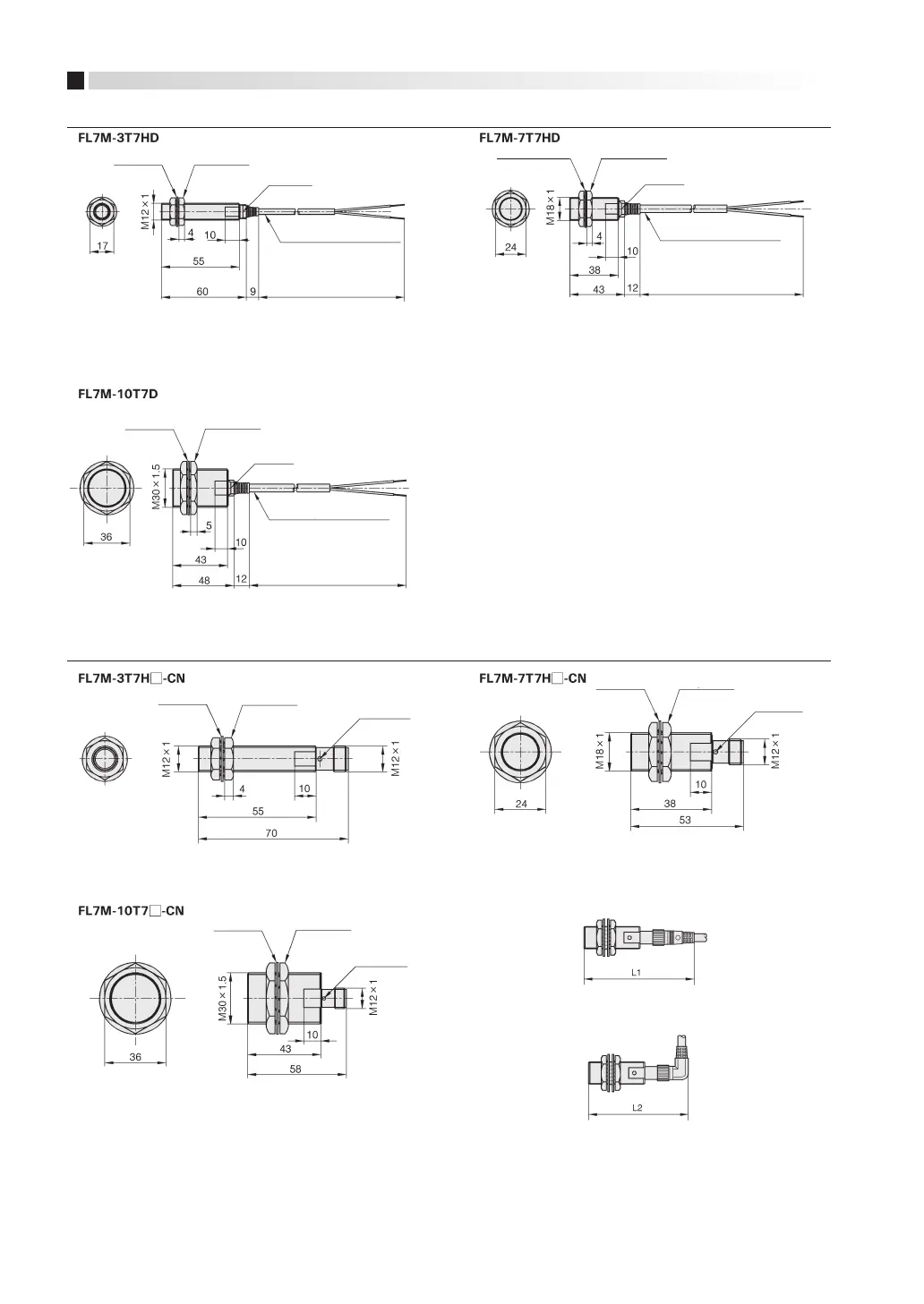
EXTERNAL DIMENSIONS
(unit: mm)
Standard (preleaded) type
Toothed
washer
Hexagonal
nut
Toothed
washer
Hexagonal
nut
Toothed
washer
Hexagonal
nut
Indicator
lamp
Toothed
washer
Hexagonal
nut
Indicator
lamp
Toothed
washer
Hexagonal
nut
Indicator
lamp
Cap color: orange.
Cap color: orange.
Cap color: orange.
Note:
When using a straight-type connector, dimension L1 is the overall
length plus about 30 mm.
When using an angled connector, dimension L2 is the overall
length plus 20 mm.
Indicator
lamp
Indicator
lamp
Vinyl-insulated cable (PVC)
Vinyl-insulated cable (PVC)
2000 min.
2000 min.
Vinyl-insulated cable (oil-resistant: 0.3 mm
2
, 60/0.08 dia., 2-core)
dia. 4. Cap color: orange.
Vinyl-insulated cable (oil-resistant: 0.5 mm
2
, 45/0.12 dia., 2-core)
dia. 6. Cap color: orange.
Toothed washer
Hexagonal nut
Indicator
lamp
Vinyl-insulated cable (PVC)
2000 min.
Vinyl-insulated cable (oil-resistant: 0.5 mm
2
, 45/0.12 dia., 2-core)
dia. 6. Cap color: orange.
Connector type
3
4

Other manuals for Azbil FL7M Series

Related product manuals