EasyManua.ls Logo

BainUltra LIBRA 6632 - Page 23

BainUltra LIBRA 6632
24 pages
Print Icon
To Next Page IconTo Next Page
To Next Page IconTo Next Page
To Previous Page IconTo Previous Page
To Previous Page IconTo Previous Page
Loading...
23
www.bainultra.com
Some products, specications, and services mentioned in this manual are described in pending patent applications or are protected by patents.
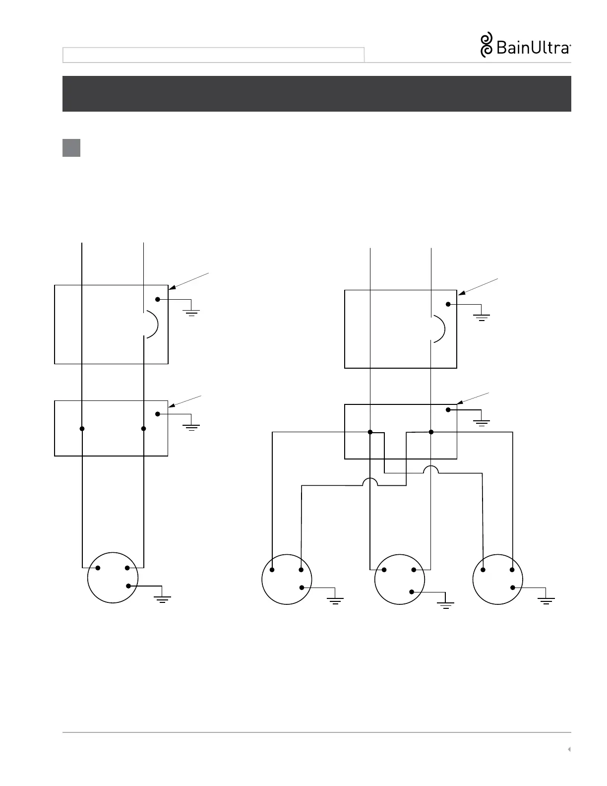
INSTALLATION INSTRUCTIONS | LIBRA COLLECTION
ELECTRICAL SECTION
3
ELECTRICAL DIAGRAM – 20A THERMOMASSEUR
®
and 15A THERAPY
15A CIRCUIT
20A CIRCUIT
NEUTRAL N L LOAD
NEUTRAL N L LOAD
GROUND
FAULT CIRCUIT
INTERRUPTERS
GROUND
FAULT CIRCUIT
INTERRUPTERS
JUNCTION
BOX
JUNCTION
BOX
TURBINE WITH GEYSAIR
(FOR MIAPLUS
®
)
TURBINE WITHOUT GEYSAIR
(FOR MIAPLUS
®
)
N L
N L
15A CIRCUIT
LITESTREME
(WARMTOUCHSHELL
®
)
N L N L
NEUTRAL N L LOAD
INMIX MODULE
(CHROMATHERAPY)
GROUND
FAULT CIRCUIT
INTERRUPTERS
JUNCTION
BOX
N L
AROMACLOUD
®
/ AROMAFLOW
(AROMATHERAPY)