EasyManua.ls Logo

Baldor TS175 - Controller Connection Diagram

Baldor TS175
90 pages
Print Icon
To Next Page IconTo Next Page
To Next Page IconTo Next Page
To Previous Page IconTo Previous Page
To Previous Page IconTo Previous Page
Loading...
Operation 4-21
MN2417
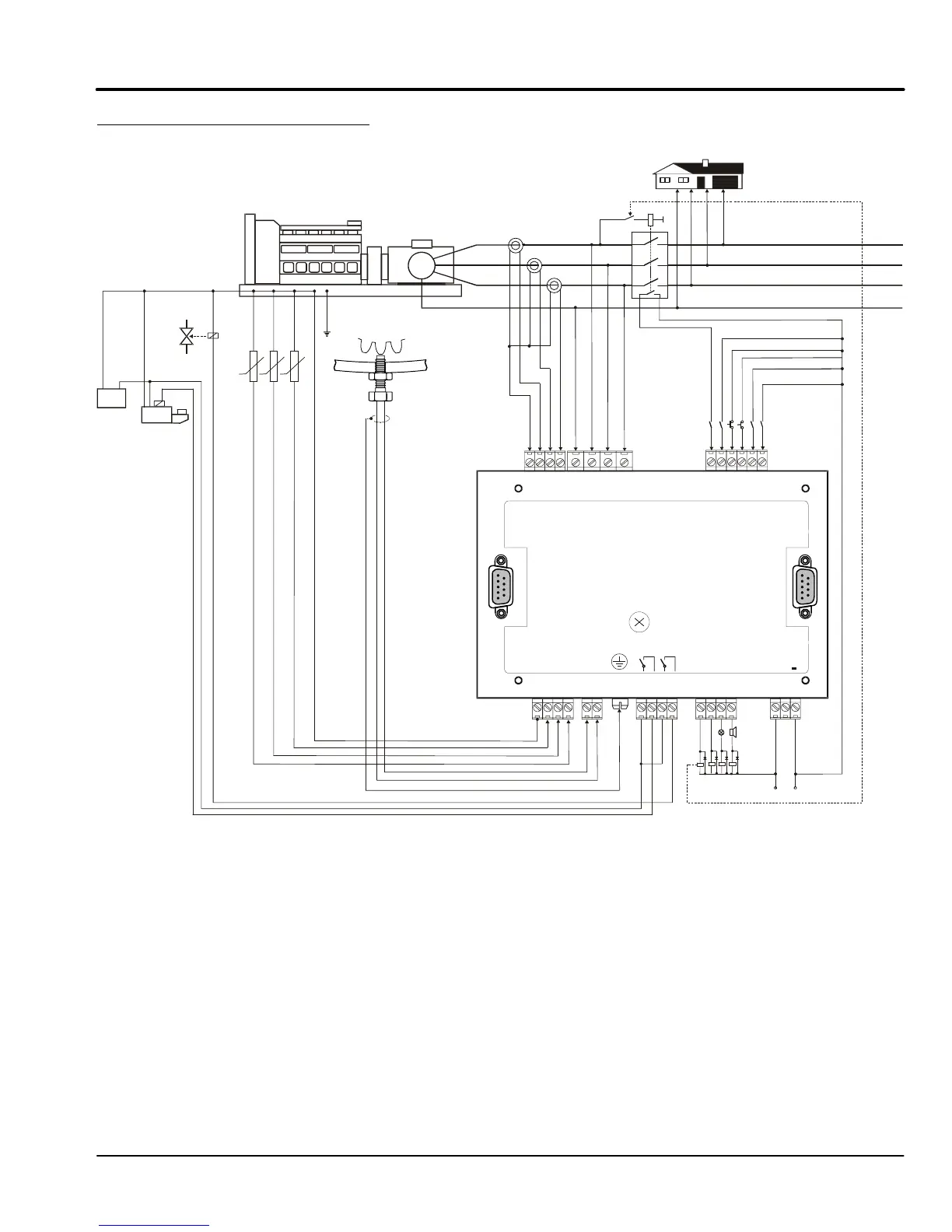
Digital Engine Controller Description EM0046A21 (MRS17) Continued
Figure 4-9 Controller Connection Diagram
LOAD
DIESEL/GAS ENGINE
OIL PRESSURE
WATER TEMP
FUELLEVEL
STARTER
BATTERY
+
FUELSOLENOID
GENERATOR
G
STARTER
FUEL SOLENOI
D
L1
L2
L3
N
Generator C.B.
ANALOG INPUTS
BINARY OUTPUTSRPM
RPM IN
COM
BO6
BO3
BO4
BO5
BO1
START
BO2
FUEL
AI1 OIL
AI2 TEMP
AI3 FUEL
RPM GN
D
POWER
8 36 V DC
+
EXTENSION MODULES
GENERATOR
CURRENT
GENERATOR
VOLTAGE
N
L1
L2
L3
L3l
L2l
L1k
L1l
BINARY INPUTSBINARY INPUTS
RS 232
BI1
BI2
BI3
BI4
BI5
BI6
BOOT JUMPER
Ground
RPM
Remote Start/Stop
Access Lock
Emergency Stop
Remote Off
Sprinkler
Not Used
HORN
PRESTART
RDY TO LOAD
ALARM
GENERATOR CB
D+

Table of Contents

Other manuals for Baldor TS175

Related product manuals